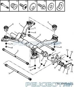
icechieff Опубликовано 26 июня, 2010 Опубликовано 26 июня, 2010 Как известно, одной из особенностей автомобилей Пежо и Рено является наличие торсионной задней подвески. Торсионные подвескиНазвание торсионным подвескам дал элемент, призванный выполнять задачу, аналогичную выполняемой рессорами, пружинами или же резиновыми блоками. В отличие от перечисленных элементов, торсион работает только на скручивание, от чего и происходит его “имя” – torsion в переводе с французского языка означает скручивание. Торсион представляет собой стальной стержень, один из концов которого жестко закреплен на раме или несущем кузове, а на другом конце установлен рычаг. Усилие на свободном конце рычага создает момент, закручивающий торсион, при этом продольная и боковая силы воспринимаются опорами торсиона и, следовательно, практически не действуют на него. Характер деформации материала, и в случае торсиона и в случае витой пружины, широко применяемой в конструкциях подвесок, абсолютно идентичен. В случае торсиона вертикальная сила, действующая на рычаг подвески, создает момент, закручивающий торсион – исходя из этого, стержень торсиона можно рассматривать как витки пружины, растянутые в одну линию. При одинаковой длине и поперечном сечении прутка, из которого изготовлена пружина, и стержня торсиона характеристики их упругих свойств будут одинаковы, однако при этом конструктивные возможности торсионов более широки, чем конструктивные возможности витой пружины. Стержень торсиона можно сделать составным, чаще всего производители используют вариант набора плоских пластин, также существуют торсионы, составленные из многогранных стержней, собранных в пучок и конструкции из пучка круглых стержней, соединенных по концам – эти варинты позволяют торсионной подвеске, в сравнение с конструкцией, использующей витую пружину, быть долговечнее. Одним из основных параметров, характеризующих упругость торсиона, является его длина. Стержни торсионов могут располагаться вдоль продольной оси симметрии автомобиля и поперек ее. При поперечном расположении длина торсиона ограничивается величиной колеи автомобиля. На концах торсионов с каждой стороны автомобиля закрепляются рычаги подвески с продольной плоскостью перемещения, возможно также использование гидравлических телескопических амортизаторов. При продольном расположении торсионов, их длина конструктивно не столь жестко ограничена, в итоге подвеска получается мягкой, нисколько не уступая по этому параметру пружинным или рессорным конструкциям, к тому же данная конструкция очень удобна для больших автомобилей. Основной производственной сложностью при создании торсионной подвески является сложность изготовления и обработки торсионных валов. Поверхностное упрочнение стрежней торсионных валов, пластическая осадка и прочие меры, обеспечивающие высокие характеристики упругости, прочности и устойчивости к образованию трещин используются, и в случае витых пружин и листовых рессор и торсионов, однако в последнем случае стоимость процедур значительно выше. Однако главной проблемой торсионных подвесок, сдерживающих их еще более широкое применение в конструкциях автомобилей, является тот момент, что два игольчатых подшипника, устанавливаемых с каждой стороны в местах присоединения колесных рычагов к задней балке имееют склонность к рассыпанию, что может привести в итоге к серьезным финансовым вливаниям на починку автомобиля. Данный тип подвесок имеет давнюю историю – к примеру, такие фирмы, как Renault и Peugeot вот уже на протяжении без малого половины века используют торсионные подвески в своих автомобилях. Помимо этого достаточно широко используют торсионы в своих конструкциях американские и, отчасти, японские автопроизводители. Такой подвеской оснащают свои модели Peugeot с 80-х годов начиная от Peugeot 205/309, далее знаменитой 405 и до современных Peugeot 206/Partner; а также Renault от 19 до Kangoo. Как всегда, преимущества в управляемости и устойчивости в Европе, на наших дорогах при отсутствии обслуживания превращаются в недостатки. Как показывает практика подобная задняя подвеска, не обращая на себя абсолютно никакого внимания владельца, однако требует регулярного обслуживания.Часто владелцы этих моделей авто в лучшем случае замечают стуки в задней подвеске, а в худшем ездят пока колеса авто не встанут домиком и не начнут цеплять за колесные арки. Но даже в лучшем случае при осмотре в обычном сервисе, далеком от ремонта французских машин, не могут определить причину этих стуков, т.к. внешне задняя балка находится в исправном состоянии , а причиной стуков являются торсионные подшипники задней балки которые не видны снаружи и находятся внутри. А в худшем случае и так не дешевый ремонт по профилактической замене этих подшипников превращается в ремонт всей задней подвески: начиная с подушек крепления балки до разбитых рычагов, провернувшихся или лопнувших торсионов и заканчивая заменой самой балки. Можно посчитать, во сколько может обойтись ремонт подобной, только что не дорого купленной 4-5-и летней 206 Пежо!Дорогие дамы, мы не отговариваем вас от покупки столь замечательного "пыжика", а просто рекомендуем перед покупкой провести осмотр в специализированном сервисе, где увидят все подводные камни вашего авто... Вне зависимости от отличий конструкций подвески моделей Пежо от Рено, все они требуют профилактического осмотра и регулярного ремонта. Как показывает практика если в Европе пробег до замены подшипников задней балки составляет около 120000км, то в условиях нашего бездорожья это где-то 60000км или 2 года эксплуатации. Таким образом даже если внешне ваша задняя подвеска и создает впечатление что она прослужит еще лет 20, все равно рекомендуется пройти профилактический осмотр и профилактический ремонт не только на старых моделях но и на современных от Peugeot 206/Partner до Renault ClioII/MeganeII. Профессионалами осуществляются следующие восстановительные работы по задним подвескам , что даже при трудозатратах обходится дешевле покупки новой: - диагностика состояния торсионов, подшипников/сайлентблоков задних рычагов а также подушек крепления задних балок, - замена подшипников задних балок на соответствующих моделях - замена сайлентблоков задних рычагов даже на моделях где в оригинале они идут вместе с рычагами - замена сайлентблоков задних балок в том числе на моделях где они идут в сборе с балкой - увеличение дорожного просвета на торсионных подвесках - замена лопнувших торсионов и др. - восстановление задних балок , что как правило заключается в замене "пальцев" на которые и ставятся подшипники задних рычагов. Схема торсионной подвески Пежо 206 (Peugeot 206):
tony Опубликовано 6 сентября, 2012 Опубликовано 6 сентября, 2012 Здравствуйте. Не подскажете где можно найти запчасти для восстановления задней балки?
icechieff Опубликовано 6 сентября, 2012 Автор Опубликовано 6 сентября, 2012 Здравствуйте. Не подскажете где можно найти запчасти для восстановления задней балки?в запчастях) но смотря какие...
IGOSON Опубликовано 7 сентября, 2012 Опубликовано 7 сентября, 2012 А в 307 какая подвеска? У меня колеса тоже типа небольшого домика исполняют)))
tony Опубликовано 7 сентября, 2012 Опубликовано 7 сентября, 2012 в запчастях) но смотря какие... Знаменитые "пальцы". Думаю с остальным проблем быть не должно?!
Рекомендуемые сообщения
Для публикации сообщений создайте учётную запись или авторизуйтесь
Вы должны быть пользователем, чтобы оставить комментарий
Создать аккаунт
Зарегистрируйте новый аккаунт в нашем сообществе. Это очень просто!
Регистрация нового пользователяВойти
Уже есть аккаунт? Войти в систему.
Войти