denzel2010 Опубликовано 28 ноября, 2011 Опубликовано 28 ноября, 2011 Да,масло поменял,половину и еще половину через 1000 поменяю.А давление не трогали,поменяли клапана и все хорошо стало,давление выравнялось. 2
ermak0805 Опубликовано 4 декабря, 2011 Опубликовано 4 декабря, 2011 вчера менял ЭМК и обнаружил что капает масло из под теплообменика !!!!! попробовал подтянуть и обалдел от руки один оборот почти притянул!!!вопрос по каким блин причинам он открутился????есть мысли?
denzel2010 Опубликовано 4 декабря, 2011 Опубликовано 4 декабря, 2011 Может вибрация какая!Как замена,есть эффект?
ermak0805 Опубликовано 4 декабря, 2011 Опубликовано 4 декабря, 2011 эффект есть (!) не загорается ,масло не менял но влил на 300гр больше чем слили,и теперь думаю а в ЭМК дело было или просто масло нужно было тупо долить? вопрос можно ЭМК проверить которые снял?
denzel2010 Опубликовано 4 декабря, 2011 Опубликовано 4 декабря, 2011 эффект есть (!) не загорается ,масло не менял но влил на 300гр больше чем слили,и теперь думаю а в ЭМК дело было или просто масло нужно было тупо долить? вопрос можно ЭМК проверить которые снял? Никак не проверишь!!!Главное что проблема исчезла!!!!!!!!!!!!!Но у меня меняли и посоветовали через 1000 вторую замену сделать,уж поверь ,видок у слитого еще тот был.Мне кажется если менять через 40000 как рекомендуют,то и проблем бы не было!
ermak0805 Опубликовано 5 декабря, 2011 Опубликовано 5 декабря, 2011 мое масло прошло 96 тыс. и на видок как вчера залили только два магнита почистил и все.
syndicate88 Опубликовано 6 декабря, 2011 Опубликовано 6 декабря, 2011 Доброго времени суток! Скажите где найти эти две резиночки, которые сервис бокс рекомендует заменить???
icechieff Опубликовано 6 декабря, 2011 Автор Опубликовано 6 декабря, 2011 Доброго времени суток! Скажите где найти эти две резиночки, которые сервис бокс рекомендует заменить???в смысле? где они стоят или где купить?))
syndicate88 Опубликовано 6 декабря, 2011 Опубликовано 6 декабря, 2011 в смысле? где они стоят или где купить?))Где купить их. Понял, что остаются они на корпусе коробки, но в магазине их там не нашёл. Новые клапана и дут с резинками уплотнительными? Если нет, надо ли их покупать?
icechieff Опубликовано 6 декабря, 2011 Автор Опубликовано 6 декабря, 2011 (изменено) с новыми клапанами по сервисбоксу идут резинки... Изменено 6 декабря, 2011 пользователем icechieff
syndicate88 Опубликовано 6 декабря, 2011 Опубликовано 6 декабря, 2011 с новыми клапанами по сервисбоксу идут резинки...Это понял. Запутал своим вопросом. Имел ввиду ещё резинки которые, как я понимаю, не на клапанах, а между ГБ и коробкой. После снятия ГБ остаются на коробке. Ещё аопрос, на другом форуме пишут, если масло менять ненадо то сливать необязательно. Вытечет только литра полтора. Потом просто долить и всё.
icechieff Опубликовано 6 декабря, 2011 Автор Опубликовано 6 декабря, 2011 Даже меньше, чем полтора...
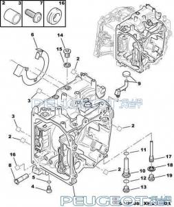
icechieff Опубликовано 6 декабря, 2011 Автор Опубликовано 6 декабря, 2011 Думаю вот они тут, под №16:номер для заказа - 2219.16
syndicate88 Опубликовано 7 декабря, 2011 Опубликовано 7 декабря, 2011 Спасибо за помощь, буду разбирать...
syndicate88 Опубликовано 13 декабря, 2011 Опубликовано 13 декабря, 2011 (изменено) Разобрал и почистил гидроблок, теперь имеются три вопросика. Подскажите пожалуйста. 1) Выкрутил вот этот пластиковый болт, а он, я так понимаю, регулировочный. Как его затягивать и какие последствия могут быть? 2) Вот этот шток ставиться вот так и должен быть перед выступом? Изменено 14 декабря, 2011 пользователем icechieff
syndicate88 Опубликовано 13 декабря, 2011 Опубликовано 13 декабря, 2011 (изменено) И ещё вопрос. Это ведь нездоровый цвет масла? Менял тысяч 7 назад. P.S. Сзади бутылки лежит телефон с включенным фонарём и даже непросвечивает. Изменено 13 декабря, 2011 пользователем syndicate88
icechieff Опубликовано 14 декабря, 2011 Автор Опубликовано 14 декабря, 2011 1) Выкрутил вот этот пластиковый болт, а он, я так понимаю, регулировочный. Как его затягивать и какие последствия могут быть?это ты зря( я такие болты побаиваюсь трогать... 2) Вот этот шток ставиться вот так и должен быть перед выступом? если не будет переключать, то руководство по регулировке лежит тут: https://peugeot-lab.net/forum/topic/1283/ И ещё вопрос. Это ведь нездоровый цвет масла? Менял тысяч 7 назад.Темновато, но смотри чтоб горелым не пахло, оно прозрачным все равно не будет...
syndicate88 Опубликовано 15 декабря, 2011 Опубликовано 15 декабря, 2011 Закрутил этот болтик примерно так как было. Собрал и всё работает. Единственное сильно неразгонял её, но показалось, что нету четвёртой передачи, думаю после телезагрузки всё будет норм. Спасибо за отчёт.
trofim Опубликовано 7 января, 2012 Опубликовано 7 января, 2012 Всем доброго времени суток!После морозов возникла проблема с коробкой, толчки при переключении и ошибка пару рас появлялась.Сделал диагностику, вот что написали:1) Выявлены ошибки по разнице давления АКПП - 0,3 - 0,4 бара.2) Теплообменник чистый.3) Низкий уровень масла АКПП (не хватало 400 гр.).4) Масло тёмное (грязное), запаха гари не имеет.Механик сказал срочно нужно менять гидроблок, т.к. такая разница в давлении весьма значительна.Действительно всё так критично или можно обойтись меньшими вложениями?
NIKOLAS Опубликовано 20 января, 2012 Опубликовано 20 января, 2012 И ещё вопрос. Это ведь нездоровый цвет масла? Менял тысяч 7 назад. P.S. Сзади бутылки лежит телефон с включенным фонарём и даже непросвечивает.Цвет масла не говорит о его непригодности. Главное, чтобы не было запаха горелого. Запах очень резкий, ни с чем не перепутать 1) Выявлены ошибки по разнице давления АКПП - 0,3 - 0,4 бара.2) Теплообменник чистый.3) Низкий уровень масла АКПП (не хватало 400 гр.).4) Масло тёмное (грязное), запаха гари не имеет.Механик сказал срочно нужно менять гидроблок, т.к. такая разница в давлении весьма значительна.Действительно всё так критично или можно обойтись меньшими вложениями? Ничего критичного нет!!! Разброс давления не очень-то и большой, причиной может быть п.3 (низкий уровень) ЗАПРОСТО!!! Гидроблок менять НЕ НАДО!!! Там нет ничего такого, что может быть причиной разброса давления кроме грязи. Про цвет масла см. выше. На мой взгляд важен такой факт: в какую сторону разброс давления, избыток или нехватка давления! Этому "механику" БОЛЬШОЙ привет!
IGOSON Опубликовано 30 января, 2012 Опубликовано 30 января, 2012 Всем доброго времени суток!После морозов возникла проблема с коробкой, толчки при переключении и ошибка пару рас появлялась.Сделал диагностику, вот что написали:1) Выявлены ошибки по разнице давления АКПП - 0,3 - 0,4 бара.2) Теплообменник чистый.3) Низкий уровень масла АКПП (не хватало 400 гр.).4) Масло тёмное (грязное), запаха гари не имеет.Механик сказал срочно нужно менять гидроблок, т.к. такая разница в давлении весьма значительна.Действительно всё так критично или можно обойтись меньшими вложениями? Механик конечно красавец тебе попался. Ладно хоть не всю коробку приговорил под замену К ОФам на диагностику наверное ездил?
IGOSON Опубликовано 13 февраля, 2012 Опубликовано 13 февраля, 2012 (изменено) Ну вот и я занялся наконец коробкой своей. В конце прошлой недели загнал машину к своему мастеру, промыл гидроблок, поменял гидроклапаны, поменял масло. В процессе работы выявлено:1. клапана, скорее всего, уже были поменяны т.к. они имели фишки черного цвета, а родные вроде-как должны быть белыми;2. из коробки удалось слить только 1,5 литра масла - соответственно там его прилично не хватало, масло имело характерную черную окраску. Результат: коробка перебирает передачи гораздо плавнее, ошибка "Gearbox faulty" перестала появляться (раньше стабильно появлялась когда температура двигателя достигала 80 градусов). Изменено 13 февраля, 2012 пользователем IGOSON 1
ermak0805 Опубликовано 13 февраля, 2012 Опубликовано 13 февраля, 2012 в смысле 1,5 литра? после выкручивания второй пробки в акпп?как она работала?мне мастера по пежо сказали что в акпп после выкручивании второй пробки общий обьем должен быть 3,500-3,800.если не хватает доливаем до этого обьема.а сливают при температуре акпп градусов 40.
NIKOLAS Опубликовано 13 февраля, 2012 Опубликовано 13 февраля, 2012 Ну вот и я занялся наконец коробкой своей. В конце прошлой недели загнал машину к своему мастеру, промыл гидроблок, поменял гидроклапаны, поменял масло. В процессе работы выявлено:1. клапана, скорее всего, уже были поменяны т.к. они имели фишки черного цвета, а родные вроде-как должны быть белыми;2. из коробки удалось слить только 1,5 литра масла - соответственно там его прилично не хватало, масло имело характерную черную окраску. Результат: коробка перебирает передачи гораздо плавнее, ошибка "Gearbox faulty" перестала появляться (раньше стабильно появлялась когда температура двигателя достигала 80 градусов). Что в общем подтверждает мои слова. Еще у дилера надо бы новое программное обеспечение в компьютеры двигателя и АКПП залить. Рад за вас. Удачи на дорогах.
IGOSON Опубликовано 13 февраля, 2012 Опубликовано 13 февраля, 2012 Что в общем подтверждает мои слова. Еще у дилера надо бы новое программное обеспечение в компьютеры двигателя и АКПП залить. Рад за вас. Удачи на дорогах. Я вот слышал про то что меняют прошиву после замены гидроклапанов. Вопрос: Что это дает?
Рекомендуемые сообщения
Для публикации сообщений создайте учётную запись или авторизуйтесь
Вы должны быть пользователем, чтобы оставить комментарий
Создать аккаунт
Зарегистрируйте новый аккаунт в нашем сообществе. Это очень просто!
Регистрация нового пользователяВойти
Уже есть аккаунт? Войти в систему.
Войти