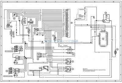
dwarfnikolay Опубликовано 7 марта, 2016 Опубликовано 7 марта, 2016 (изменено) Доброго всем времени суток. Приобрёл 405-тый, бывший владелец за место моновпрыска вколхозил карб от восьмёрки. Забрал моновпрыск и поставил обратно. Конструктивно моновпрыск как на приложеной картинке. Скачал с сети книжку по нему и немного не врублюсь. Я на схеме пометил патрубок, что на него подключается? В одной документации указано что туда вешается клапан холостого хода, в другой к нему подрубается система вентиляции кратерных газов. Что истина? И ещё вопрос - судя по схеме между половинками корпуса инжектора должна быть прокладка? Из чего она и где взять (ну или какой у неё артикул в магазинах)? Буду благодарен если дадите инфу по ремкомплекту с прокладками, резиновыми колечками и сеточками для форсунки. И люди добрые, у кого есть книжка по 405-том на русском в электронном виде? Мультимедийное приложение на русском есть но оно крайне неудобно. Изменено 7 марта, 2016 пользователем dwarfnikolay
AlexelA Опубликовано 7 марта, 2016 Опубликовано 7 марта, 2016 Мультимедийное приложение на русском естьМожешь его сразу выкинуть, и для начала скачать сервисбокс, чем старее - тем лучше, с учетом модели твоего авто...
dimon405 Опубликовано 7 марта, 2016 Опубликовано 7 марта, 2016 Моник гораздо менее надёжный чем карб. Расход такой же. Я бы не дергался.
АлексейR Опубликовано 7 марта, 2016 Опубликовано 7 марта, 2016 Моник гораздо менее надёжный чем карб. Расход такой же. Я бы не дергался.Моник все же в связке с ЭБУ работает, и если все остальные системы и датчики исправны, то должен быть эффективнее карба.Плюс возможно на ДПДЗ и на ДХХ завязаны АКПП и кондер....Надежность не могу сказать, вижу у знакомого мамонта гео метро, которой уже 25 лет. Ездит и нифига, почистил из за гуляния ХХ клапан пневматический и дальне катает
dimon405 Опубликовано 7 марта, 2016 Опубликовано 7 марта, 2016 Наш моник завязан на датчике разрежения, к которому тянутся трубочки, нескольких не дешёвых датчиков. Форсунка льёт в коллектор постоянно, точно как карбюратор. Кроме коррекции смеси по кислороду никаких выгод нет. Жрёт точно как карб, настройке не поддается, сканер его не читает. Я б не стал.
dwarfnikolay Опубликовано 11 марта, 2016 Автор Опубликовано 11 марта, 2016 Народ, дело в том что я из принципа заставлю его работать. Вчера снял из под капота проводку инжектора вместе с ЭБУ. Пока снимал часть проводов из разъёмов датчиков тупо отваливалась. Сегодня распотрошу, сделаю ревизию проводов и разъёмов, Если с проводами проблем нет (в магазине электро товаров любого сечения, что гофры что проводов) то встаёт вопрос с разъёмами, особенно с теми что надеваются прямо на датчики - есть что посоветовать для замещения из аналогов? На вскидку надо будет разъёмы на блок зажигания, форсунку, положения заслонки и привода моторчика холостого хода. Завтра солью тосол и сниму сами датчики и форсунку и галопом по автомагазинам, но боюсь что не найду нужное, больно экзотично выглядит. В крайнем случае можно конечно к датчикам припаять другие разъёмы но "колхозить" уж очень не хочется. по поводу сервис бокс - огромное спасибо за совет. Народ, кто не в курсе - это решит все ваши проблемы в плане документации и ей подобного - http://public.servicebox.peugeot.com(регимся как "иной специалист", на регистрации для частного лица там офигенный подъёб )
dwarfnikolay Опубликовано 11 марта, 2016 Автор Опубликовано 11 марта, 2016 Рано похвалил. Вся тех документация исключительно за бабло. - http://public.servicebox.peugeot.com
Мартын Опубликовано 11 марта, 2016 Опубликовано 11 марта, 2016 Рано похвалил. Вся тех документация исключительно за бабло. - http://public.servicebox.peugeot.com Халява давно закончилась!
dwarfnikolay Опубликовано 11 марта, 2016 Автор Опубликовано 11 марта, 2016 (изменено) Халява давно закончилась!А на рутрекере по прежнему праздник пиры дуют в их сторону Придётся по быстрому распечатать все схемы и удалить чтоб палева не было, мы же законопослушные граждане Изменено 11 марта, 2016 пользователем dwarfnikolay
AlexelA Опубликовано 11 марта, 2016 Опубликовано 11 марта, 2016 Рано похвалил. Вся тех документация исключительно за бабло. - http://public.servic...x.peugeot.com :facepalm: для начала скачать сервисбокс, чем старее - тем лучше, с учетом модели твоего авто...Хотя бы вот это: http://rutracker.org/forum/viewtopic.php?t=1993807обход блокировки рутрекера: http://lifehacker.ru/2016/02/05/kak-obojti-blokirovku/П.С. Шеф, не удаляй пока ссылки...
dwarfnikolay Опубликовано 11 марта, 2016 Автор Опубликовано 11 марта, 2016 :facepalm: Хотя бы вот это: http://rutracker.org/forum/viewtopic.php?t=1993807обход блокировки рутрекера: http://lifehacker.ru/2016/02/05/kak-obojti-blokirovku/П.С. Шеф, не удаляй пока ссылки...magnet:?xt=urn:btih:EDD2D04791E67D359F37EFEC1EFBC0A45D876F33&tr=http%3A%2F%2Fbt2.rutracker.cc%2Fann%3Fmagnet посвежее будет )
AlexelA Опубликовано 11 марта, 2016 Опубликовано 11 марта, 2016 посвежее будет )сервисбокс, чем старее - тем лучше, с учетом модели твоего авто...Внимательно прочитай... как знаешь...
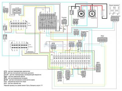
dwarfnikolay Опубликовано 11 марта, 2016 Автор Опубликовано 11 марта, 2016 Народ, кто объяснит зачем на блоке с реостатом охлаждающей жидкости аж 3 датчика температуры??? это при том что у меня ещё есть патрубок с врезом под ещё один датчик температуры (судя по схеме патрубков системы охлаждения).
AlexelA Опубликовано 11 марта, 2016 Опубликовано 11 марта, 2016 ты б картинку бы выложил, дабы было понятно, о чем речь ведешь...
dwarfnikolay Опубликовано 11 марта, 2016 Автор Опубликовано 11 марта, 2016 (изменено) Внимательно прочитай... как знаешь...скачается посмотрю. по сути в магазине на схемах есть всё кроме электросхемы, из за неё только и весь сыр-бор. Мне нужна точная распайка и схема подключения вот этого добра со всеми датчиками и реле: ЭБУ МагнетМарвелл G6.10-0A02, моновпрыск F16075 PSA 566-0010 с электроприводом клапана холостого хода. Описание работы и проверки датчиков и самого моновпрыска уже нашёл, как и коды самодиагностики и как её делать. Кстати, если я дома подрублю все датчики к ЭБУ и сделаю замкнутый цикл подачи жидкости для форсунки можно будет сымитировать работу цепи в целом собрав всю схему? Кстати судя по описанию датчик кислорода в выпускном коллекторе разогревается до 300 градусов принудительно, это реально так?ты б картинку бы выложил, дабы было понятно, о чем речь ведешь...20,18,15,14 - даже четыре датчика температуры. плюс ещё один в патрубке между двигателем и радиатором.Кстати, вот таким страшным он мне достался Вот основные элементы инжектора, наклейка с ЭБУ и табличка на "телевизоре"У меня появилось непреодолимое желание узнать кто этот "автоэлектрик" и что то сделать с этими проводами и его, простите, анусом. Это разъёмы форсунки, поворота заслонки, температуры двигателя, температуры охлаждающей жидкости, блока зажигания, разряжения и температуры воздуха. И чего это у меня инжектор нормально не работал? Остальная проводка не в лучшем состоянии, плюсом нашёл что плюсовой провод с АКБ в этой шине палёный, затронута изоляция соседних проводов в жгуте. Найти и обезвредить! Это я про "автолектрика".... Изменено 11 марта, 2016 пользователем dwarfnikolay
dimon405 Опубликовано 12 марта, 2016 Опубликовано 12 марта, 2016 Никогда не поверю что человек демонтировали исправный моник. А найти неисправность в демонтированной куче старья это сизифов труд. Его не легко починить даже когда он установлен на машине и начал дурить минуту назад. Капризная зараза он.
dwarfnikolay Опубликовано 12 марта, 2016 Автор Опубликовано 12 марта, 2016 Никогда не поверю что человек демонтировали исправный моник. А найти неисправность в демонтированной куче старья это сизифов труд. Его не легко починить даже когда он установлен на машине и начал дурить минуту назад. Капризная зараза он.Что может быть неисправным в этом монике в плане механики? Да он проще карбюратора раз в десять! Всё упирается в электрику. Надо будет вспомню как первые компы на коленке из мелкой логики собирал и сделаю мозги сам. ЭБУ на Z80H... Французы сдохнут от зависти, "Мисье знали толк в извращениях" уйдёт в историю.. Шучу конечно, но быть не может такого что то нормально работает, то начинает страдать, а через пару кочек снова всё в норме. Стопудово "сопли" или разъёмы гнилые. Разберусь с проводкой потом посмотрим. То что сейчас пере до мной лежит после снятия внешней обмотки жгута проводами назвать проблематично, всё что шло до моторного щита в хлам, в клочья и вообще звиздец, как провода так и разъёмы. Часть проводки поплавлено, часть разодрано, куча окислившихся скруток нашлось внутри жгута. В общем повесть а не проводка. Счаз срисовываю бывшую схему соединений. что куда шло, сервис бокс от 13 того года не помог, там мало того что 405 тый только в послерестайле, так там ещё и системы впрыска как у меня (системы впрыска XU5M)нет.
dimon405 Опубликовано 12 марта, 2016 Опубликовано 12 марта, 2016 Сразу видно что молодой, не побитый жизнью. Полгода с ним протрахаешься и карб поставишь. Датчик дросселя контактный, лепестки рвут дорожки напрочь. Остальные датчики тупо не разборные и стоят как вся машина.
dwarfnikolay Опубликовано 12 марта, 2016 Автор Опубликовано 12 марта, 2016 (изменено) Сразу видно что молодой, не побитый жизнью. Полгода с ним протрахаешься и карб поставишь. Датчик дросселя контактный, лепестки рвут дорожки напрочь. Остальные датчики тупо не разборные и стоят как вся машина.После ебли с ЭВМ на базе отечественной элементарной базе уже ничто не страшно Вы видели как микросхемы пополам ножовкой по металлу пилят чтоб они в корпус влезли? А я это делал Ещё в лохматом 90-том Так что дорожки восстановим, что не разберется - разберём, что не меняется поменяем. Зря что ли наши ракеты бороздят просторы космоса? Я же говорю, месье обзавидуются нашему рестайлу Но это позже, счаз надо жгут двигателя в чувство привести. Кстати вот структурная схема ( может у кого полная есть, с маркировкой номеров контактов разъёмов на датчиках, а не только на ЭБУ ? я свою то прозвоню и подрисую, вот только может что попутали до меня, надо бы проверить). Я вообще страшный человек. За плечами 5 курса политехнического лицея по специальности "мастер по ремонту и обслуживанию теле-радио и цифровой техники". Первый курс в спец предмете - слесарка. Мы тогда ржали, типа додумались телерадиомастерам молоток да зубило, накую? Потом год электрика, год КИПиА, и только потом два года по профилю. На пятом курсе когда микросхемы пилили, транзисторам корпуса обтачивали, из дтчиков температур автомобильных термопары выковыривали - всё поняли. Это Россия детка ) Изменено 12 марта, 2016 пользователем dwarfnikolay
dimon405 Опубликовано 12 марта, 2016 Опубликовано 12 марта, 2016 Был бы смысл в этом творчестве. А так твой пепелац ни на копейку не подорожает. Лучше заднюю балку перебери.
dwarfnikolay Опубликовано 12 марта, 2016 Автор Опубликовано 12 марта, 2016 (изменено) Был бы смысл в этом творчестве. А так твой пепелац ни на копейку не подорожает. Лучше заднюю балку перебери.Уже. Подшипники тракторные, по две шприцовки на каждый рычаг прямо в подшипники. . Правда с высотой немного промахнулся, занизил, надо ещё разочек торсионы выбить и подправить высоту.Был бы смысл в этом творчестве. А так твой пепелац ни на копейку не подорожает. Лучше заднюю балку перебери.может и не подоражает но зато приобретёт устойчивость к непомерным нагрузкам. Кузов у пепелаца просто супер, оцинкованый. Осталось дело за малым - вдохнуть в силовую установку ещё пару жизней Изменено 12 марта, 2016 пользователем dwarfnikolay
dwarfnikolay Опубликовано 15 марта, 2016 Автор Опубликовано 15 марта, 2016 Итак доброго всем времени суток. Сделал таблицу проводов обвязки инжектора (в прикреплённом архиве). Вроде всё совпадает кроме одного - контакт 29 ЭБУ за место того чтобы идти на +12 АКБ идёт на фишку соленоида вентиляции бака. К сожалению я "свалял дурака" - уже уложил провода в жгут, связал и обмотал изолентой. Получилось как с завода Вот теперь придётся похоже всё распотрошить чтобы проверить где косяк. В общем если у кого есть возможность проверить куда идёт 29-тый контакт с ЭБУ буду благодарен. Система впрыска Magneti Marelli G6. По заводской схеме этот контакт идёт на + АКБ на прямую. И ещё вопрос. У меня в разъёме на модуле зажигания четыре контакта, судя по схемам два управляющие с ЭБУ на катушки, один общий +12В и один на конденсатор от помех. Может я плохо искал но я не нашёл точной распайки этого разъёма со стороны катушки. Катушка у меня одна, без трамблёра. По существующему жгуту управляющие идут на первый и второй контакт разъёма, +12В на третий, конденсатора нет четвёртый разъём пустой. По схемам же в сети управляющие это контакты №1 и №3, +12В это контакт №2, конденсатора на некоторых схема вообще нет. В общем мне надо точную инфу по распиновке разъёма управления модуля зажигания.распиновки.zip
dwarfnikolay Опубликовано 16 марта, 2016 Автор Опубликовано 16 марта, 2016 (изменено) По 29-тому контакту ЭБУ отбой. Горе-электрики которые латали этот жгут после КЗ в цепи питания ЭБУ спутали два красных провода и не так их подключили, в итоге 12 вольт с АКБ пошло ещё одним проводом на реле бензонасоса (а я всё голову ломал накуя толстенный провод зашунтирован ещё и тонким?) а 29-тый контакт ЭБУ отправился на плюсовую клему соленоида продувки бензобака. Как инжектор умудрялся ещё кое как работать "до эпизода пожаротушения" (я на нём примерно 80 км от места покупки до гаража намотал) я ума не приложу,хотя какого хрена она глохла когда прогревалась до 80 градусов теперь понятно - эбу коротил сам себя через включение солиноида продувки бензобака, остыл - поехал дальше пока снова не прогрелся. Шесть раз по трассе останавливался , Вопрос с распайкой разъёма модуля зажигания по прежнему актуален. Изменено 16 марта, 2016 пользователем dwarfnikolay
dwarfnikolay Опубликовано 20 марта, 2016 Автор Опубликовано 20 марта, 2016 (изменено) Жгут электропроводки двигателя восстановил. Если надо могу выложить схему в цвете. Всё идёт к неисправности ЭБУ. В виду финансового кризиса купить новый нет возможности. Если есть у кого БУ рассмотрю предложения. Схемы самого блока в сети не нашёл, ролько распайку разъёма подключения. буду копать по старинке вызванивая все цепи, проблема в том что пока не сообразил как проверить живой ли сам микропроцессор и ПЗУ управления. Пока ищу даташиты и почию инфу на элементную базу. Если у кого есть буду благодарен. Досадно, но похоже ЭБУ сдох из за найденных в жгуте соплей и нарушения изоляции меду проводами. Надо было сразу жгут потрошить. Свинтил все датчики обвязки ЭБУ, буду делать что то типа стенда дома. В общем грустно, но пока не безнадёжно. Да, ЭБУ у меня то что на фото. Схема жгута черновая до ума доведу как время будет, пока и так всё видно нормально. Изменено 20 марта, 2016 пользователем dwarfnikolay
dwarfnikolay Опубликовано 20 марта, 2016 Автор Опубликовано 20 марта, 2016 Дело было не в бабине, долбоёб сидел в кабине. Азм и есть тот самы в кабине. Когда восстанавливал жгут перепутал два коричневых провода, в следствии чего ЭБУ осталась без основного питания подававшегося через основное реле. Единственное что не могу проверить дома так это работоспособность блока зажигания (торчит в машине, а нагрузки за место катушек цеплять опасаюсь) . Побежал пробовать на машине.
Рекомендуемые сообщения
Для публикации сообщений создайте учётную запись или авторизуйтесь
Вы должны быть пользователем, чтобы оставить комментарий
Создать аккаунт
Зарегистрируйте новый аккаунт в нашем сообществе. Это очень просто!
Регистрация нового пользователяВойти
Уже есть аккаунт? Войти в систему.
Войти