icechieff Опубликовано 12 октября, 2016 Опубликовано 12 октября, 2016 Знает ли кто где оно находится? Имею ввиду конкретно, а не "в блоке". Хочу знать где именно в блоке.Хочу вежливые поворотники, и хочу избавится от обманок на поворотниках. 607 рестайл.
SAtaN Опубликовано 12 октября, 2016 Опубликовано 12 октября, 2016 на 207 за передние и задние поворотники отвечают разные блоки и дается мне там не механические реле...
chizhik_pyzhik Опубликовано 12 октября, 2016 Опубликовано 12 октября, 2016 @icechieff, как вариант SEDRE и по проводам искать. может быть реально на ключах, а не реле, хоть сомнения и есть. А как хочешь реализовыввать "вежлвые" поворотники ? (и что за зверь? 3 моргания при нефиксированном нажатии на упр.рычаг?) как избавиться от обманок? цель? точно не скажу, но вроде цепь лампы (сопротивление) учувствует в RC(?) цепи поворотников, т.е. является одной из задающих частоту величин.
icechieff Опубликовано 12 октября, 2016 Автор Опубликовано 12 октября, 2016 @icechieff, как вариант SEDRE и по проводам искать.может быть реально на ключах, а не реле, хоть сомнения и есть. А как хочешь реализовыввать "вежлвые" поворотники ? (и что за зверь? 3 моргания при нефиксированном нажатии на упр.рычаг?)как избавиться от обманок? цель?точно не скажу, но вроде цепь лампы (сопротивление) учувствует в RC(?) цепи поворотников, т.е. является одной из задающих частоту величин.SEDRE AP это вариант, но у меня сейчас не установлены схемы, если у кого-то есть - с радостью бы посмотрел. Да, моргание от касания.Обманки сейчас стоят, т.к. в поворотниках стоят светодиоды.
chizhik_pyzhik Опубликовано 12 октября, 2016 Опубликовано 12 октября, 2016 Обманки сейчас стоят, т.к. в поворотниках стоят светодиоды.это понятно, но если проблема с руганью, то вроде бы проверка ламп отключается? (где то натыкался на такие пункты, правда для 508), если проблема в расположении обманки и её хочется убрать в блок- другое (просто по проводам иддешь, передние должны быть в PSF, но стоит учитывать, что часть мощьности рассеивается на сопротивлении и оно будет греться) если проблема в том, что хочется вообще без обманок - это уже с трудом представляю как, все равно защиту ставить надо. Ну и прикинь какой подарок потом будет, когда поставишь (сам или кто-нить) обычную лампу...
icechieff Опубликовано 12 октября, 2016 Автор Опубликовано 12 октября, 2016 если проблема с руганью, то вроде бы проверка ламп отключается? (где то натыкался на такие пункты, правда для 508),Я искал, но не нашел. Но может быть плохо искал. На с поворотами другая история, у них сделано что при понижении нагрузки они моргают чаще, и это раздражает. Для тойот, например есть специальное реле для светодиодных ламп, где и вежливые поворотники, и частота моргания регулируется, просто переставляешь, и всё. Понимаю, что у нас не отдельное, но вскрыть бы крышку у релюхи, да приделать "правильное" реле со всеми плюшками))))
icechieff Опубликовано 15 ноября, 2016 Автор Опубликовано 15 ноября, 2016 Наткнулся на релюхи в Сервисбоксе, и одна из них гуглится как реле поворотов. А рез так - всё упрощается)
Сергей_607 Опубликовано 18 ноября, 2016 Опубликовано 18 ноября, 2016 Такие две стоят за АБС отвечают, в подкапотном блоке предов. Если мне память не изменяет.
icechieff Опубликовано 29 ноября, 2016 Автор Опубликовано 29 ноября, 2016 Мужики, ну дайте схемку поворотов и аварийки, а ?
kostet Опубликовано 29 ноября, 2016 Опубликовано 29 ноября, 2016 А когда аварийка включена, неслышно где щелкает?
icechieff Опубликовано 29 ноября, 2016 Автор Опубликовано 29 ноября, 2016 А когда аварийка включена, неслышно где щелкает?Неа
chizhik_pyzhik Опубликовано 29 ноября, 2016 Опубликовано 29 ноября, 2016 @icechieff, вечерком попробую в СЕДРЕ залезть, кинь вин, или какую комплектацию смотреть (вдруг там несколько) 1
icechieff Опубликовано 29 ноября, 2016 Автор Опубликовано 29 ноября, 2016 @icechieff,вечерком попробую в СЕДРЕ залезть, кинь вин, или какую комплектацию смотреть (вдруг там несколько)607 рестайл, 2005 г, 2.2 бензин, мкпп, левый руль. OPR не помню((( Если можно - попробуй разные варианты. Вдруг отличия будут, хоть и не должно быть.
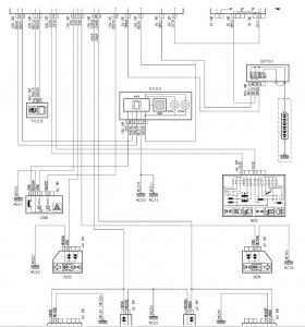
chizhik_pyzhik Опубликовано 29 ноября, 2016 Опубликовано 29 ноября, 2016 (изменено) Вот держи, правда взял с АКПП (про М забыл) и систему EW12J4 (вроде наиболее похоже на 2.2 бенз)607_pov_1.pdf607_pov_2.pdfЗЫпотом посмотрел на МКПП - таже схемаPSSCV00 - подрулевик0004 - приборкас подрулевика на BSI идет по CAN, с него на PSF1 по CAN, а от туда уже на фарыкстати, задние хоть и с BSI, но, похоже управляет все равно PSF (на схеме есть аналоговая обратная связь) Изменено 1 декабря, 2016 пользователем icechieff 2
icechieff Опубликовано 29 ноября, 2016 Автор Опубликовано 29 ноября, 2016 PSF это вроде подкапотный блок предов - офигенно, там всё на виду) Благодарю. С меня отчёт.Странно, что перед подключается от PSF1, а зад от BSI...
chizhik_pyzhik Опубликовано 29 ноября, 2016 Опубликовано 29 ноября, 2016 PSF это вроде подкапотный блок предовага Странно, что перед подключается от PSF1, а зад от BSI...там на блоксхеме видно что от ПСФ к БСИ идет аналоговый сигнал, возможно это и есть сигнал на задние, просто, чтоб не вести отделные 2 проводка от ПСФ до задка, пропустили через БСИ, а там в косе из кучки проводов пойдет . кстати, если ковырять будешь, присмотрись как большие разъемы разбираются (наверное на 607 такие же как 508), нужно вынуть один пин... разъем снял покрутил...замерз и собрал все в зад и пошел греться
icechieff Опубликовано 1 декабря, 2016 Автор Опубликовано 1 декабря, 2016 Вчера весь вечер копался, и хренушки. Рассматривая схему, мне кажется, что управление на релюшки поворотов идет по BM03 и BM08 (возможно не BM, а EM, плохо видно), и приходят они на 8-и контактный черный разъем (я ведь прав, именно это обозначает - 8V NR), или 6-ти контактный, опять же видно не очень. Но ни 8, ни 6 контактных нет разъемов на поем подкапотном блоке предов, он у меня L04. Подумал что опечатка, и полез смотреть в 28-и контактный черный - но там на 3 и 5 контактах провода совершенно разного сечения, один здоровенный, а второй подходящий вроде по размеру, но не будут же на левый и правый разные делать.Полез в BSI искать 2V GR (думаю что это 2-х контактный серый), но там 2-х контактных вообще нет. Провода что идут к поворотникам (285 и 286) нашел, они находятся так же как и на схеме. Но нужны мне не силовые на лампочки, а те ,что приходят на релюхи для включения. А вот тут пока затык.
Мартын Опубликовано 1 декабря, 2016 Опубликовано 1 декабря, 2016 Вчера весь вечер копался, и хренушки. Рассматривая схему, мне кажется, что управление на релюшки поворотов идет по BM03 и BM08 (возможно не BM, а EM, плохо видно), и приходят они на 8-и контактный черный разъем (я ведь прав, именно это обозначает - 8V NR), или 6-ти контактный, опять же видно не очень. Но ни 8, ни 6 контактных нет разъемов на поем подкапотном блоке предов, он у меня L04. Подумал что опечатка, и полез смотреть в 28-и контактный черный - но там на 3 и 5 контактах провода совершенно разного сечения, один здоровенный, а второй подходящий вроде по размеру, но не будут же на левый и правый разные делать.Полез в BSI искать 2V GR (думаю что это 2-х контактный серый), но там 2-х контактных вообще нет. Провода что идут к поворотникам (285 и 286) нашел, они находятся так же как и на схеме. Но нужны мне не силовые на лампочки, а те ,что приходят на релюхи для включения. А вот тут пока затык.Там нет аналогового управления - CAN.А после реле сила. 1
icechieff Опубликовано 1 декабря, 2016 Автор Опубликовано 1 декабря, 2016 А нет вероятности, что обновив прошиву BSI у меня появится опция вежливых поворотов?
Мартын Опубликовано 1 декабря, 2016 Опубликовано 1 декабря, 2016 А нет вероятности, что обновив прошиву BSI у меня появится опция вежливых поворотов?Нет.Такой режим был заявлен только после прихода 308. 1
icechieff Опубликовано 1 декабря, 2016 Автор Опубликовано 1 декабря, 2016 Эхх, как же на*бать судьбу... Будем думать, может что-нибудь по силовому можно подключить...
chizhik_pyzhik Опубликовано 1 декабря, 2016 Опубликовано 1 декабря, 2016 (изменено) Рассматривая схему, мне кажется, что управление на релюшки поворотов идет по BM03 и BM08неа - это линии питания, смотри внимательней, они через PSF на блок предов далее на АКБ идут, т.е. можно предположить, что это питание BSI, да и вообще все линии с обозначение В - это "+линии питания", М - "масса", Z - "+", но типа АСС или вроде того. Так что остаются только CAN - витая пара 9017/9018 с "А" на конце в PSF и с "С" на конце в BSI (где-то срощены, скорей в салоне). попробую схему скриншотом сохранить, что-то действительно видно хреново... у тебя точно рестайл? попробую дорест, может там по схеме сойдется... Изменено 1 декабря, 2016 пользователем chizhik_pyzhik
chizhik_pyzhik Опубликовано 1 декабря, 2016 Опубликовано 1 декабря, 2016 О! о проводах два первых знака кодов проводов имеют следующее значение первый знак B : + аккумуляторная батарея (BM01A) M : масса (MC25F) C : + APC (CM04E) второй знак M : масса (MM01) E : электрический (связанный с компьютером) (ME04) C : кузов, кабина (MC50N) черный NR красный RG желтый JN белый BA коричневый MR зеленый VE голубой BE оранжевый OR серый GR многоцветный MC теперь скрины с дорестайла (некоторые увеличил, чтоб виднее было, склеишь тогда) тут все с BSI идет: Забавно, похоже, сигнал с подрулевика кодируется сопротивлениями ?!? 1
icechieff Опубликовано 9 декабря, 2016 Автор Опубликовано 9 декабря, 2016 и тишинааа....помогло?неа) Там всё так закручено... В общем нашел только два провода, на передние левый и правый повороты. По схеме задние идут отдельно. Если это действительно так, то не видел блоков "вежливых" поворотов с 4 проводами. А вот если перед всё-таки соединён с задними (в чём я сомневаюсь, т.к. однажды у кореша в прицепе коротил один фонарь, и BSI отключал ему оба задних поворота, при этом передние работали) то тогда есть блоки управляющие силовым плюсом. Но пока небыло времени прозвонить перед с задом. Пока вот так(
Рекомендуемые сообщения
Для публикации сообщений создайте учётную запись или авторизуйтесь
Вы должны быть пользователем, чтобы оставить комментарий
Создать аккаунт
Зарегистрируйте новый аккаунт в нашем сообществе. Это очень просто!
Регистрация нового пользователяВойти
Уже есть аккаунт? Войти в систему.
Войти