anyan Опубликовано 11 декабря, 2016 Опубликовано 11 декабря, 2016 ЗДРАВСТВУЙТЕ.ПРОБЛЕМА ТАКАЯ,САЛОН СИЛЬНО ПОТЕЕТ.АНТИФРИЗ В ПОРЯДКЕ,ПОТЁКОВ НЕТ,САЛОННЫЕ ФИЛЬТРА В ПОРЯДКЕ. СКОРЕЕ ВСЕГО ЗАКРЫТА ЗАСЛОНКА ЦИРКУЛЯЦИИ.КАК МОЖНО ЕЁ ОТКРЫТЬ ВРУЧНУЮ В ДОМАШНИХ УСЛОВИЯХ?ЕСЛИ МОЖНО ПОШАГОВО.СПАСИБО.ЖДУ ОТВЕТА
anyan Опубликовано 12 декабря, 2016 Автор Опубликовано 12 декабря, 2016 ЗДРАВСТВУЙТЕ.ПРОБЛЕМА ТАКАЯ,САЛОН СИЛЬНО ПОТЕЕТ.АНТИФРИЗ В ПОРЯДКЕ,ПОТЁКОВ НЕТ,САЛОННЫЕ ФИЛЬТРА В ПОРЯДКЕ. СКОРЕЕ ВСЕГО ЗАКРЫТА ЗАСЛОНКА ЦИРКУЛЯЦИИ.КАК МОЖНО ЕЁ ОТКРЫТЬ ВРУЧНУЮ В ДОМАШНИХ УСЛОВИЯХ?ЕСЛИ МОЖНО ПОШАГОВО.СПАСИБО.ЖДУ ОТВЕТА.ГДЕ ЕЁ МОЖНО ОТКРЫТЬ ПОД БАРДАЧКОМ ИЛИ СНИМАТЬ ТОРПЕДУ?
dimon405 Опубликовано 12 декабря, 2016 Опубликовано 12 декабря, 2016 На другом форуме разжёвано. Гугли. Пробуй выставить желаемую температуру выше, там заумное управление этой заслонкой.
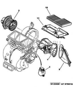
anyan Опубликовано 14 декабря, 2016 Автор Опубликовано 14 декабря, 2016 ДЕЛО БЫЛО В Мотор заслонки отопителя под номером 3 ,CITROEN/PEUGEOT АРТИКУЛ 6447.NL .У МЕНЯ ПРАВДА СТОЯЛ ФИРМЫ VALEO.ЛЕГКО СНИМАЕТСЯ ПОД БАРДАЧКОМ МОТОРЧИК,ОТКРЫВАЕШЬ ЗАСЛОНКУ ФИКСИРУЕШЬ КАК -БУДЬ ОТКРЫТОЙ. НЕ СТАЛ СТАВИТЬ ДРУГОЙ С ОТКРЫТОЙ НЕПЛОХО .
LrG Опубликовано 22 января, 2017 Опубликовано 22 января, 2017 А подскажи, до самой заслонки возможно добраться не снимая пол торпеды, чтобы провести с ней профилактические работы?
anyan Опубликовано 23 января, 2017 Автор Опубликовано 23 января, 2017 А подскажи, до самой заслонки возможно добраться не снимая пол торпеды, чтобы провести с ней профилактические работы?МОЖНО ТАК И ДОБТРАЛИСЬ ДО НЕЁ.Я САМ НЕ УЧАСТВОВАЛ НЕ ВИДЕЛ,НО ДРУГ ЗАЛЕЗ ПОД БОРДАЧКОМ.ТОЕСТЬ СНИМАЛ ЕГО.
Киприот Опубликовано 24 января, 2017 Опубликовано 24 января, 2017 Заслонка в вашем случае (у меня просто руль правый) находится за бардачком, там идёт воздуховод, его видно хорошо, со стороны салонного фильтра подходит. И вот на стыке воздуховода и вентилятора обдува есть часть трубы с резиновой оконтовкой, которая как бы прижимается к вентилятору тем замым "открывая заслонку" и в случае "закрытия заслонки" она отжимается от вентилятора уезжая в глубь воздуховода, тем самым позволяя вентилятору просто черпать воздух с салона.Там кстати слабое место у всего воздуховода в паралоновых уплотнениях на стыках и изгибах.Я после проведения работ по уплотнению всей этой херни, чуть не наелся этой дряни, которая в лицо полетела ошмётками...Со временем уплотнение рассыпается от разных температур и начинает всасывать воздух из всех щелей. А куски этой трухи естественно вылетают при обдуве салона.
Рекомендуемые сообщения
Для публикации сообщений создайте учётную запись или авторизуйтесь
Вы должны быть пользователем, чтобы оставить комментарий
Создать аккаунт
Зарегистрируйте новый аккаунт в нашем сообществе. Это очень просто!
Регистрация нового пользователяВойти
Уже есть аккаунт? Войти в систему.
Войти