Andrey508 Опубликовано 28 декабря, 2016 Опубликовано 28 декабря, 2016 Можно мануал по снятию решетки радиатора? Продырявил ее и погнул раму после нее фаркопом впереди идущей машины..
chizhik_pyzhik Опубликовано 28 декабря, 2016 Опубликовано 28 декабря, 2016 @Andrey508, какую именно? там вроде бы все вместе с бампером снимается... откручиваешь подкрылки, откручиваешь винты сверху сначала 4 покрупней, потом остальные помельче, потом снизу снимаешь защиту (может и до верхних винтов), потом снимаешь "клопов", отцепляешь разъемы туманок, омываек и пр. что там еще есть. снимать лучше вдвоем, подготовить место куда класть весь бампер, чтоб не зацарапать. Точнее могу через пару дней посмотреть вылложить 1
Andrey508 Опубликовано 3 января, 2017 Автор Опубликовано 3 января, 2017 (изменено) @Andrey508, какую именно?там вроде бы все вместе с бампером снимается...откручиваешь подкрылки, откручиваешь винты сверху сначала 4 покрупней, потом остальные помельче, потом снизу снимаешь защиту (может и до верхних винтов), потом снимаешь "клопов", отцепляешь разъемы туманок, омываек и пр. что там еще есть. снимать лучше вдвоем, подготовить место куда класть весь бампер, чтоб не зацарапать. Точнее могу через пару дней посмотреть вылложить Да, выложите пожалуйста, радиаторная решетка - та часть на которую номерной знак навинчивается..уже пришла запчасть с Китая..Буду пытаться менять после того как там раму выправят. Изменено 3 января, 2017 пользователем Andrey508
chizhik_pyzhik Опубликовано 3 января, 2017 Опубликовано 3 января, 2017 @Andrey508, прошу пардона, я "в загуле", только сегодня до компа добрался... завтра, если время будет, выложу. или можешь сам попробовать поисскать на форуме/клубе 508, там Иван и еще кто-то выкладывали отчеты с фотками, может быть так быстрее получится, и наглядней
Andrey508 Опубликовано 4 января, 2017 Автор Опубликовано 4 января, 2017 @Andrey508, прошу пардона, я "в загуле", только сегодня до компа добрался...завтра, если время будет, выложу. или можешь сам попробовать поисскать на форуме/клубе 508, там Иван и еще кто-то выкладывали отчеты с фотками,может быть так быстрее получится, и наглядней Уже снял , похоже одной решеткой не обойтись - как в каталоге Пежо называются части обведенные и указанные стрелочками?http://zalil.su/6582470http://zalil.su/4221579
chizhik_pyzhik Опубликовано 8 января, 2017 Опубликовано 8 января, 2017 508 - W2F 7 74A01A - ПЕРЕДНИЙ БАМПЕР.zip @Andrey508, может это как-то поможет...
Andrey508 Опубликовано 23 января, 2017 Автор Опубликовано 23 января, 2017 508 - W2F 7 74A01A - ПЕРЕДНИЙ БАМПЕР.zip@Andrey508, может это как-то поможет...спасибо, там все без номеров частей..ну я так заказал по фото все необходимые запчасти б/у Осталось понять только почему после этой аварии не крутится вентилятор в радиаторе..отсоединил клеммы подходящие к мотору и замерил напряжение на них - показывает напряжение от 7 до 9 Вольт постоянного тока, так должно быть? там выше разъем тоже идет(весь разболтавшийся) так на нем 14 с чем-то вольт..Все измерял при включенном и нагретом двигателе.
chizhik_pyzhik Опубликовано 23 января, 2017 Опубликовано 23 января, 2017 @Andrey508, А вентилятор то вообще крутится? а то может его на оси перекосило? Со слов не совсем понятно что и где, но, тот что рабболтался посадить на место, чтоб сидел как надо, там где 7-8В скорее всего это первая скорость вентилятора, но это нужно проверять, кстати, а прибором (лексия) диагностику делал?
Andrey508 Опубликовано 30 января, 2017 Автор Опубликовано 30 января, 2017 (изменено) вентилятор прокручивается рукой, легко.диагностику не делал. есть odbc по блютузу, так приложение не выдает ошибок..странно все это..вообщем придут запчасти, на место все поставит механик тогда буду дальше смотреть Изменено 30 января, 2017 пользователем Andrey508
Andrey508 Опубликовано 2 мая, 2017 Автор Опубликовано 2 мая, 2017 все поставили..вентилятор все равно не крутится, ошибка по температуре масла сразу же хотя двигатель холодный..посоветовали поменять radiator fan motor relay resistor 1267J6. Купил новый сегодня, поменял - все тоже самое. Вопрос - может у кого есть электрическая схема включения вентилятора радиатора для Allure? Похоже в ней только смогу найти откуда идут источники ошибок и не включения вентилятора.
Andrey508 Опубликовано 2 мая, 2017 Автор Опубликовано 2 мая, 2017 Да, б\у запчасти..разные континенты..плюс доставка морем.
chizhik_pyzhik Опубликовано 10 мая, 2017 Опубликовано 10 мая, 2017 Вопрос - может у кого есть электрическая схема включения вентилятора радиатора для Allure? Похоже в ней только смогу найти откуда идут источники ошибок и не включения вентилятора.двигатель какой?
chizhik_pyzhik Опубликовано 24 мая, 2017 Опубликовано 24 мая, 2017 @Andrey508, так я вроде бы уже выкладывал эти схемы? ладно, доберусь до СДЕРЕ еще раз сделаю, сейчас как-то несподручно... тем временем, может еще кто подмогнет... а что случилось? вдруг перестал работать или ДТП? И это, дигностику бы лексией сделать, может быть все встанет на свои места... 1
Andrey508 Опубликовано 24 мая, 2017 Автор Опубликовано 24 мая, 2017 а что случилось? вдруг перестал работать или ДТП?После ДТП. Схему тут для вентилятора не нашел.
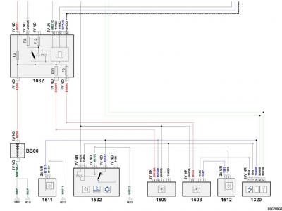
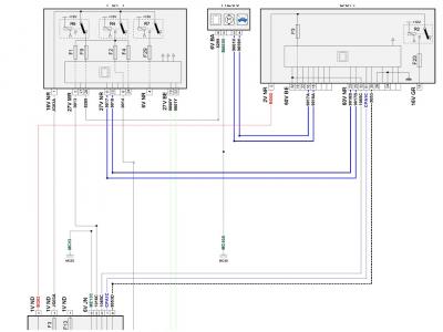
chizhik_pyzhik Опубликовано 24 мая, 2017 Опубликовано 24 мая, 2017 (изменено) Кто-то с похожей проблеймой маялся, точно помню, что схемы давал, возможно на другом форуме, попробуй на форуме 508-х посмотреть, может быть там это было... у меня сейчас под рукой нету ничего как появится - выложу...ну и напомни о себе дня через 3-4, если забуду. вот кое что нашел , есть 2 варианта 1 ДВУХСКОРОСТНОЙ ЭЛЕКТРОННЫЙ ВЕНТИЛЯТОР 140 ВТ 1 ВЕНТИЛ. ЭЛЕКТРОННЫЙ С ИНТЕГРИРОВ. ВЫКЛ., 300 ВТ по какому схема нужна? а собсно, держи все...правда только так, сопоставить и склиеть сам наверное сможешь, по названиям более менее ясно что к чему... 1 2 Единственное, мне не видно тут КАН-шины (провода 9000), они на схеме светло-зеленые, а на картинках не видно их...возможно глюк моего монитора... идут от PSF до блока 1320, но можно по номерам проводов дорисовать... Удачи. Изменено 24 мая, 2017 пользователем chizhik_pyzhik
Рекомендуемые сообщения
Для публикации сообщений создайте учётную запись или авторизуйтесь
Вы должны быть пользователем, чтобы оставить комментарий
Создать аккаунт
Зарегистрируйте новый аккаунт в нашем сообществе. Это очень просто!
Регистрация нового пользователяВойти
Уже есть аккаунт? Войти в систему.
Войти