Ксюша Опубликовано 26 августа, 2011 Опубликовано 26 августа, 2011 В заводской комплектации автомобиля присутствует установленный Webasto. Как запустить и запрограммировать Webasto? И с чего он программируется? Через общий компьютер? Есть еще блочок GPRS громкой связи. Подскажите кто сталкивался, а то никак не могу запустить. Информации нет - все описание на французском (скоро зима, а у нас на севере холодно)
icechieff Опубликовано 27 августа, 2011 Опубликовано 27 августа, 2011 Вот тут есть на русском: https://peugeot-lab.net/forum/topic/11/ =)
Камень Опубликовано 30 мая, 2012 Опубликовано 30 мая, 2012 (изменено) У нас на Пежо 807 стоят Thermo Top E/C/P/Z подогреватели. А вот ссылочка на переделку Webasto, чтоб работала с брелока http://mikrob.ru/viewtopic.php?f=497&t=94971&sid=778869782904ea306f3199f2f5cd7f9e Изменено 1 ноября, 2020 пользователем icechieff
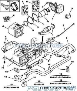
Камень Опубликовано 16 октября, 2012 Опубликовано 16 октября, 2012 Господа? Где находится реле на вебасту?Номер детали 9.
Mocovod Опубликовано 21 января, 2013 Опубликовано 21 января, 2013 подскажите, почему Вебаста не хочет запускаться сама, а только после принудительного запуска через шнурок. в ту зиму всё было нормально.
amgrs Опубликовано 30 октября, 2013 Опубликовано 30 октября, 2013 (изменено) подскажите, почему Вебаста не хочет запускаться сама, а только после принудительного запуска через шнурок. в ту зиму всё было нормально.Если при работе мотора не запускается вибаста нужно как минимум сделать диагностику. У меня была таже проблемма комп мотора не видел вибасту. РР2000 выдавал ошибку о коротком замыкании в проводе управления вибастой с компа мотора. Все дело было в проводке и перетертых проводах. Из блока BSM выходит нижний правый жгут проводов. Так в этом жгуте перетерлись четыре провода. Сие действие произошло в жгуте в районе стакана топливного фильтра. Также из за некоректной работы дополнительного подогрева переодически выскакивал чек по мотору (горела мясорубка) и повышались обороты холостого хода до 1200. После востановления и ремота проводки все встало в норму. Вибаста работает, чека нет, обороты холостого хода не плавают Изменено 30 октября, 2013 пользователем amgrs 1
Рекомендуемые сообщения
Для публикации сообщений создайте учётную запись или авторизуйтесь
Вы должны быть пользователем, чтобы оставить комментарий
Создать аккаунт
Зарегистрируйте новый аккаунт в нашем сообществе. Это очень просто!
Регистрация нового пользователяВойти
Уже есть аккаунт? Войти в систему.
Войти