Valent Опубликовано 21 февраля, 2017 Опубликовано 21 февраля, 2017 Всем привет! Партнёр типи 2011года грузовик. Не работает водительский стеклоподъемник. Правый работает отлично, а вот он.... Нажимаешь на кнопку, что вверх, что вниз никакой реакции, щелчки из моторчика слышно и все. Решил разобраться. Полазил в интернете, вспомнил, что сам вроде как инженер и закатал рукава. Сначала проверил предохранители, норма. Снял обшивку двери, проверил фишки, норма. Отсоединил разъём в стойке и вытащил весь жгут проводов, проверил и нашёл два разорванных провода( зелёный и синий), ну, думаю, вот оно!, зачистил, соединил, заизолировал и все на место. Хрен то там!!! Только электро зеркало и его обогрев заработали.Взял на разборке стеклоподъемник в сборе, поменял(думал, может моторчику хана) Нифига! Взял другой жгут проводов( может, я не все разрывы на своём нашёл?) Нихрена! Купил новую оригинальную кнопку(Valeo), поменял. Фигушки!!! Тупик. Надо мной нависла серьезная опасность нервного срыва. Народ, помогите, подскажите чего-нибудь.
dimon405 Опубликовано 22 февраля, 2017 Опубликовано 22 февраля, 2017 Какой же из тебя инженер,если ты не подал напряжение напрямую и не прозвонил провода на излом? Чудес не бывает.
Valent Опубликовано 22 февраля, 2017 Автор Опубликовано 22 февраля, 2017 Какой же из тебя инженер,если ты не подал напряжение напрямую и не прозвонил провода на излом? Чудес не бывает.Ты, видимо, невнимательно читал. Провода я не только прозвонил, но и нашёл разрывы, а потом вообще весь жгут менял. По напряжению- подав его напрямую,я смогу проверить работоспособность моторчика. Он рабочий, мало того, я его тоже менял. Лучше бы толковое что написал.
chizhik_pyzhik Опубликовано 22 февраля, 2017 Опубликовано 22 февраля, 2017 @Valent, а какой жгут менял? где проверял? правое закрывается с правой двери или с левой тоже?
Valent Опубликовано 22 февраля, 2017 Автор Опубликовано 22 февраля, 2017 @Valent, а какой жгут менял? где проверял? правое закрывается с правой двери или с левой тоже?Жгут, я имел в виду, это вся проводка с фишками, которая находится в двери и выходит из неё и в виде большого разъёма в проем между дверью и стойкой. Разрывы нашёл как раз в месте сгиба там , где петли дверные.По поводу закрывания-у меня всего две кнопки(левая и правая) и они находятся на торпеде. Так у всех "типишек" по-моему, и у легковых и и у грузовых. Могу ошибаться, но у меня так.
chizhik_pyzhik Опубликовано 22 февраля, 2017 Опубликовано 22 февраля, 2017 @Valent, т.к. моторчик щелкает (точно моторчик?), то сигнал на него приходит, может стекло заклинило? сканер есть? ошибки есть какие? жгут поменян только в двери? а кнопка-то не в двери (наверное так у всех, точно не скажу, не заморачивался), а на пенели, т.е. еще и тут проводка есть...
Valent Опубликовано 22 февраля, 2017 Автор Опубликовано 22 февраля, 2017 @Valent, т.к. моторчик щелкает (точно моторчик?), то сигнал на него приходит,может стекло заклинило?сканер есть? ошибки есть какие?жгут поменян только в двери? а кнопка-то не в двери (наверное так у всех, точно не скажу, не заморачивался),а на пенели, т.е. еще и тут проводка есть...Щелкает точно моторчик, там и нет больше ничего. Стекло точно не заклинило, я же его открутил от всего механизма стеклоподъемника когда этот механизм с моторчиком менял. Жгут менял только в двери. От кнопки отростк уходит в "канат" и внедра панели. Менять его геморойно. Сканер есть, за пойду ошибки посмотрю. Вообще я грешу на "БСИ"шку, говорят, там может быть глюк с управляющим сигналом.
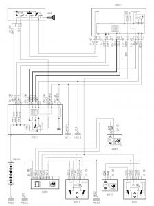
chizhik_pyzhik Опубликовано 22 февраля, 2017 Опубликовано 22 февраля, 2017 (изменено) @Valent, не знаю какой именно у тебя партнер, но вот подобрал схемки (думаю если и не совпадают на 100%, то очень близки) обрати внимание на некий блок 6030! и никакого управляющего с БСИ, именно 6030 с него идет управление левым стеклоподъемником, смотреть нужно сигналы с него... собс-но перед заменой всего и нужно было смотреть и прозванивать все. Изменено 22 февраля, 2017 пользователем chizhik_pyzhik 2
Valent Опубликовано 22 февраля, 2017 Автор Опубликовано 22 февраля, 2017 Вообщем так, мужики, сегодня убедился, что теория вероятности и закон подлости это реальные вещи!!! Решил все проанализировать снова, с самого начала. Свой моторчик стеклоподъемника я проверял напрямую, он рабочий. После этого нашёл обрыв проводов, устранил и воткнул жгут на место.Без результата. Потом на разборке взял жгут и моторчик, все вместе поменял. Нифига. Потом менял кнопку. Нифига. Сейчас решил воткнуть свой моторчик обратно и ... Чудо, все заработало!!! Оказывается моторчик с разборки был нерабочий и кнопка моя первая была нерабочая!!!! А я , дурень, втыкал мотор с разборки не проверяя( да ты че , братан, у нас все рабочее,ставь смело) Вот так. Спасибо большое мужики за дельные советы и извините,что зря вас напряг! 1
Мартын Опубликовано 23 февраля, 2017 Опубликовано 23 февраля, 2017 Вообщем так, мужики, сегодня убедился, что теория вероятности и закон подлости это реальные вещи!!! Решил все проанализировать снова, с самого начала. Свой моторчик стеклоподъемника я проверял напрямую, он рабочий. После этого нашёл обрыв проводов, устранил и воткнул жгут на место.Без результата. Потом на разборке взял жгут и моторчик, все вместе поменял. Нифига. Потом менял кнопку. Нифига. Сейчас решил воткнуть свой моторчик обратно и ... Чудо, все заработало!!! Оказывается моторчик с разборки был нерабочий и кнопка моя первая была нерабочая!!!! А я , дурень, втыкал мотор с разборки не проверяя( да ты че , братан, у нас все рабочее,ставь смело) Вот так. Спасибо большое мужики за дельные советы и извините,что зря вас напряг!А откуда они на разборке могут знать о работе того или другого агрегата?Я даже не удивляюсь.
Valent Опубликовано 23 февраля, 2017 Автор Опубликовано 23 февраля, 2017 А откуда они на разборке могут знать о работе того или другого агрегата?Я даже не удивляюсь.Согласен. Сам тупанул. И вас взбаламутил зря. Отдельное спасибо chizhik-pyzhik.
Рекомендуемые сообщения
Для публикации сообщений создайте учётную запись или авторизуйтесь
Вы должны быть пользователем, чтобы оставить комментарий
Создать аккаунт
Зарегистрируйте новый аккаунт в нашем сообществе. Это очень просто!
Регистрация нового пользователяВойти
Уже есть аккаунт? Войти в систему.
Войти