Перейти к содержанию

Группа в Telegram - https://t.me/peugeot_lab

Рекомендуемые сообщения

Опубликовано

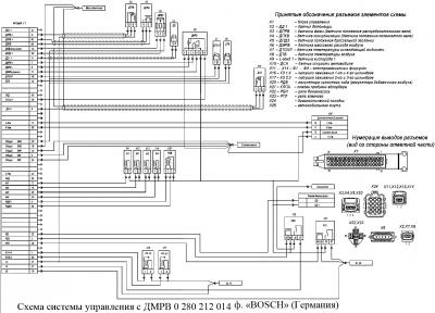
Доброго времени,такая проблема,стоял двигатель объемом 1.6i,заменили двигатель на 1.8і,при замене профессора обрезали фишку на датчик детонации с блока управления,на двигателе стоит но не подключен, обрезали без моего участия, двигатель колбасит,уже за 5 к поменял 2 прлушки, верхние,на разгон не идет,ну и расход само собой,куда лезть и как найти контакты?

Опубликовано

 

 


уже за 5 к поменял 2 прлушки, верхние,

Вот ,что это?

 

 


,куда лезть и как найти контакты?

Брать схему и искать в косе,в любом случае эти два провода будут в разьёме ЭБУ( моторника).

Для публикации сообщений создайте учётную запись или авторизуйтесь

Вы должны быть пользователем, чтобы оставить комментарий

Создать аккаунт

Зарегистрируйте новый аккаунт в нашем сообществе. Это очень просто!

Регистрация нового пользователя

Войти

Уже есть аккаунт? Войти в систему.

Войти
×
×
  • Создать...