by7 Опубликовано 17 сентября, 2011 Опубликовано 17 сентября, 2011 при разгоне начала проваливать и вскоре заглохла на ходу, через 15 мин запустилась, чтобы заглохнуть через 200 м ...... симптомы: при вкл. зажигания не включается насос(не поступает питание); при включении стартера насос срабатывает, но авто не запускается..... на сегодня: проверил все предохранители, инерционный выключатель ТН в норме, заменил топливный фильтр - проблема осталась(проехал 6-7 км и снова заглох...) предположения: грешу на сдвоенное реле, т.к. от него не идет питание, но , как я понимаю, управляется оно от ЭБУ......при замыкании НР и НО контактов в колодке сдвоенного реле насос срабатывает.... ВОПРОС: в каких случаях и при каких сбоях ЭБУ может отключать насос? заранее благодарен за любую полезную информацию!....
by7 Опубликовано 17 сентября, 2011 Автор Опубликовано 17 сентября, 2011 при считывании кодов обнаружились следующие: 52 - несоотв. давление топлива(если ошибаюсь - поправьте...)............ была мысль о неисправности насоса, но сбивает с толку отсутствие питания на нем при включении зажигания....
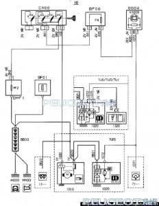
by7 Опубликовано 18 сентября, 2011 Автор Опубликовано 18 сентября, 2011 может у кого есть схема реле топл. насоса???.....буду признателен)))........
icechieff Опубликовано 18 сентября, 2011 Опубликовано 18 сентября, 2011 может у кого есть схема реле топл. насоса???.....буду признателен)))........можно поискать, но нужен вин-номер...
by7 Опубликовано 19 сентября, 2011 Автор Опубликовано 19 сентября, 2011 можно поискать, но нужен вин-номер...VF31CNFZT51813747
Gumanoid Опубликовано 27 сентября, 2011 Опубликовано 27 сентября, 2011 Здравствуйте! Собираюсь разбирать Citroen ZX 1994 г.в. слышал что с 106-ми у них много общего может чем помогу в плане запчастей
icechieff Опубликовано 27 сентября, 2011 Опубликовано 27 сентября, 2011 может у кого есть схема реле топл. насоса???.....буду признателен)))........схема запуска двигателя Peugeot 106.rar
by7 Опубликовано 1 октября, 2011 Автор Опубликовано 1 октября, 2011 схема запуска двигателя Peugeot 106.rarвсем спасибо! вопрос решил, схемы нашел(кстати ваш архив открыть не получилось...)....... В ИТОГЕ:...причина была в сдвоенном реле - слабый + питания обмотки реле насоса.....а заодно заменил насос и обнаружил неисправность одной форсунки (так же заменил,вот только с поиском аналога устал - поставил то, что нашел соответствующее по размеру и близкое по сопротивлению. результат - авто поехало! )....... Здравствуйте! Собираюсь разбирать Citroen ZX 1994 г.в. слышал что с 106-ми у них много общего может чем помогу в плане запчастейспасибо, буду иметь ввиду.......вот только с унификацией не уверен.... 1
Рекомендуемые сообщения
Для публикации сообщений создайте учётную запись или авторизуйтесь
Вы должны быть пользователем, чтобы оставить комментарий
Создать аккаунт
Зарегистрируйте новый аккаунт в нашем сообществе. Это очень просто!
Регистрация нового пользователяВойти
Уже есть аккаунт? Войти в систему.
Войти