RASSL Опубликовано 12 июня, 2018 Опубликовано 12 июня, 2018 (изменено) всем привет!!!купил ПЕЖО 607 HDi 2.2 АКПП.все супер все нравится даже больше.только есть 3 проблемы которые не дает покоя. 1-ая причина. при нажатии кнопки (1 или 2 не важно) памяти водительского сиденья двигается пассажирское сиденье,вместо водительского. 2-ая причина. далее при настройке зеркал заднего вида (например)хотим отрегулировать водительское зеркало а регулировка происходит на правом зеркале пассажирском. 3-я причина. передние стекло подъемники,опускаем или подымаем водительское стекло,а опускается или подымается пассажирское.короче все работает в зеркальном отображении.прошлый хозяин сказал где то перепутали местами штекера. ОБЪЯСНИЛ КАК МОГ.просьба ребят кто знает в чем причина подскажите где искать штекер или причину. Изменено 13 июня, 2018 пользователем RASSL
Bacilla Опубликовано 13 июня, 2018 Опубликовано 13 июня, 2018 (изменено) ИМХО, бока программирования BSI или платы двери.Блок памяти, BSI и плата двери (управления) общаются по кан-шине.Перепутать провода нереально. Изменено 13 июня, 2018 пользователем Bacilla 1
RASSL Опубликовано 13 июня, 2018 Автор Опубликовано 13 июня, 2018 спасибо.только не чего не понял вообще...
Bacilla Опубликовано 14 июня, 2018 Опубликовано 14 июня, 2018 Такое ощущение, что твоя машина думает, что она праворульная. И все регулировки для водителя - делает пассажиру.Просто перепутать провода таким образом - очень сложно.Или поставили какой-то блок с английской разборки или проводку целиком. Или что-то напрограммировали в BSI. -1
RASSL Опубликовано 14 июня, 2018 Автор Опубликовано 14 июня, 2018 на счет этого я тоже думал.а блок памяти водительского сиденья где находится?? у меня под пассажирским сиденьем правильно или намудрили????
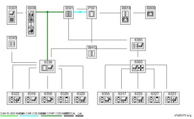
Bacilla Опубликовано 14 июня, 2018 Опубликовано 14 июня, 2018 Если планируешь сам разобраться, качай ServiceBox. Ссылок здесь полно. А блок памяти примерно в этом месте: тут его разъем обозначен.
Рекомендуемые сообщения
Для публикации сообщений создайте учётную запись или авторизуйтесь
Вы должны быть пользователем, чтобы оставить комментарий
Создать аккаунт
Зарегистрируйте новый аккаунт в нашем сообществе. Это очень просто!
Регистрация нового пользователяВойти
Уже есть аккаунт? Войти в систему.
Войти