Яуген Опубликовано 3 февраля, 2020 Опубликовано 3 февраля, 2020 Срочная необходимость в электросхемах подключения подушек безопасности. Машина Пежо 207 2006 года VIN vf3wckfuc33499553 . В свое время побывала в дтп, в следствии чего подверглась модернизации не совсем опытными и понимающими дело руками. Одним из итогов такой работы: подушки все заменены на рабочие, некоторые пришлось менять заново, т.к. они были от машины 2009 года и имели совсем другие фишки для подключения, но ошибки по безопасности остались, диагностика показывает, что блок не видит штор безопасности. Начали выяснять, что к чему и столкнулись с тем, что в фишке, которая стыкует жгут, приходящий от шторы, и жгут, приходящий от модуля airbag, не совпадают провода при стыковке. А в фишке, что подключается к самому модулю безопасности есть свободные пины. Вывод пока только один - жгут проводов под торпедой от модуля и к подушкам также был заменен, либо жгуты от штор. Только с машины, у которой была другой комплектация. Пожалуйста, помогите с электросхемой с распиновкой самого модуля подушек безопасности ( Bosch 0285001885/ PSA 9661890280-03) и дальнейшего подключения до штор безопасности. Спасибо!
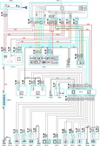
Bacilla Опубликовано 4 февраля, 2020 Опубликовано 4 февраля, 2020 (изменено) Изменено 4 февраля, 2020 пользователем Bacilla 2
Яуген Опубликовано 4 февраля, 2020 Автор Опубликовано 4 февраля, 2020 Спасибо огромное! Позже отпишусь о результате проделанной работы.
Яуген Опубликовано 7 февраля, 2020 Автор Опубликовано 7 февраля, 2020 Начали разбираться и столкнулись в первую очередь с тем, что номера проводов совсем не совпадают. По схеме начинаются с 6-ки, а в жгутах совсем другие комбинации цифр. Подушка пассажира подключается двумя фишками, как и по схеме. А вот в руле подушка имеет по схеме одну фишку, а на ней две. И приходит к подрулевому модулю две пары проводов, только где они по распиловке в фишке должны подключаться к модулю подушек безопасности остаётся открытым вопросом! Жду помощи!Огромное спасибо!
Bacilla Опубликовано 8 февраля, 2020 Опубликовано 8 февраля, 2020 На 307-ом подушка подключена двумя фишками:
Рекомендуемые сообщения
Для публикации сообщений создайте учётную запись или авторизуйтесь
Вы должны быть пользователем, чтобы оставить комментарий
Создать аккаунт
Зарегистрируйте новый аккаунт в нашем сообществе. Это очень просто!
Регистрация нового пользователяВойти
Уже есть аккаунт? Войти в систему.
Войти