kav-psk Опубликовано 28 ноября, 2011 Опубликовано 28 ноября, 2011 от себя: прошу не судить строго и не ругать, в плане того что нижеизложенный материал не по Peugeot. Данный материал направлен на раскрытие основного самостоятельного порядка установки подогрева Емеля УК-2, данный метод пригоден только в том случае если оббивка сидений не приклеена к поролону кресел, если все таки приклеена то можно рассмотреть вариант крепления нагревательных элементов непосредственно к внутренней стороне чехлов Установка Емеля УК-2Комплектностьсхема подключенияэлементыФото 6,7,8,9,10 - как всегда эстетику ставил наряду с функциональностью и, проведя ряд замеров, снял подлокотник, вырезал по шаблону из комплекта острым сапожным ножом отверстия и довел их до требуемой кондиции напильником. Получилось почти идеально - лишь ручник при взгляде сверху закрывает левое управляющее колесико. Но управлению колесиком руками он совершенно не мешает.далее демонтируем сиденья и снимаем нижнюю часть от каркаса со спинкой.Фото 14 - настало время заняться самими нагревательными элементами. Удобно сразу одинаково подготовить их для двух сидений - на второе время уйдет в итоге меньше и не будете вспоминать, как сделали на первом. Прикладываем обогреватель на поролон проводом в сторону замка ремня безопасности и отмечаем места надреза между нитями нагрева. Затем острым канцелярским ножом аккуратно делаем прорези. Я потратил время и обметал их прочными нитками, чтоб не расползались в процессе эксплуатации, чего и Вам советую.Фото 15,16 - мое основное отличие от всех описанных установок - средний поперечный стержень из обшивки я расположил не сверху, а снизу обогревателя, предварительно надрезав петельки на тканевом канале, в котором он проходит, и просунув их в подготовленные в обогревателе надрезы. Сам стержень поместил в подходящего диаметра термотрубку с целью исключить в дальнейшем короткое замыкание. Тем самым получил гораздо меньший излом коврика на сиденье.Фото 17 - вставляем стяжки и начинаем обратную сборку именно с притягивания средней поперечной части обшивки.Фото 18 - снимаем целлофан с клеевой основы и дополнительно обрабатываем поролон аэрозольным фиксатором для ткани- 200р в магазинах типа "сам себе Кутюрье".Фото 19 - на пути обратной сборки ставим нейлоновые стяжки на место удаленных колец и выводим провод через имеющееся отверстие в основании сиденья.Фото 20 - со спинкой все проще. Удаляем четыре кольца и стягиваем ее чулком с липучек до верхнего поперечного стержня.Фото 21 - далее опять отличия от коллег. Обрезаем до нитей обогрева с запасом для того, чтобы обметать нитками, края коврика обогревателя, т.к. в первозданном виде он несколько большеват и не очень хорошо ложится между направляющими с липучками. Кстати, все края можно обрабатывать на сапожном оверлоке, если есть такая возможность. Но ручками надежнее. Так же делаем разрезы в верхней части обогревателя, обметываем их и крепим стяжками.Фото 22 - брызгаем на поролон фиксатором, снимаем целлофан, клеим к спинке - получается супер.Фото 23 - стягиваем обшивку вниз, разглаживаем с нажимом по местам расположения липучек и выводим провод с учетом, что спинка раскладывается. Крепим у основания стяжками.Фото 24 - ставим нижнюю подушку и крепим провода к каркасу сиденья.Фото 26 - схема подключения приведена выше - тут каждый сам себе электрик. Я лишь укоротил лишние провода по месту и протянул все провода в гофротрубке - так и безопаснее и эстетичнее. Подключался к разъему С202 через предохранитель 15А. © nsskn.narod.ru p/sв этом варианте есть более подробное описание по подключению непосредственно силового провода от нагревательных элементов и подключения подсветки блоков управления+прописан момент если в сиденьях вмонтированы подушки безопасности. 2
icechieff Опубликовано 28 ноября, 2011 Опубликовано 28 ноября, 2011 Чёто как то заморочено !Глаза бояться - руки делают)
IGOSON Опубликовано 29 ноября, 2011 Опубликовано 29 ноября, 2011 Мне бы свой штатный подогрев починить не мешало бы, да возиться не охото
kav-psk Опубликовано 29 ноября, 2011 Автор Опубликовано 29 ноября, 2011 ...я бы вот наверно попробовал бы сделать да вот как то стремно от кресла все шнурки отключать )))....да и как то зима в этом году пока не хочет с нами дружить ))) холода не идут...
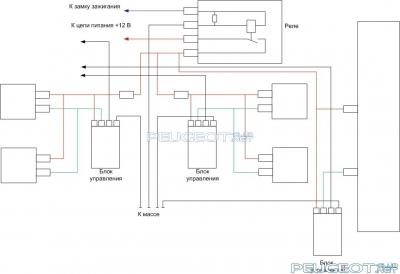
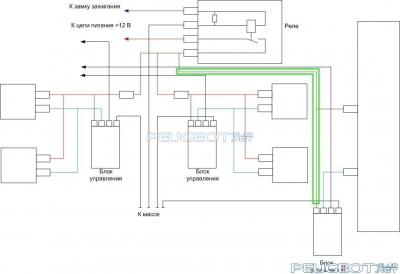
Kay Опубликовано 29 ноября, 2011 Опубликовано 29 ноября, 2011 Почему-то вдруг задумался о задних пассажирах, и с мыслью "почему бы и нет" накидал эскиз схемы) Как думаете так будет работать?
Георгий Опубликовано 29 ноября, 2011 Опубликовано 29 ноября, 2011 ...я бы вот наверно попробовал бы сделать да вот как то стремно от кресла все шнурки отключать )))....да и как то зима в этом году пока не хочет с нами дружить ))) холода не идут... Тама фишек 2-3 , заобно и разъёмы почистиш и обработаеш техническим вазелином Сегодня залезу под сидушку - может есть разъём под попогрев ? Тогда будет проще купить сиденья с обогревом ягодиц !
kav-psk Опубликовано 29 ноября, 2011 Автор Опубликовано 29 ноября, 2011 Почему-то вдруг задумался о задних пассажирах, и с мыслью "почему бы и нет" накидал эскиз схемы) Как думаете так будет работать?ну судя по схеме я понял что принцып подключения такой же как и у передних сидений только выведено на отдельный блок управления. я думаю работать должно - почему бы и нет!!!только вот наверно на схеме забыл поставить предохранитель на эту "ветку"
Kay Опубликовано 29 ноября, 2011 Опубликовано 29 ноября, 2011 Спасибо) Да, конечно забыл его отметить, т.к. в торопях рисовал) В идеале бы найти не используемый предохранитель в салоне, но как получится.. Если сделаю - выложу фотоотчет)
kav-psk Опубликовано 29 ноября, 2011 Автор Опубликовано 29 ноября, 2011 Спасибо) Да, конечно забыл его отметить, т.к. в торопях рисовал) В идеале бы найти не используемый предохранитель в салоне, но как получится.. Если сделаю - выложу фотоотчет)...может просто сделать врезку в провод и поставить ...есть же такие вставки с предохранителями, довольно эстетично смотрятся)))
Pavel.S Опубликовано 1 декабря, 2011 Опубликовано 1 декабря, 2011 Респектую автору! Месяц назад сделал тоже самое со своим перегоревшим подогревом. Снял сидухи, занес домой и за два вечера два сидения. Минус в том, что "Емеля" долго нагревается.Сколько прослужат вопрос, пока хвост в тепле :-) 1
serg812 Опубликовано 30 апреля, 2014 Опубликовано 30 апреля, 2014 у меня вот недавно было так!включил обогрев сиденья-печёт-глянул дырочка прогорела в сидушке.Как его менять или это не ремонтопригодно?
Рекомендуемые сообщения
Для публикации сообщений создайте учётную запись или авторизуйтесь
Вы должны быть пользователем, чтобы оставить комментарий
Создать аккаунт
Зарегистрируйте новый аккаунт в нашем сообществе. Это очень просто!
Регистрация нового пользователяВойти
Уже есть аккаунт? Войти в систему.
Войти