star Опубликовано 10 января, 2012 Опубликовано 10 января, 2012 машина пежик 307 мотор 1,6 2005 года выпуска масло в свечных колодцах ребят полскажите что менять?
icechieff Опубликовано 10 января, 2012 Опубликовано 10 января, 2012 возьми герметик и снаружи промажь стык головки с блоком... и все пройдет. только не забудь обезжирить чем-нибудь. 1
JASko Опубликовано 11 января, 2012 Опубликовано 11 января, 2012 возьми герметик и снаружи промажь стык головки с блоком... и все пройдет. только не забудь обезжирить чем-нибудь.Хоть смайлик бы ставил! Ведь 100% подтекают прокладки клапанных крышек.
icechieff Опубликовано 11 января, 2012 Опубликовано 11 января, 2012 Хоть смайлик бы ставил! Ведь 100% подтекают прокладки клапанных крышек.99% подтекает не крышка, а под крышкой "проставка"... а под ней герметик без разборки движка не поменяешь, так что можно обойтись малым. И смайлы тут не к месту, я не шутил... 1
akapi Опубликовано 21 августа, 2015 Опубликовано 21 августа, 2015 (изменено) Вот и у меня та же беда...Во всех четырех колодцах масло, свечи по резьбу в масле, где-то больше, где-то меньше...а ведь ничего не предвещало беды...А если сейчас колодцы почистить, свечи поменять, сколько еще можно будет ездить? и чем грозит затягивание ремонта? Изменено 21 августа, 2015 пользователем akapi
Мартын Опубликовано 21 августа, 2015 Опубликовано 21 августа, 2015 Вот и у меня та же беда...Во всех четырех колодцах масло, свечи по резьбу в масле, где-то больше, где-то меньше...а ведь ничего не предвещало беды...А если сейчас колодцы почистить, свечи поменять, сколько еще можно будет ездить? и чем грозит затягивание ремонта?Прокладки клапанных крышек махните и будет вам счастье. 1
ikipash Опубликовано 21 августа, 2015 Опубликовано 21 августа, 2015 +1 за замену прокладки клапанной крышки
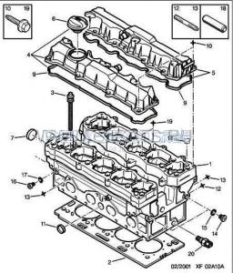
Dimkin67 Опубликовано 22 августа, 2015 Опубликовано 22 августа, 2015 9?Да они , если картинка по твоему ВИНу.
dimasik307 Опубликовано 25 августа, 2015 Опубликовано 25 августа, 2015 Всем привет у меня тоже была токая проблема поменял прокладки клапанных крышек и проблема решилась.
valeriy137 Опубликовано 17 октября, 2015 Опубликовано 17 октября, 2015 двигатель за троил снял катушк было масло в свечных колодцах всё вытер поставил на место отъездил 3 дня опять затроила пришлось менять катушку -3800 из бюджета семьи(((
Мартын Опубликовано 17 октября, 2015 Опубликовано 17 октября, 2015 двигатель за троил снял катушк было масло в свечных колодцах всё вытер поставил на место отъездил 3 дня опять затроила пришлось менять катушку -3800 из бюджета семьи(((Экономия на прокладках вышла боком! 2
breath.89 Опубликовано 8 декабря, 2015 Опубликовано 8 декабря, 2015 Не всегда виноваты прокладки клапаных крышек. Смотря откуда течёт. Как выше уже писал icechieff, может подтекать через герметики каркаса распредвала. Он тоже выходит к модулю зажигания. Замееить не сложно, но долгоразбирать - собирать. Я менял герметики и заодно промыл гидрокомпенсаторы. На рестайлинговых 307 прокладки клапаных крышек МногоразовыЕ, только уметь надо ставить!! 1
bocicovar Опубликовано 8 декабря, 2015 Опубликовано 8 декабря, 2015 (изменено) vsem privet u menya tozhe problema s maslom esti foto no nejak ne mogu pistaviti kto podskazhet poluchilosi zagruziti . kto shto posovetuet ? Изменено 8 декабря, 2015 пользователем bocicovar
S@nych Опубликовано 20 октября, 2018 Опубликовано 20 октября, 2018 (изменено) Возвращаюсь к теме.Partner VU, 12 год, фургон, бензинка, 90 поней. Пробег 76 с хвостом тысяч. Вчера на подъёме моторка затроил, задвоил врубил джекичан и заглох... Покрутил его покрутил, с горем пополам тронулся завёл и потом прочихавшись он очень вяло повёз. А началось всё месяц назад. Ездил по трассе 450 вёрст на круг, на обратном пути движок начал подёргиваться. Как будто пропуски зажигания. Бензин ЛукОйл, 95. Заправка провереная. Сначала грешил на ветер по трассе, был очень сильный, порывами. Потом понял что не ветер. Когда до дома оставалось километров 70 - дёргаться перестал и я на это дело "забил" Уехал на другой машине на две недели в отпуск, в прошлый вторник штатно завёл и поехал работать. 4 дня маялся. С утра на выезде всё ок, заводится штатно, холостые в норме. После первого резкого ускорения или после большой кочки мотор начинал тупить с холостых до 1200 об., на 3000 затыкался и на 4200 затыкался тоже. Потом прочихивался и до следующей колдобины работал нормально. Снял верхнюю пластиковую крышку, отцепил два шланга вентиляции, отцепил разъём в торце блока катушек, снял его - под ними равномерный масляный налёт. Заглянул в колодцы.....МАТЬ ТВОЮ ЕТИ.... Свечи плавают. Промокнул масло, возиться времени не было, крышку ставить не стал и поехал дальше дорабатывать. Вчера при постановке машины на стоянке джекичан горел. Сегодня поехал к друзьям на станцию решать вопрос. Завёл - работает ровно. ДЖЕКИЧАН не горит. До станции было километров 12 по городу, подёргивания были, но не такие как вчера. Внешне катушки в отличном состоянии, резинки не дубовые, пружинки эластичные и не подгоревшие, масла на резинках нет. Совсем нет. . Промыли от масляного налёта полость под катушки, начали выворачивать свечи а они НЕ ЗАТЯНУТЫ. От слова совсем. Даже уплотнительные кольца не деформированы. В таком виде я после последнего посещения официалов ездил ЧЕТЫРЕ ГОДА. Жёваный крот. Промыли свечи карбклинером, просушили, состояние у них после 40 тысяч было уже уставшее и собрали всё обратно. Работает отлично, провалов на холостых и под нагрузкой нет от слова совсем. Если масло в колодцах появилось из за незатянутых свечей - в течении недели всё проявится. Если откуда то подтекает - тоже увижу. Полость под катушками отмыта до состояния котояйца. На обратним пути заехал купил комплект новых свечей, свечной ключ и ключик торкс на 20. Пусть валяется, мало ли когда приспичит. Поезжу недельку, если в колодцах масло не появится - поставлю новые свечи и забуду о проблеме как о страшном сне. Ну а если появится - буду думать дальше. При считывании неисправностей сканер выдал ошибкиЕ8 Р1336Е8 Р1337Е8 Р1339Е8 Р1340Е8 Р1338 Изменено 20 октября, 2018 пользователем S@nych
Мартын Опубликовано 20 октября, 2018 Опубликовано 20 октября, 2018 Возвращаюсь к теме.Partner VU, 12 год, фургон, бензинка, 90 поней. Пробег 76 с хвостом тысяч. Вчера на подъёме моторка затроил, задвоил врубил джекичан и заглох... Покрутил его покрутил, с горем пополам тронулся завёл и потом прочихавшись он очень вяло повёз. А началось всё месяц назад. Ездил по трассе 450 вёрст на круг, на обратном пути движок начал подёргиваться. Как будто пропуски зажигания. Бензин ЛукОйл, 95. Заправка провереная. Сначала грешил на ветер по трассе, был очень сильный, порывами. Потом понял что не ветер. Когда до дома оставалось километров 70 - дёргаться перестал и я на это дело "забил" Уехал на другой машине на две недели в отпуск, в прошлый вторник штатно завёл и поехал работать. 4 дня маялся. С утра на выезде всё ок, заводится штатно, холостые в норме. После первого резкого ускорения или после большой кочки мотор начинал тупить с холостых до 1200 об., на 3000 затыкался и на 4200 затыкался тоже. Потом прочихивался и до следующей колдобины работал нормально. Снял верхнюю пластиковую крышку, отцепил два шланга вентиляции, отцепил разъём в торце блока катушек, снял его - под ними равномерный масляный налёт. Заглянул в колодцы.....МАТЬ ТВОЮ ЕТИ.... Свечи плавают. Промокнул масло, возиться времени не было, крышку ставить не стал и поехал дальше дорабатывать. Вчера при постановке машины на стоянке джекичан горел. Сегодня поехал к друзьям на станцию решать вопрос. Завёл - работает ровно. ДЖЕКИЧАН не горит. До станции было километров 12 по городу, подёргивания были, но не такие как вчера. Внешне катушки в отличном состоянии, резинки не дубовые, пружинки эластичные и не подгоревшие, масла на резинках нет. Совсем нет. . Промыли от масляного налёта полость под катушки, начали выворачивать свечи а они НЕ ЗАТЯНУТЫ. От слова совсем. Даже уплотнительные кольца не деформированы. В таком виде я после последнего посещения официалов ездил ЧЕТЫРЕ ГОДА. Жёваный крот. Промыли свечи карбклинером, просушили, состояние у них после 40 тысяч было уже уставшее и собрали всё обратно. Работает отлично, провалов на холостых и под нагрузкой нет от слова совсем. Если масло в колодцах появилось из за незатянутых свечей - в течении недели всё проявится. Если откуда то подтекает - тоже увижу. Полость под катушками отмыта до состояния котояйца. На обратним пути заехал купил комплект новых свечей, свечной ключ и ключик торкс на 20. Пусть валяется, мало ли когда приспичит. Поезжу недельку, если в колодцах масло не появится - поставлю новые свечи и забуду о проблеме как о страшном сне. Ну а если появится - буду думать дальше. При считывании неисправностей сканер выдал ошибкиЕ8 Р1336Е8 Р1337Е8 Р1339Е8 Р1340Е8 Р1338Прокладки клапанных крышек поменяйте и про проблему масла в колодцах забудете,а из-за недокрученных свечей газы из цилиндров прорываютя,но не масло.
S@nych Опубликовано 20 октября, 2018 Опубликовано 20 октября, 2018 @Мартын, я решил подождать, поездить недельку. Если в колодцах масло не появится - зачем вскрывать движку.....
S@nych Опубликовано 25 октября, 2018 Опубликовано 25 октября, 2018 Прошла неделя. Два раза снимал катушки. Масло в свечных колодцах не появилось. Потеет из под крайних болтов крепления верхней крышки. В ближайшие несколько дней постараюсь устранить сопли, по результатам отпишусь.
Рекомендуемые сообщения
Для публикации сообщений создайте учётную запись или авторизуйтесь
Вы должны быть пользователем, чтобы оставить комментарий
Создать аккаунт
Зарегистрируйте новый аккаунт в нашем сообществе. Это очень просто!
Регистрация нового пользователяВойти
Уже есть аккаунт? Войти в систему.
Войти