Перейти к содержанию

Группа в Telegram - https://t.me/peugeot_lab

Рекомендуемые сообщения

Опубликовано (изменено)

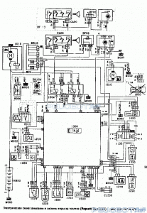
Magneti Marelli G6

 

Коды ошибок

peugeot-lab.net - 0.gif

peugeot-lab.net - Безымянный.png

Изменено пользователем Dron
Опубликовано (изменено)

Датчики температуры ОЖ и воздуха. Замена от ВАЗ-2110 инжектор.

peugeot-lab.net - Безымянный2.png

peugeot-lab.net - 14100.jpg

peugeot-lab.net - DSCF0279.JPG

peugeot-lab.net - DSCF0280.JPG

Изменено пользователем Dron
Опубликовано (изменено)

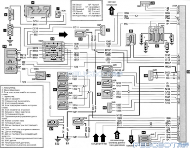
Magneti Marelli G5

peugeot-lab.net - DSCF0278.JPG

Изменено пользователем Dron
Опубликовано (изменено)

Диагностические разъемы!

peugeot-lab.net - DSCF0276.JPG

peugeot-lab.net - DSCF0277.JPG

peugeot-lab.net - Безымянный2.png

peugeot-lab.net - Безымянный.png

peugeot-lab.net - Безымянный3.png

Изменено пользователем Dron
Опубликовано (изменено)

Двигатель регулировки ХХ в MM G6. Замена родной РХХ на ВАЗ-21103. Нужно заменить шток ВАЗа на родной он 1:1.

Обмотки нужно перепаять если не пошло то нужно перевернуть одну обмотку.

что бы не было вопросов типа "Зачем есть новые например в магазине" отвечаю сразу! Родной стоит около 2000руб. новый, а от ВАЗа 350руб. и 40 минут работы!

P.S. Работает как часы лично у меня.

peugeot-lab.net - DSCF0067.JPG

peugeot-lab.net - DSCF0068.JPG

peugeot-lab.net - DSCF0069.JPG

peugeot-lab.net - DSCF0070.JPG

peugeot-lab.net - DSCF0281.JPG

Изменено пользователем Dron
Опубликовано (изменено)

Как показала практика по эксплуатации датчика ОЖ ниже -17С начинает заливать свечи, это говорит о не надежности российских комплектующих, решил поставить родной терморезистор в жигулевский корпус. Спилил ножовкой по металлу

кромку развальцовки и вытащил сами резисторы из корпуса. Затем с помощью пинцета и паяльника перепаял сами элементы,

российский пришлось откусить бокарезами. Заново набив корпус термопастой собрал все на место и развальцевал по новой.

Во-ля-ля все заработала как надо даже при -27С запуск без проблем.

Проблема в неисправности старых родных датчиков кроется внутри самого корпуса, а не в терморезисторе. Просто в нем высыхает термопаста и ее нужно заминать на новую по этому датчик ошибочно указывает на не правильный параметр.

peugeot-lab.net - DSCF02841.jpg

peugeot-lab.net - DSCF02871.jpg

peugeot-lab.net - DSCF02881.jpg

Изменено пользователем Dron
Опубликовано (изменено)

Ремонт датчика уровня ОЖ в радиаторе. Просто перестал работать. Решил его реанимировать, вскрыл внутрянка залита герметиком. Аккуратно вскрыл, оказалось что закислилась пайка в районе разъема, и 2-м конденсаторам хана 22мкф-16в, да плюс электрод разъела. Все пропаял, электрод восстановил собрал проверил работает. затем все залил герметикам как было.

peugeot-lab.net - DSCF03121.jpg

peugeot-lab.net - DSCF03131.jpg

peugeot-lab.net - DSCF03161.jpg

peugeot-lab.net - DSCF03171.jpg

peugeot-lab.net - DSCF03181.jpg

peugeot-lab.net - DSCF03191.jpg

peugeot-lab.net - DSCF03202.jpg

Изменено пользователем Dron
Опубликовано (изменено)

Добрый день! А можно спросить? При включении ДХХ на сколько выходит шток?

Изменено пользователем alecszar
Опубликовано

Добрый день! А можно спросить? При включении ДХХ на сколько выходит шток?

 

Он выходит в зависимости от оборотов двигателя и температуры ОЖ

Опубликовано

может вопрос не в тему, но как подключить провода к 4х контактному разъему на переключателе поворотов(их там 2 4х и 6ти контактный). Ббыл установлен переключатель от газели и ессно разъём был ампутирован, на новой переключалке контакты никак не пронумерованы, как впрочем и на всех схемах, номера проводов есть, а куды втыкать....?

Опубликовано

Создал тему, но пока безрезультатно...Может вы поможете? Помогите разобраться, где какой датчик? Согласно нумерации на фото, машина -- ПЕЖО 405, 1.6 МОНОВПРЫСК, 1994г.в., седан:

 

 

№ 1 - ???

№ 2 - датчик положения дроссельной заслонки (потенциометр), по моему.

№ 3 - ???

[Peugeot-Club.net] - DSC00547редДатчик.JPG

[Peugeot-Club.net] - DSC00551редCДатчики.JPG

 

Спасибо!

Опубликовано

Какая система впрыска? Я лично такую в первые вижу. можно сфоткать целиком подкапотник в максимальном разрешении.

Опубликовано

все разабрался это Система впрыска Magneti Marelli 8P

3-Датчик температуры воздуха.

1-Резистор предварительного подогрева дросселя.

[Peugeot-Club.net] - Безымянный.png

[Peugeot-Club.net] - Безымянный2.png

Опубликовано

@Dron,Большое спасибо!!! за такой ответ, а то я голову ломал что за датчик №1, так он значит греет топливо?

Опубликовано

Да нагревательный элемент.

Опубликовано

доброго времени суток, подскажите чем лечить отсутствие хол. хода на пежо 405 2л. инжектор р.х.х. на нем нет. что делать???

Опубликовано

Модель двигателя хоть скажи!?

Опубликовано

Доброго дня ! Неделю мучаюсь плохо заводитс\ стреляет в воздуховоды и глохнет пежо 405 1.6 96 года Если кое как прогреть то немного можно проехать но только на оборотах и заметна потеря мощности при большом расходе топлива Свечи коптятся через несколько минут Компрессия 12 и фазы все проверены Система впрыска SAGEM Лампа неисправности двигателя гаснет после запуска До этого дефекта машина простояла около года на улице

Опубликовано

датчики температуры смотри

Опубликовано

датчики температуры смотри

 

Спасибо ! Только их там два и на впрыск один только но какой ? Какле у него сопротивление должно быть? На средних оборотах работает нормпльно но на холостых почти нет разряжения в коллекторе и глохнет с хлопком во впускной коллектор Автотестер показывает ошибку датчика разряжения но при замене датчика ничего не меняется то есть опять мало разряжения в самом коллекторе Манометр показал давление топлива 2.8 и через форсунки нет падения давления

Опубликовано

эффект одинаковый у обоих, на блоке немного сильней.

Опубликовано

Решил тему не создавать, спросить здесь..

Головной свет. У меня стоит 2 лампы. Я полагал, что одна - ближний свет, вторая дальний. Но сегодня обратил внимание, что горят сразу ОБЕ, и на ближнем, и дальнем свете.. Так и должно быть или где-то в проводке проблемак? Имею ввиду именно не габаритку/ходовые огни, а основной свет (второй щелчок переключателя)

Опубликовано (изменено)

Н1 это дополнение к дальнему свету. Используется фара 2-х факал МИ-16.

Изменено пользователем Dron
Опубликовано

Т.е. би-ксенон надо... Вторая эта лампа, н1, она по факту нифига не светит, толку никакого от неё. Но почему-то так просто не вытаскивается, как основная н4, особо не дёргал конечно, но как-то не идёт.

Для публикации сообщений создайте учётную запись или авторизуйтесь

Вы должны быть пользователем, чтобы оставить комментарий

Создать аккаунт

Зарегистрируйте новый аккаунт в нашем сообществе. Это очень просто!

Регистрация нового пользователя

Войти

Уже есть аккаунт? Войти в систему.

Войти
×
×
  • Создать...