Valadimir Опубликовано 1 февраля, 2024 Опубликовано 1 февраля, 2024 Помогите схемой подключения разъема ОБВ2 ( приобрел авто недавно, пока замечаний нет(тьфу-тьфу), Выявил раз,,,ный разъем и висящие провода. Всем откликнувшимся СПАСИБО! vin VF3GJKFWCBX509714
icechieff Опубликовано 1 февраля, 2024 Опубликовано 1 февраля, 2024 а толку то от vin, если мотор уже меняли. какой эбу двс стоит?
Valadimir Опубликовано 2 февраля, 2024 Автор Опубликовано 2 февраля, 2024 Из БЖ предыдущего хозяина: "Из того что понадобилось дополнительно, всё как и писал Женя у себя в теме: маслостакан и кронштейн кондея. Лично мне пришлось прикупить ещё штуцер-тройник, который идёт сзади на блоке и форсы(комплектация мотора бомж)" Позже он прошивал его под евро2: "В общем, прошили мне партнерчик. Тюн + евро 2. Чисто по ощущениям, педаль стала ещё эластичнее. Разгон замерить нереально, зацепа нет совсем, буксует на первых трех передачах🤣, оно и понятно — асфальт промерз. Ну и чек теперь не будет гореть по кату(кат срезан ещё до меня)." Похоже, что разъем "пострадал" при инсталяции БК (он пока не работает).
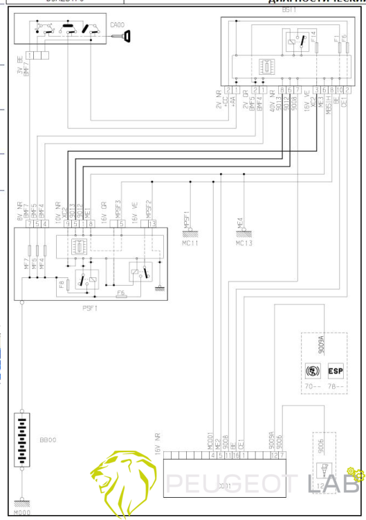
icechieff Опубликовано 2 февраля, 2024 Опубликовано 2 февраля, 2024 вот разъем и схема. нашел без OPR, чисто по мотору, если не совпадет - еще посмотрим
Рекомендуемые сообщения
Для публикации сообщений создайте учётную запись или авторизуйтесь
Вы должны быть пользователем, чтобы оставить комментарий
Создать аккаунт
Зарегистрируйте новый аккаунт в нашем сообществе. Это очень просто!
Регистрация нового пользователяВойти
Уже есть аккаунт? Войти в систему.
Войти