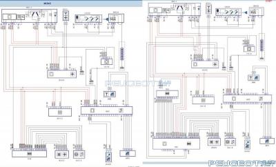
zu310 Опубликовано 20 мая, 2013 Опубликовано 20 мая, 2013 (изменено) MONO - монохромный дисплейCVET - цветной дисплей Изменено 20 мая, 2013 пользователем zu310 2
vova72 Опубликовано 22 мая, 2013 Автор Опубликовано 22 мая, 2013 спасибо я вроде всё по этим схемам и делал но всё равно не заработал !кстати кто в питере может опробовать мой монитор и блок на своей машине может в них проблемма ?
icechieff Опубликовано 22 мая, 2013 Опубликовано 22 мая, 2013 спасибо я вроде всё по этим схемам и делал но всё равно не заработал !кстати кто в питере может опробовать мой монитор и блок на своей машине может в них проблемма ?Точно знаю, что у Tur607 штатная нави)
zu310 Опубликовано 15 ноября, 2013 Опубликовано 15 ноября, 2013 спасибо я вроде всё по этим схемам и делал но всё равно не заработал !кстати кто в питере может опробовать мой монитор и блок на своей машине может в них проблемма ? vova72 Скажи,пожалуйста,ты разобрался с этой проблемой? Если ДА,то как ? Я тоже всё спаял,подсоединил и... белый экран.Уже больше месяца не могу победить ! Прошу помощи! Help me! vova72
filipptroy Опубликовано 15 февраля, 2015 Опубликовано 15 февраля, 2015 всем добрый вечерчитал что можно поменять монохром с дорейстайла на цветной 5 инчь тоже с дорейсталавот нашёл вродекак думаете подойдёт ?http://www.ebay.com/itm/Peugeot-607-Navigation-System-Radio-Display-CD-Rechner-Komplett-Original-/271774448695?pt=LH_DefaultDomain_77&hash=item3f4704fc37 http://www.ebay.com/itm/Peugeot-607-Luftungsduse-Mitte-Bedienteil-Wurzelholz-9638880277-9633544177/151324347424?_trksid=p2045573.c100033.m2042&_trkparms=aid%3D111001%26algo%3DREC.SEED%26ao%3D1%26asc%3D28797%26meid%3Dea1451ee000849c8bf3c83994f2f6f76%26pid%3D100033%26rk%3D3%26rkt%3D4%26sd%3D181667109807 1
ShellesT Опубликовано 15 февраля, 2015 Опубликовано 15 февраля, 2015 Слежу за темой. Тоже данный вопрос интересует уже давно
icechieff Опубликовано 15 февраля, 2015 Опубликовано 15 февраля, 2015 если взять целиком комплект, со всей проводкой, панелями, то почему нет... а что с монохромами? Ставь от 307, и не парься.
filipptroy Опубликовано 15 февраля, 2015 Опубликовано 15 февраля, 2015 а есле взять весь комплект от рестайла включая биэсай ?
icechieff Опубликовано 15 февраля, 2015 Опубликовано 15 февраля, 2015 а есле взять весь комплект от рестайла включая биэсай ?BSI то зачем тебе? Тебе он не нужен, нужно только то, что касается навигации.
filipptroy Опубликовано 15 февраля, 2015 Опубликовано 15 февраля, 2015 так вроде же говорили что от рестайла нельзя поставить на дорестайл ? или я что то не допонялдумал что из за bsi
funt Опубликовано 16 февраля, 2015 Опубликовано 16 февраля, 2015 если взять целиком комплект, со всей проводкой, панелями, то почему нет... а что с монохромами? Ставь от 307, и не парься.А что от 307 подходить чтоли на 607?
Сергей_607 Опубликовано 16 февраля, 2015 Опубликовано 16 февраля, 2015 всем добрый вечерчитал что можно поменять монохром с дорейстайла на цветной 5 инчь тоже с дорейсталавот нашёл вродекак думаете подойдёт ?http://www.ebay.com/...=item3f4704fc37 http://www.ebay.com/...sd=181667109807 Херасее, ценничек !!!
icechieff Опубликовано 16 февраля, 2015 Опубликовано 16 февраля, 2015 так вроде же говорили что от рестайла нельзя поставить на дорестайл ? или я что то не допонялдумал что из за bsi не только, там всю проводку поменять придется.на дорестайл поставить от рестайла - не вариант вообще. А что от 307 подходить чтоли на 607?да, просто отображение будет попроще, хотя если очень очень поискать, может и такой же экран попадется...
Calibrik1 Опубликовано 16 февраля, 2015 Опубликовано 16 февраля, 2015 поменять монохром с дорейстайла на цветной 5 Android 5.0 + EML 327 А что от 307 подходить чтоли на 607?https://peugeot-lab.net/forum/topic/9880/
Сергей_607 Опубликовано 16 февраля, 2015 Опубликовано 16 февраля, 2015 Так ради прикола, на 301 похож)) 2
icechieff Опубликовано 16 февраля, 2015 Опубликовано 16 февраля, 2015 Я вот удивляюсь, про экраны от 307 - уже давно все разжевано, есть куча тем.Также писались темы по установке планшетов на место экрана.Пользуйте поиском. 2
filipptroy Опубликовано 16 февраля, 2015 Опубликовано 16 февраля, 2015 не все хотят идти на компромися например хочу что бы всё работало как оригиналпоменять монохром на широкий цветной родной экран это апгрейд а всё остальное это вариант из серии ,за неимением кухарки ......это моё мнениехотя польза от информации огромная
icechieff Опубликовано 16 февраля, 2015 Опубликовано 16 февраля, 2015 не все хотят идти на компромисПожалуйста. Ищите 607 с навигацией, и берете оттуда всю проводку касающуюся навигации и блоки, кнопки, кабели. Но выльется это вам в такие деньги, что проще поменять машину. 1
filipptroy Опубликовано 16 февраля, 2015 Опубликовано 16 февраля, 2015 в начале ветки я поставил линк цена в 500 евро вроде как нормальнаяс учётом того что у нас в израиле за могохром официалы хотят 800 евро и при этом гарантия всего 3 месяца
icechieff Опубликовано 16 февраля, 2015 Опубликовано 16 февраля, 2015 @filipptroy, а проводку где будешь брать? чисто ради интереса, посмотри ценник на оптический кабель от привода к блоку экрана... Очень сильно удивит. 1
filipptroy Опубликовано 16 февраля, 2015 Опубликовано 16 февраля, 2015 Навигация меня не интересуетПросто этот вариант решит раз и навсегда проблемы с монохромом
Calibrik1 Опубликовано 16 февраля, 2015 Опубликовано 16 февраля, 2015 Навигация меня не интересуетПросто этот вариант решит раз и навсегда проблемы с монохромом Либо новый авто
icechieff Опубликовано 16 февраля, 2015 Опубликовано 16 февраля, 2015 Навигация меня не интересуетПросто этот вариант решит раз и навсегда проблемы с монохромомКто знает... Цветные экраны тоже умирают, мне попадались такие...
Рекомендуемые сообщения
Для публикации сообщений создайте учётную запись или авторизуйтесь
Вы должны быть пользователем, чтобы оставить комментарий
Создать аккаунт
Зарегистрируйте новый аккаунт в нашем сообществе. Это очень просто!
Регистрация нового пользователяВойти
Уже есть аккаунт? Войти в систему.
Войти