filipptroy Опубликовано 16 февраля, 2015 Опубликовано 16 февраля, 2015 новое авто не вариантлюблю этутем более что у нас дизелей вообще не былои последнии котоые сдесь продавались были 2005 годапокрайней мере моложе я не встречал
vova870 Опубликовано 25 апреля, 2015 Опубликовано 25 апреля, 2015 Себе только поставил,проводку сам с делал,рад безумно. 2
Alexey607 Опубликовано 7 августа, 2015 Опубликовано 7 августа, 2015 Ещё бы ключи к этим схемам. А то не всё можно разгадать что есть что. 1
Alexey607 Опубликовано 12 августа, 2015 Опубликовано 12 августа, 2015 Друзья соклубники! Может кто нибудь скажет оригинальный номер который написан на самом блоке управления цветным дисплеем на дорестайле. На разборках требуют его,а каталожный номер по экзисту не пробивается.
Alexey607 Опубликовано 29 декабря, 2015 Опубликовано 29 декабря, 2015 Кто нибудь подскажет за что отвечает голубая фишка на блоке управления цветным дисплеем Пежо 607 дорестайл
denissk77 Опубликовано 14 апреля, 2016 Опубликовано 14 апреля, 2016 Всем привет ! Поменял на своём до рестайле монохромный дисплей на цветной , появился донор, и я снял с него блок управления монитором , сам монитор и всю проводку относящуюся к ним. Подсоединил по цветам блок управления цветным монитором к таким же по цветам проводам, которые подключались к монохрому. Монитор работает, действуют все функции но... Включается самостоятельно через пару минут , как выключу зажигание . Я его выключаю с кнопки , опять через пару минут включается . Закрываю машину он включается через время , открываю - гаснет . С чем это может быть связано ? На монохром подведён питание -розовый провод , на цветной монитор - жёлтого цвета . Есть конечно предположение , что глючит блок управления монитором цветным . Соклубники , кто с этим сталкивался , есть какие то мысли ?
ShellesT Опубликовано 24 октября, 2016 Опубликовано 24 октября, 2016 Всем привет! Дабы не плодить тем, напишу тут.И так заменил я монохром на цветной. Все вроде работает. Но есть нюанс. Когда делал глобальный тест в ПП2000 выскакивают постоянно ошибки что нет связи к примеру сидюка с экраном или еще какого-нибудь устройства с экраном. Где-то читал что надо поменять тип дисплея в той же ПП2000, но так и не нашел где это делается. И еще один момент как вырубить навигацию, чтобы ее шнурок не опрашивал? 1
Сергей_607 Опубликовано 9 ноября, 2016 Опубликовано 9 ноября, 2016 Андрюх, я е себя чисто так по приколу вкл/выкл в чрезмерном оснащении оборудования (где датчики в шинах/эл. складывания зеркал/)
ShellesT Опубликовано 9 ноября, 2016 Опубликовано 9 ноября, 2016 Андрюх, я е себя чисто так по приколу вкл/выкл в чрезмерном оснащении оборудования (где датчики в шинах/эл. складывания зеркал/) Что-то я малость не понял, Серег. Поясни плиз. Не помню такого пункта меню "чрезмерном оснащении оборудования" Мож не там гляжу?
Сергей_607 Опубликовано 10 ноября, 2016 Опубликовано 10 ноября, 2016 Ну когда входишь в 607, там по моему прям в самом начале. На выходных гляну, если не разберёшься до этого времени .
ShellesT Опубликовано 10 ноября, 2016 Опубликовано 10 ноября, 2016 Ну когда входишь в 607, там по моему прям в самом начале. На выходных гляну, если не разберёшься до этого времени .Я сам только в выходные полезу. Жду новую батарею к ноуту. Еще хочу нави вырубить. Тянуть ее смысла нет ибо карты для нас - голые поля. Хотя все для нави есть и привод и оптика и антенна.
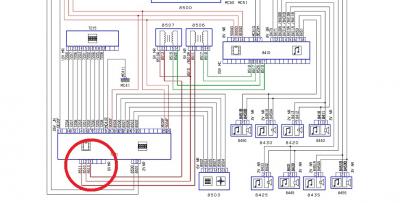
xfiles3 Опубликовано 29 января, 2017 Опубликовано 29 января, 2017 (изменено) Всем привет!Решил и я заменить свой монохром на цветной.Попался мне свежий донор с цветным экраном.Сняли мне:1. Экран с рамками и кнопками + проводка.2. Блок управления с проводкой, оптику (целую) + аудио/видео разъем.3. СД-ром (навигацию) с багажника с небольшим куском проводки. Проводку между экраном и блоком восстановил.Экран с рамками установил.Блок временно засунул в тоннель возле подлокотника.Чтобы не кромсать родную проводку с монохрома, распаял разъем (обыкновенную "гребенку" 2х9).Экран заработал.Все вроде хорошо, но эсть несколько вопросов:1. На блоке управления есть четыре разъема, один из них коричневый, он меня и интересует, а именно: в него вставляется штекер с тремя проводами и маркировкой (8510, 8511, 8512), я так понимаю, что это какой-то "голосовой" выход для навигации, но по схемам я их найти не могу !!! Куда они должки должны подключатся ???2. При нажатии кнопки "Телефон", на экране отображается надпись "телефон выключен", я так понимаю, что телефон нужно включить с помощью ПП2000 в настройках самого экрана ???3. При попытке установить СД-ром в багажнике над СД-ченджером, выяснилось, что разъемы (GPS + информационный), которые там были, не подходят. Зачем делать разные штекера для GPS антенны, мне честно говоря не понятно. А вот вопрос именно по информационному штекеру. Сравнив две схемы, выяснилось, что для подключения другого СД-рома, не хватает одного провода - 2200D, он идет напрямую в BSI на 13-тый контакт. Для чего он? И будет ли без него работать? Спасибо! Изменено 29 января, 2017 пользователем xfiles3 1
chizhik_pyzhik Опубликовано 30 января, 2017 Опубликовано 30 января, 2017 @xfiles3, еще бы понять что есть что на схеме... предполагаю, что длинный блок с "осьминогом" микрухи и "компасом" (куда идет 2200D) - это голова, а элемент в BSI откуда он проведен, завязвн на коробку (селектор), отсюда 2 предположения, это либо блокировка ТВ или видеовхода (если таковой имеется), либо включение камеры ЗХ (если таковая предусмотрена), или включение парктроника при ЗХ, или приглушение звука приЗХ, илиеще что, завязанное на АКПП. Нужно анализировать сигнал на этом проводе в разных режимах...или смотреть еще схемы... Не понятно, почему не через CAN это сделано 2
xfiles3 Опубликовано 30 января, 2017 Опубликовано 30 января, 2017 @xfiles3, еще бы понять что есть что на схеме...предполагаю, что длинный блок с "осьминогом" микрухи и "компасом" (куда идет 2200D) - это голова, а элемент в BSI откуда он проведен, завязвн на коробку (селектор),отсюда 2 предположения, это либо блокировка ТВ или видеовхода (если таковой имеется), либо включение камеры ЗХ (если таковая предусмотрена), или включение парктроника при ЗХ, или приглушение звука приЗХ, илиеще что, завязанное на АКПП. Нужно анализировать сигнал на этом проводе в разных режимах...или смотреть еще схемы...Не понятно, почему не через CAN это сделано Я тоже думал, что это какая-то функция, которая завязана с включением ЗХ.Надо будет покурить парочку схем, может что-то найду.Но если ее подключить, уж точно, хуже не сделаю.На схемах с монохромом, 13-тая нога свободна.Надо будет добраться до блока BSI, и посмотреть, свободна ли нога 13, если "ДА", тогда придется тянуть проводок от него в багажник.Итак еще нужно будет тянуть оптику, вот и затяну все вместе. Спасибо!
chizhik_pyzhik Опубликовано 30 января, 2017 Опубликовано 30 января, 2017 Надо будет добраться до блока BSI, и посмотреть, свободна ли нога 13, если "ДА", тогда придется тянуть проводок от него в багажник.Ну еще нужно чтоб сам вывод этой ноги был с BSI (бывает, что не все контакты и не все выводы есть на конкретном экземпляре), не знаю как с BSI, но вот с подкапотным блоком (PSF, если не ошибаюсь) такое встречается, не под все предохранители и обвес есть контакты, приходится менять блок @xfiles3, а раз уж схемы есть, то может быть есть описание проводки, не вспомню где, но натыкался на описание практически каждого провода в каждом жгуте (и в разъемах сочлинения), там вывод таблицей был и текстовый поиск работал, если задать 2200D может даст название и по нему уже можно будет понять назначение.
xfiles3 Опубликовано 30 января, 2017 Опубликовано 30 января, 2017 Согласен, встречались такие неприятные ситуации.Но, буду надеяться, что инженера не создали, два разных BSI блока, для монохрома и цветного... Пользуюсь программой "schematique", но чет описания проводки не нашел. Может плохо искал. Попробую еще порыться в недрах программы.Кстати, актуальным остается вопрос по блоку управления цветным экраном, а именно по коричневому разъему: Есть какая нибудь информация о данном разъеме?
xfiles3 Опубликовано 30 января, 2017 Опубликовано 30 января, 2017 МОМЕНТ, который ждет каждый кулибин, при первом включении зажигания, после подключения комплекта цветного экрана, вместо монохрома... !!! 2
ShellesT Опубликовано 30 января, 2017 Опубликовано 30 января, 2017 МОМЕНТ, который ждет каждый кулибин, при первом включении зажигания, после подключения комплекта цветного экрана, вместо монохрома... !!! IMG_20170127_134206996.jpgТак и есть. Сам кайфовал жутко когда все подключил. Не хватило терпения только навигацию протянуть. Это уже до тепла оставил. 2
xfiles3 Опубликовано 30 января, 2017 Опубликовано 30 января, 2017 @ShellesT, а с коричневым разъемом, на блоке управления разобрался?
ShellesT Опубликовано 30 января, 2017 Опубликовано 30 января, 2017 @ShellesT, а с коричневым разъемом, на блоке управления разобрался?Если честно не вдавался в подробности. У меня была вся проводка в комплекте. Я лишь врезался в старый жгут новыми 4-мя проводами к BSI и 1 на массу от блока бросил.
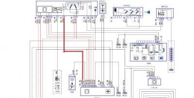
xfiles3 Опубликовано 30 января, 2017 Опубликовано 30 января, 2017 Нашел на схеме блока управления коричневый разъем: Судя по всему, это аудио выход с блока управления, который используется для вывода голосовых указаний навигационной системы...НО... к блоку управления еще подключаются видео/аудио кабеля (расположенные в бардачке), видео сигнал выводиться на экран, а аудио сигнал, вполне возможно выводиться с блока управления также через коричневый разъем к автомагнитоле.Отсюда вывод, что подключив этот разъем, мы получаем полноценный AUX, которого так нам не хватает, и главное, без колхоза и кустарщины... Только вот не понятно, что это за катушки в цепи между блоком экрана и автомагнитолой ??? а раз уж схемы есть, то может быть есть описание проводки, не вспомню где, но натыкался на описание практически каждого провода в каждом жгуте (и в разъемах сочленения), там вывод таблицей был и текстовый поиск работал, если задать 2200D может даст название и по нему уже можно будет понять назначение. Перерыл всю программу, только схемы... или может не там ищу? Если кто знает, подскажите, буду благодарен!
xfiles3 Опубликовано 30 января, 2017 Опубликовано 30 января, 2017 Нашел еще одну тему по замене монохрома на цветной...
chizhik_pyzhik Опубликовано 31 января, 2017 Опубликовано 31 января, 2017 Перерыл всю программу, только схемы... или может не там ищу? Если кто знает, подскажите, буду благодареня смотрел в SEDRE, но по проводке видел для 508го пыжика, на 607 не знаю есть иль нет, будет время - гляну. а что за схематик? есть ссылка на неё? Только вот не понятно, что это за катушки в цепи между блоком экрана и автомагнитолой ???а что за блоки? по номерам описание есть? ИМХО - это не совсем катушки, а гальваническая развязка или трансы, но зачем? может для согласования уровней 2
Рекомендуемые сообщения
Для публикации сообщений создайте учётную запись или авторизуйтесь
Вы должны быть пользователем, чтобы оставить комментарий
Создать аккаунт
Зарегистрируйте новый аккаунт в нашем сообществе. Это очень просто!
Регистрация нового пользователяВойти
Уже есть аккаунт? Войти в систему.
Войти