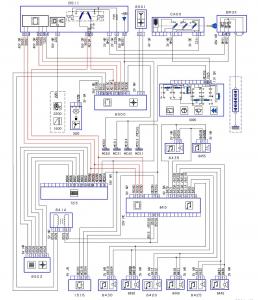
ShellesT Опубликовано 31 января, 2017 Опубликовано 31 января, 2017 Вот что есть в Sedre по цветному экрану дорестайла.Я по этим схемам себе все подключал. 2
xfiles3 Опубликовано 31 января, 2017 Опубликовано 31 января, 2017 (изменено) а что за схематик? есть ссылка на неё?Вот имя образа - PSA_schematique_07H.isoСкачивал его на "рутракере", не уверен что по правилам форума, можно выкладывать прямые ссылки на скачку. Но в поиске на сайте проблем нет. по номерам описание есть?В том то и проблема, что в программе есть блок схемы, принципиальные схемы, схемы прокладки кабелей с распиновкой... а описания нет! А что за программа SEDRE? Где ее стянуть? Может там больше информации? @ShellesT,Судя по схемам, они ориентированы на автомобильный телефон, но их конечно более чем достаточно для подключения цветного монитора с блоком управления... Изменено 31 января, 2017 пользователем xfiles3
ShellesT Опубликовано 31 января, 2017 Опубликовано 31 января, 2017 Судя по схемам, они ориентированы на автомобильный телефон, но их конечно более чем достаточно для подключения цветного монитора с блоком управления... Ну да, мне хватило с головой найти нужные провода и расключить.Что касается SEDRE это интерактивный сборник электрических схем в различных компоновках от PSA. Ставиться вместе с Service Box. Там же на рутреккере есть это дело.
xfiles3 Опубликовано 31 января, 2017 Опубликовано 31 января, 2017 ИМХО - это не совсем катушки, а гальваническая развязка или трансы, но зачем? может для согласования уровнейМне тоже это интересно. Надо будет поискать где-то в живую.Может кто-то из форумчан, у кого стоит штатный цветной экран, сможет сфоткать или посмотреть что написано на этих блочках.Судя по схеме разводки под монохром, там тоже стоит такой блочок, но он там один, находиться он сразу за экраном с правой стороны.По схеме, проводка к нему идет от СД-рома навигации, и на автомагнитолу. Я так думаю, что они взаимозаменяемые, но так как в варианте с монохромом для вывода голосовой информации навигационной системы достаточно МОНО-сигнала, то в варианте с цветным экраном, там уже нужен СТЕРЕО-сигнал, для просмотра и прослушивания контента с видео/аудио разъема... Что касается SEDRE это интерактивный сборник электрических схем в различных компоновках от PSA. Ставиться вместе с Service Box. Там же на рутреккере есть это дело.У меня есть Лексия и Service Box, надо будет порыться там...Спасибо! Есть в наличии вот такой кабель: и iPod, который дома через вышеупомянутый кабель подключен к акустической системе.В процессе ковыряния схем, появилось желание, подключить его к A/V разъему в бардачке, для прослушивания качественной музыки, так и для просмотра видео. 1
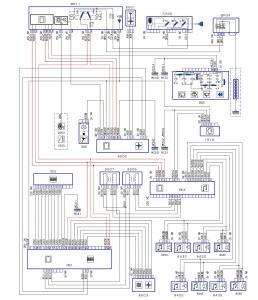
chizhik_pyzhik Опубликовано 31 января, 2017 Опубликовано 31 января, 2017 (изменено) дополню тем, что у меня дается в СЕДРЕ Увы, по номерам блоки не описаны, провода не описаны Но здесь уже по другому разрисован 6-пиновый разъем () Изменено 31 января, 2017 пользователем chizhik_pyzhik
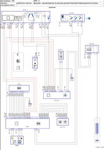
chizhik_pyzhik Опубликовано 31 января, 2017 Опубликовано 31 января, 2017 Дополню по схеме 8486 - находится в бардачке (судя по всему блок подключения A/V). на схеме для рестайла провода к нему обозначены, как обычно обозначаются коаксиалы
xfiles3 Опубликовано 31 января, 2017 Опубликовано 31 января, 2017 @chizhik_pyzhik,судя по схеме рестайла, навигация и автомагнитола объединены в одно, и аудио кабель, без каких либо дросселей (гальваники и т.п.) идет напрямую в автомагнитолу, а вот аудио кабель, идет куда-то в другое место, по схеме не видно... Но здесь уже по другому разрисован 6-пиновый разъем ()На этой схеме не указан шестипиновый разъем. На этой схеме указаны видео вход и аудио вход, они идут двумя разными разъемами.
chizhik_pyzhik Опубликовано 31 января, 2017 Опубликовано 31 января, 2017 На этой схеме не указан шестипиновый разъем. На этой схеме указаны видео вход и аудио вход, они идут двумя разными разъемами.ну если точнее, то и 6 и 12 пин, с одного видео, с другого аудио.а вот аудио кабель, идет куда-то в другое место, по схеме не видно...о котором речь? 7200 и 7201 - питание на ...ЦД-ченчер или усилок (?) ... все с 84** маркировкой - звук (колонки или на усиль) 1
xfiles3 Опубликовано 31 января, 2017 Опубликовано 31 января, 2017 (изменено) о котором речь?Сори, оговорился, я имел ввиду ВИДЕО кабель... Дополнение до блока экрана на дорестайл: ну если точнее, то и 6 и 12 пин, с одного видео, с другого аудио.Полностью согласен ! - Нашел обзор на этом сайте, который объяснил много вопросов... peugeot-lab.net/site/index.php/Материалы/Обзоры/navigationcolorscreen.html Изменено 31 января, 2017 пользователем xfiles3 1
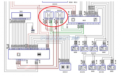
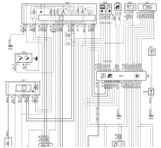
xfiles3 Опубликовано 1 февраля, 2017 Опубликовано 1 февраля, 2017 (изменено) Актуальным остается вопрос по двум блокам под номерами 8506 и 8507.Буду благодарен любой информации... Изменено 1 февраля, 2017 пользователем xfiles3
Мартын Опубликовано 1 февраля, 2017 Опубликовано 1 февраля, 2017 8506 : трансформатор правой цепи аудио навигации 8507 : трансформатор левой цепи аудио навигации
xfiles3 Опубликовано 1 февраля, 2017 Опубликовано 1 февраля, 2017 , Еще бы номерок, чтобы поискать в нете...
chizhik_pyzhik Опубликовано 1 февраля, 2017 Опубликовано 1 февраля, 2017 (изменено) del Изменено 1 февраля, 2017 пользователем chizhik_pyzhik
Мартын Опубликовано 1 февраля, 2017 Опубликовано 1 февраля, 2017 , Еще бы номерок, чтобы поискать в нете... Если бы вы еще и данные что за схема это тогда возможно пожалуйста. 1
xfiles3 Опубликовано 1 февраля, 2017 Опубликовано 1 февраля, 2017 Если бы вы еще и данные что за схема это тогда возможно пожалуйста.Схема вывода голосовых подсказок навигационной системы на дорестайлинговых Peugeot 607 с цветным экраном. а на "ответной части", т.е. на 8410 соотв. пины заняты? проводка есть?8410 - автомагнитола.У меня проводка под монохром, там занято только три пина, на них приходит моно-сигнал, четвертый свободный.
Мартын Опубликовано 1 февраля, 2017 Опубликовано 1 февраля, 2017 Схема вывода голосовых подсказок навигационной системы на дорестайлинговых Peugeot 607 с цветным экраноСкрин всего экрана выложите.У меня нет такой схемы с двумя трансформаторами, а с одним есть.
xfiles3 Опубликовано 1 февраля, 2017 Опубликовано 1 февраля, 2017 ,Под руками живой схемы нет. Вариант с одним трансформатором, это проводка под монохромный экран, а с двумя трансформаторами, это проводка под цветной экран с блоком управления.
xfiles3 Опубликовано 3 февраля, 2017 Опубликовано 3 февраля, 2017 Скрин всего экрана выложите. Монохром: Цветной:В просторах интернета нашел довольно-таки полезную информацию:"Обозначения на схемах Peugeot".Может кому надо:components_psa.doc 1
Drowdaro Опубликовано 9 ноября, 2017 Опубликовано 9 ноября, 2017 Приветствую всех Пыжеводов, Единомышленников. Братцы подскажите головоломку с монохрона на цветной.Во дворе стоят два близнеца 607-х 2003г, один с бежевым салоном, другой с черным, оба 3-х литровые. Пол дня мучился снимая торпеду, с пустого салона, подключил всю проводку к монику, блоку управления им, магнитоле,климе,и все что касаемо,сюда. И начал вытаскивать из шлейфов, получается разводка уходит в перед, назад, влево и в право, на кучу всяких датчиков. на монохроне навигатор где-то спереди,на цветном сзади. Даже боюсь себе представить как все это добро расположить по местам,без демонтажа торпеды. Подскажите выход, есть абсолютно вся проводка и на одном и на втором Схемы есть, скачал,я так понимаю они без нави, хотелось бы чтобы все работало.https://kolesa.kz/a/show/39306246,картинкиздесь. https://kolesa.kz/zapchasti/prodazha/peugeot/607/2000-2010/
xfiles3 Опубликовано 29 ноября, 2017 Опубликовано 29 ноября, 2017 Приветствую всех Пыжеводов, Единомышленников. Братцы подскажите головоломку с монохрона на цветной.Во дворе стоят два близнеца 607-х 2003г, один с бежевым салоном, другой с черным, оба 3-х литровые. Пол дня мучился снимая торпеду, с пустого салона, подключил всю проводку к монику, блоку управления им, магнитоле,климе,и все что касаемо,сюда. И начал вытаскивать из шлейфов, получается разводка уходит в перед, назад, влево и в право, на кучу всяких датчиков. на монохроне навигатор где-то спереди,на цветном сзади. Даже боюсь себе представить как все это добро расположить по местам,без демонтажа торпеды. Подскажите выход, есть абсолютно вся проводка и на одном и на втором Схемы есть, скачал,я так понимаю они без нави, хотелось бы чтобы все работало.https://kolesa.kz/a/show/39306246,картинкиздесь.https://kolesa.kz/zapchasti/prodazha/peugeot/607/2000-2010/Приветствую!На схемах "нави" - есть.Что и в "монохроме", что и в "цветном" привод навигации расположен в багажнике над чейнджером. Но проводка кардинально отличается. В "цветном" для передачи данных используется оптика и "стерео" канал голосовых подсказок, а в "монохроме" данные передаются проводами и используется "моно" голосовой канал.Без кромсания родной проводки можно подключить только сам цветной моник с блоком и проводкой для аудио/видео входа. А вот в "нави", надо заниматься кулибиничеством
Рекомендуемые сообщения
Для публикации сообщений создайте учётную запись или авторизуйтесь
Вы должны быть пользователем, чтобы оставить комментарий
Создать аккаунт
Зарегистрируйте новый аккаунт в нашем сообществе. Это очень просто!
Регистрация нового пользователяВойти
Уже есть аккаунт? Войти в систему.
Войти