maz 543 Опубликовано 20 января, 2013 Опубликовано 20 января, 2013 (изменено) Вытащил сегодня верхние лямбда зонды,помыть их в ортофосфорной кислоте.Кислота оказалась бадяжная ржавчину разъедала еле еле,не ставить же обратно их ничего не делая.Промыл их очистителем карбюратора из балончика и поставил на место.Запустилась нормально ,холостой ровненький.Выкатил из гаража и заглушил.Через пол часа поехал домой и началось,ехать не хочет,такое ощущение что работает 4 целиндра из 6,холостой плавает,под нагрузкой на повышенной передаче подергивает ,пропали показания по расходу топлива.Все думаю намыл себе проблем,домой приехал залез в магазин,нашел бошевские лямбды по 1800р,забил их в корзину.Через час пришлось еще подвигатся,запускаю мотор,работает ровненько,прокатился,расход топлива показывает,тянет отлично.Чувствуется что подхват на 3 передаче с 1500 об. веселеее чем был.Единственное ошибка антиполюшн на бортовом компе чаше моргает чем раньше(выбилы катализаторы,обманки не ставил).Вплотную подошел к тому ,что этот гемор надо убирать,чтоб глаза не мазолил.Лудше всего отключить 2-е лямбды,но грамотного электрика днем с огнем не найти.Остается либо ставить ввертыш на 2-ю лямбду, либо впаивать резистор.Схемы и чертижи нашел,но терзают сомнения как лудше обмануть лямбды.Кто сталкивался с этим,подскажите что лудше сделать,с пояльником дружу,и токаря найти не проблема........ Изменено 20 января, 2013 пользователем maz 543
AlexxxTT Опубликовано 21 января, 2013 Опубликовано 21 января, 2013 (изменено) Какой больше нравится. Я бы схемку собрал. Все лучше чем под машиной ключами крутить))) Да и токаря искать неохота. Изменено 21 января, 2013 пользователем AlexxxTT
vovys Опубликовано 29 октября, 2016 Опубликовано 29 октября, 2016 ребят подскажите? какой лямбда зонд стоит на пежо 607 3.0 циркониевый или широкополосный?
Мартын Опубликовано 29 октября, 2016 Опубликовано 29 октября, 2016 Широкополосный стоит на ПЕЖО моторах только на атмо EP6,а на остальных классический. 1
kaema Опубликовано 11 января, 2017 Опубликовано 11 января, 2017 Испробовал все схемы гуляющих в интернете простых электронных обманок, на 2.2і ни одна толком не работает. В результате экспериментов соорудил свою обманку на вторую лямбду. На просторах интернета аналогичную моей схему не нашел. Цена вопроса копейка. Езжу почти год с выбитым катом, универсальной второй лямбдой и этой обманкой, антиполюшен не достает. 1
serzh1980 Опубликовано 11 января, 2017 Опубликовано 11 января, 2017 Испробовал все схемы гуляющих в интернете простых электронных обманок, на 2.2і ни одна толком не работает. В результате экспериментов соорудил свою обманку на вторую лямбду. На просторах интернета аналогичную моей схему не нашел. Цена вопроса копейка. Езжу почти год с выбитым катом, универсальной второй лямбдой и этой обманкой, антиполюшен не достает. немного с описанием перестарался.Универсальная наверное передняя, а на заднюю соорудил эту схему? Правильно?
kaema Опубликовано 11 января, 2017 Опубликовано 11 января, 2017 немного с описанием перестарался.Универсальная наверное передняя, а на заднюю соорудил эту схему? Правильно?Датчик брал на разборе bosch без разъема, с огрызками проводов, сказали, что универсальный. Его и поставил назад. Да Вы правильно поняли, эта схема для задней лямбды.
serzh1980 Опубликовано 11 января, 2017 Опубликовано 11 января, 2017 прикольно намудрено. Я тоже мучил схемы из инета. А какие показания дает в программе PP2000 задняя лямбда? Вольтаж какой 0.5 - 0.7?Саша, объем двс 2.2i ?
kaema Опубликовано 11 января, 2017 Опубликовано 11 января, 2017 прикольно намудрено. Я тоже мучил схемы из инета. А какие показания дает в программе PP2000 задняя лямбда? Вольтаж какой 0.5 - 0.7?Саша, объем двс 2.2i ?Объем двс 2.2. Какая разница какой вольтаж? Ошибку-то не выдает.
serzh1980 Опубликовано 11 января, 2017 Опубликовано 11 января, 2017 (изменено) Объем двс 2.2. Какая разница какой вольтаж? Ошибку-то не выдает.+ за мытарства со схемой. Красавец.По поводу вольтажа- важный момент всё же.. Будет ли схема работать у тех, кто не выбил каталик?Если решусь на эксперименты - то тоже сделаю для замера показаний. Изменено 11 января, 2017 пользователем serzh1980
kaema Опубликовано 11 января, 2017 Опубликовано 11 января, 2017 + за мытарства со схемой. Красавец.По поводу вольтажа- важный момент всё же.. Будет ли схема работать у тех, кто не выбил каталик?Если решусь на эксперименты - то тоже сделаю для замера показаний.Задача была убрать ошибку именно с выбитым катом.
serzh1980 Опубликовано 11 января, 2017 Опубликовано 11 января, 2017 как выхлоп? Не ядовит что глаз рэжит? ))
kaema Опубликовано 11 января, 2017 Опубликовано 11 января, 2017 Да, глаз классный индикатор ядовитости выхлопа, пора патентовать!
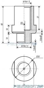
ShellesT Опубликовано 11 января, 2017 Опубликовано 11 января, 2017 Вкрутил себе ввертыши как на чертеже вверху. Не работают у меня они. Хотя парнишка в Драйва когда выкладывал этот чертеж утверждал, что на его трешке уже на тот момент полет был 6 тысяч км и никаких позывов на антиполюшн. Так и езжу дальше с джеки чаном.
serzh1980 Опубликовано 11 января, 2017 Опубликовано 11 января, 2017 Вкрутил себе ввертыши как на чертеже вверху. Не работают у меня они. Хотя парнишка в Драйва когда выкладывал этот чертеж утверждал, что на его трешке уже на тот момент полет был 6 тысяч км и никаких позывов на антиполюшн. Так и езжу дальше с джеки чаном.Замути схемку на своей трехе.. Потом расскажешь..
ShellesT Опубликовано 11 января, 2017 Опубликовано 11 января, 2017 Замути схемку на своей трехе.. Потом расскажешь..придется судя по всему.
shatun Опубликовано 8 февраля, 2019 Опубликовано 8 февраля, 2019 Всем здравствовать ! Подскажите как определить рабочий лямбда зонд или нет? Можно его просто отключить и сравнить работу ДВС ?
Мартын Опубликовано 9 февраля, 2019 Опубликовано 9 февраля, 2019 Всем здравствовать ! Подскажите как определить рабочий лямбда зонд или нет? Можно его просто отключить и сравнить работу ДВС ?Работу проверить диагностическим прибором.Можно отключить его и эксплуатировать по обходной программе.
shatun Опубликовано 9 февраля, 2019 Опубликовано 9 февраля, 2019 Отключать не хочу. Просто хочу докопаться, что с Левой не так; горит мясорубка, АБС. Мастера действуют методом тыка. Теперь времени много сам хочу покопаться, вот только в электронике я дуб может сосед поможет он теле мастер, Алексей отпишитесь пожалуйста какие нужны приборы для диагностики.
icechieff Опубликовано 9 февраля, 2019 Опубликовано 9 февраля, 2019 Отключать не хочу. Просто хочу докопаться, что с Левой не так; горит мясорубка, АБС. Мастера действуют методом тыка. Теперь времени много сам хочу покопаться, вот только в электронике я дуб может сосед поможет он теле мастер, Алексей отпишитесь пожалуйста какие нужны приборы для диагностики.Осциллограф, например, если мы говорим именно про лямбду. А вообще для диагонстики нужен шнурок PP2000 / Lexia.
Рекомендуемые сообщения
Для публикации сообщений создайте учётную запись или авторизуйтесь
Вы должны быть пользователем, чтобы оставить комментарий
Создать аккаунт
Зарегистрируйте новый аккаунт в нашем сообществе. Это очень просто!
Регистрация нового пользователяВойти
Уже есть аккаунт? Войти в систему.
Войти