spawlding Опубликовано 24 февраля, 2013 Опубликовано 24 февраля, 2013 Всем, привет! Такая ситуация, приобрел себе 307 на автомате 2004 года.Когда осматривал, как то не додумался посмотреть. Оказалось, что на авто не работают все 3 стоп-сигнала. Почитав форумы, решил проверить основные части. Оба предохранителя целые. Проверил лампочки, тоже целые, хотя пластмаска была подплавлена немного. Решил добраться до лягушки. Разобрал ее полность, контакты подчистил. Там как выяснилось 2 контакта, один из которых отвечает еще и за разблокировку автомата. Его когда размыкаешь, слышен характерный щелчок под рукоятью. А второй контакт как бы я не смыкакл, не размыкал ни один из стопов так и не загорелся. Кто подскажет в чем может быть причина и где ее искать? Заранее спасибо!!!!
GANSTER020 Опубликовано 24 февраля, 2013 Опубликовано 24 февраля, 2013 Всем, привет! Такая ситуация, приобрел себе 307 на автомате 2004 года.Когда осматривал, как то не додумался посмотреть. Оказалось, что на авто не работают все 3 стоп-сигнала. Почитав форумы, решил проверить основные части. Оба предохранителя целые. Проверил лампочки, тоже целые, хотя пластмаска была подплавлена немного. Решил добраться до лягушки. Разобрал ее полность, контакты подчистил. Там как выяснилось 2 контакта, один из которых отвечает еще и за разблокировку автомата. Его когда размыкаешь, слышен характерный щелчок под рукоятью. А второй контакт как бы я не смыкакл, не размыкал ни один из стопов так и не загорелся. Кто подскажет в чем может быть причина и где ее искать? Заранее спасибо!!!!а на лампе где подплавлена?? Попробуй с ламп начни..даже если визуально целые, всё бывает
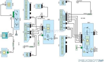
Nevermind Опубликовано 24 февраля, 2013 Опубликовано 24 февраля, 2013 так лягушка вроде не размыкать, а замыкать должна? Или я ошибаюсь? вообще схема стопов до безобразия проста. там по сути ломаться могут или предохранители или лягушка или лампочки. Учитывай что стопы работают только начиная при включенном в первое положение ключе зажигания. У меня лягушка была подплавлена, я ее тупо заменил на неоригинал - стоит копейки какие-то в екзисте.Схема работы стопов прилагается. Возьми мультиметр и вымеряй где пропадает напруга..
spawlding Опубликовано 24 февраля, 2013 Автор Опубликовано 24 февраля, 2013 а на лампе где подплавлена?? Попробуй с ламп начни..даже если визуально целые, всё бывает Где гнездо лампочек, там бортик получается на половину металическая (масса по-моему) а на половину пластмаса (в этих местах)... так лягушка вроде не размыкать, а замыкать должна? Или я ошибаюсь? вообще схема стопов до безобразия проста. там по сути ломаться могут или предохранители или лягушка или лампочки. Учитывай что стопы работают только начиная при включенном в первое положение ключе зажигания. У меня лягушка была подплавлена, я ее тупо заменил на неоригинал - стоит копейки какие-то в екзисте.Схема работы стопов прилагается. Возьми мультиметр и вымеряй где пропадает напруга..все правильно, замыкать! я просто ее полность разобрал, а без своего корпуса контакты постоянно замкнутаы. ну я и вставил ее в таком виде в гнездо. начал пробовать, что изменится, если в ручную размыкать. один контакт точно работает потомучно автомат срабатывает, а второй так ни каки признаков и не подал. я как понимаю в ней 2 контакта, потому что 2 предохранителя. но если работает один контакт, то по идее хотябы один стоп должен работать. а может такое быть, что провода на массу, где подсоединены к корпусу авто могли окислиться после замыкания? за схемы конечно спасибо, но разобраться в них мне как то не под силу! может есть пособие небольшое или статья по чтению этих схем?
Рекомендуемые сообщения
Для публикации сообщений создайте учётную запись или авторизуйтесь
Вы должны быть пользователем, чтобы оставить комментарий
Создать аккаунт
Зарегистрируйте новый аккаунт в нашем сообществе. Это очень просто!
Регистрация нового пользователяВойти
Уже есть аккаунт? Войти в систему.
Войти