Shyt Опубликовано 11 июля, 2013 Опубликовано 11 июля, 2013 Приветствую!Дополнительный стоп сигнал горит,а в фонарях не горят,лампочки целы,если горит дополнительный значит не лягушка не предохранители. Тогда что может быть,подскажите пожалуйста.
Диман77 Опубликовано 12 июля, 2013 Опубликовано 12 июля, 2013 Для начала проверь всё таки предохранители 5 левый стоп сигнал и 17 правый и он же дополнительный(но если он у тебя горит значит 17 целый) находятся в салоне, контакты под лампочками почисти и подогни слегка, померяй напряжение на контактах под лампочками и дальше в разъёме (палку упри в педаль тормоза) видишь предохранители разные значит и придчины могут быть разные ,может на одном контакт плохой а на другом предохранитель.
icechieff Опубликовано 12 июля, 2013 Опубликовано 12 июля, 2013 Скорее уж лягушка, чем две разные причины) Если, конечно, не лампочки перегорели)
Диман77 Опубликовано 12 июля, 2013 Опубликовано 12 июля, 2013 Я думаю если лягушка то дополнительный бы не горел.
icechieff Опубликовано 12 июля, 2013 Опубликовано 12 июля, 2013 @Диман77, точно... Значит надо смотреть контакты в разъемах, и проверять массу у плафонов...
Диман77 Опубликовано 12 июля, 2013 Опубликовано 12 июля, 2013 Денис видишь у него что то много проблем с электрооборудованием то магнитола включается при открытие дверей , это что за электрик который так магнитолу подключил и в трёх проводах заблудился
Shyt Опубликовано 12 июля, 2013 Автор Опубликовано 12 июля, 2013 После работы проверю напряжение на контактах,дак у меня не только магнитола и стопы оказывается еще и пищалка не работает что с руля что поиск машины. Чуть разачаровываюсь в покупке,на электрику мало смотрел в основном на кузов и ходовую часть.
Диман77 Опубликовано 12 июля, 2013 Опубликовано 12 июля, 2013 Всё правильно кузов, ходовка, движок. А простейшая электрика (я не говорю там о прошивках,телекодировках) а та которая в виде лампочек,сигналов и т.д, Это можно починить своими силами (если умеешь держать паяльник в руках и тестером пользоватся)
Shyt Опубликовано 12 июля, 2013 Автор Опубликовано 12 июля, 2013 Вот с тестером не особо дружу,купил и не очень соображу чего к чему,но напряжение могу определить. Да и стопы надо делать дополнительные поздно замечают боюсь в зад приедуд мне
Диман77 Опубликовано 12 июля, 2013 Опубликовано 12 июля, 2013 Фото тестера покажи я объясню, тебе всего 2 положения нужно в основном напряжение, но если понадобится сопротивление, если он с сигналом ещё лучше.
Shyt Опубликовано 12 июля, 2013 Автор Опубликовано 12 июля, 2013 Я на работе с телефона так фотку не скину а ссылку могу http://www.r-treid.ru/products_pictures/9.JPG
Диман77 Опубликовано 12 июля, 2013 Опубликовано 12 июля, 2013 Ставишь стрелку на 20 меряешь напряжение соблюдай полярность чёрный на массу авто (массу лампочек, токо аккуратно не закороти), положение 2 с диодиком можно проверить целостность цепи когда переключишь будет показывать 1 , целая цепь 000 (перед этим обязательно сними клему с акума, если забудешь спалишь) да и тестер г**но, такие прямо в магазине глючат, но для тренировок тебе хватит.
Shyt Опубликовано 12 июля, 2013 Автор Опубликовано 12 июля, 2013 Спасибо за помощь после работы буду пробывать! Кстати маса лампочки это же нижний контакт или боковой?
Диман77 Опубликовано 12 июля, 2013 Опубликовано 12 июля, 2013 Масса лампочки боковой, + это центральный (когда замеришь напряжение, попробуй дальше массу лампочки на кузов авто на целостность цепи) а начни сначала с 5 предохранителя,вытащи его и прозвони. (если что не понятно лучше 10 раз переспроси)
Shyt Опубликовано 12 июля, 2013 Автор Опубликовано 12 июля, 2013 Хорошо буду сюда отписывать спрашивать а то с механикой постоянно общаюсь что в машине что на работе а вот с электрикой не очень.
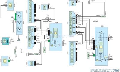
Nevermind Опубликовано 12 июля, 2013 Опубликовано 12 июля, 2013 (изменено) если горит верхнйи стоп - то полюбому преды и лягуха целые. На верхний стоп + идет через правый фонарь. Т.е. провод приходит на фонать и от этой-же клемки выходит обратно на верхний стоп. Проверь лампочки на обрыв - тестером в нижнем режиме. Поставь заведомо рабочие лампочки, например с поворотника.. проверь плату чтоб звонились все контакты от входа до массы (как ток идет..). Если верхний стоп нормально работает - полюбому не пред и не лягушка. По крайнйе мере с правым стопом они висят на одном предохранителе. А вот №5 можно проверить.. там реально может быть из-за преда, хотя скорее всего тоже проблема в дорожках или клемке.Померяйте приходит ли ток на разъем фонаря. А там уже нужно плясать куда он девается.Вот схемка фонариков задних.. Изменено 12 июля, 2013 пользователем Nevermind 1
Диман77 Опубликовано 12 июля, 2013 Опубликовано 12 июля, 2013 Я на 9ке отрезал разъём идущий к плате и выкинул а все лампочки подпаял к проводам и катался года 3 ни дна не перегорела, вот что значит надёжный контакт, а главное бесплатно и работало без проблем.
spawlding Опубликовано 13 июля, 2013 Опубликовано 13 июля, 2013 попробуй лампочки поменять, они по 10 рублей стоят. была ситуация: не загорались лампочки, хоть и целые были. и подгинал контакты, и чистил их, и предохранители менял. хотел уже лягушку поменять. но нашел завалявшиеся лампочки, которые работали как ни в чем не бывало))))
Shyt Опубликовано 14 июля, 2013 Автор Опубликовано 14 июля, 2013 Ребята такого не ожилал,все прозвонил просмотрел ,ток есть ,прочитал последнее сообщение поменял лампочки работает хрен пойми что такое но для еня странно.
icechieff Опубликовано 14 июля, 2013 Опубликовано 14 июля, 2013 у разных лампочек бывают на доли милиметра отличается цоколь - побольше, подлиннее, и контакт появляется... подожми все контакты, и все будет пучком. Похоже центральный просто не доставал...
Shyt Опубликовано 14 июля, 2013 Автор Опубликовано 14 июля, 2013 Так лампочки один в один,и контакты поджимал особенно боковой он подозрительно слабый был.
crows Опубликовано 29 июля, 2013 Опубликовано 29 июля, 2013 а у меня вот такая ситуация непонятная со стопами, правая лампочка не горела, горели левый и доп сигнал, поменял правую лампочку, теперь она горит а другие не горят ))))) питание на них нет, ничего не пойму ))))
crows Опубликовано 29 июля, 2013 Опубликовано 29 июля, 2013 (изменено) спасибо что подсказали :laugh2: но вот вам принцип работы если что, я смотрел 206, незнай уж как на других, но здесь система работает так, правый стоп горит непосредственно от лягушки, предака нет на нем, доп сигнал и левый горят через предак который прозванивается только при нажатом тормозе! еле разобрался Изменено 29 июля, 2013 пользователем crows
Рекомендуемые сообщения
Для публикации сообщений создайте учётную запись или авторизуйтесь
Вы должны быть пользователем, чтобы оставить комментарий
Создать аккаунт
Зарегистрируйте новый аккаунт в нашем сообществе. Это очень просто!
Регистрация нового пользователяВойти
Уже есть аккаунт? Войти в систему.
Войти