Перейти к содержанию

Группа в Telegram - https://t.me/peugeot_lab

Рекомендуемые сообщения

Опубликовано

Досталась 405 -я с вышеупомянутым впрыском, провода все оторваны
разъемов
нет,как подключить кто знает?????? по схеме нет цветов провода ток номера , а какой куда не знаю помогите плиз
:pray:
Опубликовано

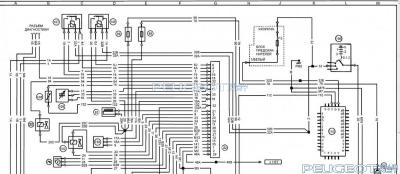
Дружище нет проблем на проводах есть коды вот тебе схема из двух частей распечатай и соедини их вместе а лучше скачай мануал электронный там коды в схеме есть.

[Peugeot-Club.net] - 1-0.JPG

[Peugeot-Club.net] - 1-1.JPG

Для публикации сообщений создайте учётную запись или авторизуйтесь

Вы должны быть пользователем, чтобы оставить комментарий

Создать аккаунт

Зарегистрируйте новый аккаунт в нашем сообществе. Это очень просто!

Регистрация нового пользователя

Войти

Уже есть аккаунт? Войти в систему.

Войти
×
×
  • Создать...