Алексъ Опубликовано 29 марта, 2014 Опубликовано 29 марта, 2014 Тама.это бездоказательно и антинаучно! 1
Георгий Опубликовано 29 марта, 2014 Опубликовано 29 марта, 2014 это бездоказательно и антинаучно! Алексей, я уже всё сказал. Давай останемся каждый при своём, главное что бы автору помогло!
Алексъ Опубликовано 29 марта, 2014 Опубликовано 29 марта, 2014 она напрямую связана с ABSна моей 307 2003 г.в. была проблема с датчиком abs ,что отразилось на работе самой abs(она отключилась),но ни коим образом не сказалась на АКПП, ДВС, погоде и вспышках на солнце... 1
Алексъ Опубликовано 29 марта, 2014 Опубликовано 29 марта, 2014 (изменено) так автору помогло https://peugeot-lab.net/forum/topic/8960/?do=findComment&comment=77450/ пост №5.В личной переписке все объяснил.В итоге был найден неправильный разъем.Вернее не тот разъем был одет на датчик положения коленвала.после замены разъема движок завелся. Изменено 29 марта, 2014 пользователем Алексъ 1
Георгий Опубликовано 29 марта, 2014 Опубликовано 29 марта, 2014 так автору помогло http://peugeot-lab....60/#entry77450/ пост №5.В личной переписке все объяснил.В итоге был найден неправильный разъем.Вернее не тот разъем был одет на датчик положения коленвала.после замены разъема движок завелся. Скажу Больше, у нашего одноклубня было заменено всё что только можно а проблема была в перекрытом канале впускного коллектора 4 цилиндра. Кто бы мог подумать. Нато и форум.
Алексъ Опубликовано 30 марта, 2014 Опубликовано 30 марта, 2014 Нато и форум.Вот.И мнения высказываются разные-от фантастических до ошибочных.Человек сам выбирает,к каким мнениям прислушиваться.А некоторые сразу "-" плюсуют
Георгий Опубликовано 30 марта, 2014 Опубликовано 30 марта, 2014 Вот.И мнения высказываются разные-от фантастических до ошибочных.Человек сам выбирает,к каким мнениям прислушиваться.А некоторые сразу "-" плюсуют Неа, человек выбирает те отзывы которые явно верные. А это видно по самому ответу и по репутации. Хотя некоторые набрали таковую не в ремонтных ветках.
Dron Опубликовано 30 марта, 2014 Опубликовано 30 марта, 2014 А то что у него стоит ЭБУ не тот это вы считаете нормальным? Взят двигатель ми-16 и запихнули мозги от 8-ми клапанного xu9j2 это супер достижения в конструктиве. Я просто видел на ютубе что его и на Январе 5.2 запустили!!!
Dron Опубликовано 30 марта, 2014 Опубликовано 30 марта, 2014 Если кто то выкладывает свои предположения либо гипотезы должны подтвердить документально либо наглядно чтоб все видели что это действительно правильно.
Георгий Опубликовано 30 марта, 2014 Опубликовано 30 марта, 2014 Если кто то выкладывает свои предположения либо гипотезы должны подтвердить документально либо наглядно чтоб все видели что это действительно правильно. Верно сказано.
Dron Опубликовано 30 марта, 2014 Опубликовано 30 марта, 2014 (изменено) Вопрос здесь стоял в начале форума таков:ЦитируюРебята!У сына проблема. Пытается реанимировать Пыжика. Взял нерабочим. Немного пытаюсьпомочь ему. Два вопроса:1. Может ли не заводиться движок от того,что АБС запомнила ошибки? Т.е. существует ли какая-либо связь между мозгом двигателя и АБС (например, через приборную панель, или еще как...)2. Как сбросить ошибки на блоке АБС? Коротко про машину. Инжектор. АБС. ... )) Ответ на вопрос: нет!Я считаю что на донный вопрос ответ более чем исчерпавший и документально подтвержденный!А то что ему кто то запихнул кусок тряпки впускной коллектор № 4 - кто здесь должен был догадаться? Здесь нет телепатов. Изменено 30 марта, 2014 пользователем Dron
AlexelA Опубликовано 30 марта, 2014 Опубликовано 30 марта, 2014 Ответ на вопрос: нет!А как же быть с тем фактом, что если после срабатывания АБС сразу нажать на педаль газа, то авто начинает сильно тупить и практически не разгоняется? Причем, у меня не мультиплекс...
Dron Опубликовано 31 марта, 2014 Опубликовано 31 марта, 2014 Вопрос был к 405, а не 406 не путайте педали!!! немного разное авто!
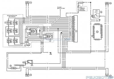
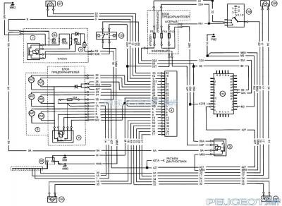
Dron Опубликовано 31 марта, 2014 Опубликовано 31 марта, 2014 (изменено) А как же быть с тем фактом, что если после срабатывания АБС сразу нажать на педаль газа, то авто начинает сильно тупить и практически не разгоняется? Причем, у меня не мультиплекс...может у тебя проблема с тормозной системой? попробуй АБС вообще отключи что будет?А вы не думали что связью между всеми системами может производить бортовой компьютер и команды обратной связи идти от него!? Вот 2 схемы ABS если вы такие умные найдите связь!!!! Изменено 31 марта, 2014 пользователем Dron
oleg1961 Опубликовано 31 марта, 2014 Автор Опубликовано 31 марта, 2014 Мужики! В чо переругались то? Проблема решена (по тексту Алексъ указывал). Про тряпке в 4-м цилиндре, правда, я не понял? Кто мне ее заткнул?! )))
Георгий Опубликовано 31 марта, 2014 Опубликовано 31 марта, 2014 Мужики! В чо переругались то? Проблема решена (по тексту Алексъ указывал). Про тряпке в 4-м цилиндре, правда, я не понял? Кто мне ее заткнул?! ))) Связь!
Dron Опубликовано 31 марта, 2014 Опубликовано 31 марта, 2014 (изменено) Мужики! В чо переругались то? Проблема решена (по тексту Алексъ указывал). Про тряпке в 4-м цилиндре, правда, я не понял? Кто мне ее заткнул?! ))) Главное что нашел проблему и запустил движок. И чтоб больше вопросов на эти темы не возникали. Изменено 31 марта, 2014 пользователем Dron
AlexelA Опубликовано 31 марта, 2014 Опубликовано 31 марта, 2014 может у тебя проблема с тормозной системой? попробуй АБС вообще отключи что будет? C АБС все нормально и по диагностике и по работе...А вы не думали что связью между всеми системами может производить бортовой компьютер и команды обратной связи идти от него!?Речь о чем и веду я...
Dron Опубликовано 31 марта, 2014 Опубликовано 31 марта, 2014 @AlexelA, Прямой связи между системами нет, только для визуального контроля всё высвечивает бортавик, если нет его то просто чеки (для каждой системы свой) Я это пытался объяснить это с начало, а до меня ABS не влияет,даже если автомат. Она вообще не влияет на работу двигателя. Надо читать ошибку ABS,в принципе там пару вариантов только: 1-не работает сам блок ABS по какой нибудь причине(электронная часть) 2- датчики ABS тоже правильно. БК подаёт команду ЭБУ для увеличения время реакции акселератора после экстренного торможения. Вдруг вовремя ДТП вы нажмете педаль акселератора. короче все ради вашей безопасности, но это свежие машины, 405 к этому не относится
Рекомендуемые сообщения
Для публикации сообщений создайте учётную запись или авторизуйтесь
Вы должны быть пользователем, чтобы оставить комментарий
Создать аккаунт
Зарегистрируйте новый аккаунт в нашем сообществе. Это очень просто!
Регистрация нового пользователяВойти
Уже есть аккаунт? Войти в систему.
Войти