oleg1961 Опубликовано 23 марта, 2014 Опубликовано 23 марта, 2014 Продолжаем оживлять Пыжика!В цепочке, обеспечивающей формирование искры (ДПКВ, МОЗГ, коммутатор, катушка), не проверена исправность только МОЗГА.Схема, найденная в мануале и тырнете, бедновата, да и чота не совсем та.Мозг - bosch motronic 1.3 (0261200131). Движок XU9J4.Подскажите распиновку его!Плиз!!!
oleg1961 Опубликовано 23 марта, 2014 Автор Опубликовано 23 марта, 2014 (изменено) Вроде не совсем оно?: http://findebookee.com/m/motronic-1-3 в традиционном мануале для XU9J4 Матроник приведен 55-контактный.а в машинке стоит 35-контактный!Ваще нипайму как реле форсунок и т.насоса управляются...да и как тогда форсунки управляются? они ж объеденены! кто подскажет? мозг уже плавится... Изменено 23 марта, 2014 пользователем oleg1961
oleg1961 Опубликовано 24 марта, 2014 Автор Опубликовано 24 марта, 2014 Я вроде лучче нашел:Но еще не сверял...На делаемом Пыжике предыдущие хозявы "поковырялись" в проводке канкретна....
oleg1961 Опубликовано 26 марта, 2014 Автор Опубликовано 26 марта, 2014 НАКАНЕЦТА!!!!!!!!!!!!!Заработал! Искра появилась!Все было просто: ошибочно надели на разъем ДПКВ штеккер от другого датчика (странно, ранее никогда не встречал, чтоб на иносранной технике рядом располагались два одинаковых штеккера!).И схема электрообуродования для стоящего на Пыжике XU9J4 (движок не родной, должен стоять XU51C) подходит от мануальной XU9J2 MP 3.1.Уря....!
Алексъ Опубликовано 27 марта, 2014 Опубликовано 27 марта, 2014 Уря....! Ну молодцы!Рад за вас.Я же говорил,дело в датчике...
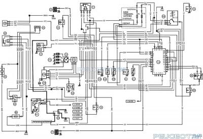
Dron Опубликовано 27 марта, 2014 Опубликовано 27 марта, 2014 (изменено) Схемы неправильные.первая вообще 2.7L V6, вторая Система впрыска и зажигания (XU9J2 MP3.1 Motronic) обычный 8 клапанной 1.9L совершенно разные двигатели ни какого отношения к ми16 не имеет.в 3 вкладках не можете найти мануал!!!!!!качайте мануал там все естьhttp://peugeot-lab....ic/457/ пост№8схема: Система впрыска и зажигания (XU9J4 и XU9J4/ Z M1.3Motronic)что еще нужно? Изменено 29 марта, 2014 пользователем Dron
V2oD2o Опубликовано 27 марта, 2014 Опубликовано 27 марта, 2014 что еще нужно? Может у тебя где то есть в загашнике инфа о CAN протоколах пежошных?В частности интересует 407 с мотором DW10BTED4 - мне бы например по CANу получить угол положения заслонки..
Dron Опубликовано 27 марта, 2014 Опубликовано 27 марта, 2014 что тебе конкретно нужно. коды ошибок распиновку разъема или еще что?
V2oD2o Опубликовано 27 марта, 2014 Опубликовано 27 марта, 2014 что тебе конкретно нужно. коды ошибок распиновку разъема или еще что? Имя протокола по ISO
Алексъ Опубликовано 27 марта, 2014 Опубликовано 27 марта, 2014 первая вообще непонятно откудаот BMW.Но т.к мотрон 1.3 и там и там одинаков,то подключение основных систем должно быть примерно одинаковым.
Dron Опубликовано 27 марта, 2014 Опубликовано 27 марта, 2014 @Алексъ, от BMW.Но т.к мотрон 1.3 и там и там одинаков,то подключение основных систем должно быть примерно одинаковым.абсолютно разный обвес. Схемы есть качайте!!! что гадать интереснее!
Dron Опубликовано 27 марта, 2014 Опубликовано 27 марта, 2014 (изменено) Имя протокола по ISOCAN - протокол и есть, ты в первом пасте, ответил сам на свой вопрос!Гуглить пробовал? Вообще то есть форум 407- тут немного не по адресу Изменено 27 марта, 2014 пользователем Dron
V2oD2o Опубликовано 27 марта, 2014 Опубликовано 27 марта, 2014 CAN - протокол и есть понятно, и правда не по адресу
Алексъ Опубликовано 28 марта, 2014 Опубликовано 28 марта, 2014 абсолютно разный обвеспринцип одинаков,да и похоже все таки.А проблему Олег решил с поиском искры и запуском двигателя.
oleg1961 Опубликовано 28 марта, 2014 Автор Опубликовано 28 марта, 2014 (изменено) А вот еще вопрос. Ищу, куда и откуда идут три красненьких провода (обозначены как 224(два) и 30С). В наличии три оборванных, входящих в жгут, конца в районе между двигателем и радиатором (длинненьких, возможно шедших ранее к датчикам на противоположной стороне движка, там есть не присоединенные ни к чему датчики). Далее они идут в моторном отсеке через промежуточный разъем, которого на схеме нет, куда-то в салон. К панели приборов таких проводов они не подходят. Кто б дал схему жгута? Изменено 28 марта, 2014 пользователем oleg1961
oleg1961 Опубликовано 28 марта, 2014 Автор Опубликовано 28 марта, 2014 Еще не разобрались с вентиляторами радиатора. Как тока включаем зажигание - они крутиться начинаю. Схема управления непонятна. Непонятно и назначение ВСЕХ ТРЕХ датчиков температуры на термостате! Кто подскажет?
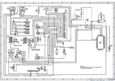
oleg1961 Опубликовано 28 марта, 2014 Автор Опубликовано 28 марта, 2014 (изменено) Схемы неправильные.первая вообще непонятно откуда, вторая xu9j2 совершенно разные двигатели ни какого отношения к ми16 не имеет.в 3 вкладках не можете найти мануал!!!!!!качайте мануал там все естьhttp://peugeot-lab....ic/457/ пост№8схема: Система впрыска и зажигания (XU9J4 и XU9J4/ Z M1.3Motronic)что еще нужно?За подсказку спасибо! Книжка такая (на русском) имеется. Однако там движка XU51C и схемы управления к нему нет. А приведенная в указанном мануале для XU9J4 схема вообще условно соответствует имеющейся в машинке, хотя бы потому, что разъем матроника там на 55 контактов, а в машинке на 35! Наиболее подходит (проверкой установлено) в приведенном вами мануале схема от (XU9J2 MP3.1 Motronic). Изменено 28 марта, 2014 пользователем oleg1961
Dron Опубликовано 29 марта, 2014 Опубликовано 29 марта, 2014 @oleg1961,Просто вы не думали что система впрыска в ми-16 запихана обвязка от j2. Электрика очень похожа и если поставить то будет наверное работать. Я просто сейчас работаю с ми-16 158л.с такой схемы там нет, там идет чистая распределенка. В твоем варианте льет во все горшки одновременно. Могу выложить фото мозгов "оригинальных"
Dron Опубликовано 29 марта, 2014 Опубликовано 29 марта, 2014 224- датчик уровня масла в нижней части блока под выпускным коллекторам30С-датчик температуры масло находится в картере.
oleg1961 Опубликовано 30 марта, 2014 Автор Опубликовано 30 марта, 2014 (изменено) 224- датчик уровня масла в нижней части блока под выпускным коллекторам30С-датчик температуры масло находится в картере.Датчики сын видел, когда снизу рассматривал движок....Осталось разобраться с проводкой... Рисую потихоньку её... Вот с вентилятором непонятки... Предыдущий хозяин навертел там!.... Кто управляет включением вентилятора и где этот КТО-ТО стоять должен? На радиаторе Российский двух контактный датчик вкрячен! Где б жгутовую схемку найтить?! Изменено 30 марта, 2014 пользователем oleg1961
oleg1961 Опубликовано 31 марта, 2014 Автор Опубликовано 31 марта, 2014 Про вентилятор радиатора... Проводка от него приходит в салон, на блок электроники (возможно - блок кондиционера).
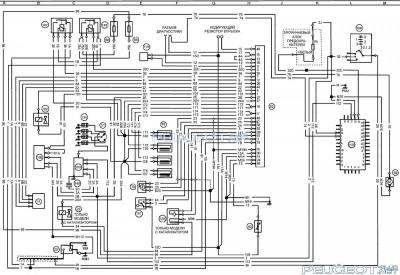
Dron Опубликовано 31 марта, 2014 Опубликовано 31 марта, 2014 вот твоя схема которая впихана от xu9j2, должна соответствовать.
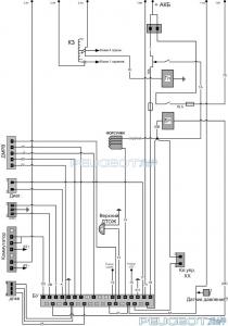
Dron Опубликовано 31 марта, 2014 Опубликовано 31 марта, 2014 Вот тебе обвязка то что у тебя стояло с завода.Запуск двигателя, зарядка аккумулятора, зажигание (только моделиXU52C/ XU92C), вентилятор системы охлаждения, лампы аварийнойсигнализации и указатели.
Рекомендуемые сообщения
Для публикации сообщений создайте учётную запись или авторизуйтесь
Вы должны быть пользователем, чтобы оставить комментарий
Создать аккаунт
Зарегистрируйте новый аккаунт в нашем сообществе. Это очень просто!
Регистрация нового пользователяВойти
Уже есть аккаунт? Войти в систему.
Войти