AlexelA Опубликовано 5 августа, 2014 Опубликовано 5 августа, 2014 Датчик присутствия или термопара имеется...Вот что такое термопара, а датчик присутствия задницы разрешает работу попогрея при ее наличии на сиденье...
ИванКузнец Опубликовано 5 августа, 2014 Опубликовано 5 августа, 2014 Вот что такое термопара, а датчик присутствия задницы разрешает работу попогрея при ее наличии на сиденье...Кароче таблэтка))) и она в цепи стоит, а значит ее отсутствие и тупо замыкание ее проводов имитирует присутствие, так? проверил еще раз напругу на зеленом проводе, который к реле приходит: на заведеном двигателе напряжение 1,49 В, а при заглушеном около 12 В... это норма?
Мартын Опубликовано 5 августа, 2014 Опубликовано 5 августа, 2014 Кароче таблэтка))) и она в цепи стоит, а значит ее отсутствие и тупо замыкание ее проводов имитирует присутствие, так? проверил еще раз напругу на зеленом проводе, который к реле приходит: на заведеном двигателе напряжение 1,49 В, а при заглушеном около 12 В... это норма?Таблэтка,которую вы удалили есть датчик температуры и служит для периодического подключения попогрева.
ИванКузнец Опубликовано 5 августа, 2014 Опубликовано 5 августа, 2014 Таблэтка,которую вы удалили есть датчик температуры и служит для периодического подключения попогрева.Да оно понятно... Кто нибудь скажет мне какое должно быть напряжение на проводе, находящемся в центре квадратной фишки на реле подогрева... Интересуют два показателя, на заведеную и на заглушеную машину
ИванКузнец Опубликовано 5 августа, 2014 Опубликовано 5 августа, 2014 (изменено) поднимаю еще раз Изменено 6 августа, 2014 пользователем ИванКузнец
Bacilla Опубликовано 7 августа, 2014 Опубликовано 7 августа, 2014 Номер контакта реле, номер контакта на фишке?
ИванКузнец Опубликовано 7 августа, 2014 Опубликовано 7 августа, 2014 Номер контакта реле, номер контакта на фишке?
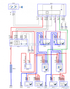
Bacilla Опубликовано 7 августа, 2014 Опубликовано 7 августа, 2014 (изменено) Лучше было-бы вынуть реле из колодки, перевернуть и глянуть цифру рядом с ножкой, например 85.По схеме, это скорее всего, управляющий сигнал или зажигание, т.к. масса и силовые кабеля идут на другие ноги. Обычно 12 В.Плюс на реле должен быть всегда через предохранитель F39.А массу подают через выключатель подогрева, проверь, чтобы она была на выключателе на обоих выводах (6 и 3) и приходила к реле на вывод 1. Изменено 7 августа, 2014 пользователем Bacilla
ИванКузнец Опубликовано 7 августа, 2014 Опубликовано 7 августа, 2014 Лучше было-бы вынуть реле из колодки, перевернуть и глянуть цифру рядом с ножкой, например 85.По схеме, это скорее всего, управляющий сигнал или зажигание, т.к. масса и силовые кабеля идут на другие ноги. Обычно 12 В.Плюс на реле должен быть всегда через предохранитель F39.А массу подают через выключатель подогрева, проверь, чтобы она была на выключателе на обоих выводах (6 и 3) и приходила к реле на вывод 1.рядом с ножкой номер 4, числа на реле такие же как и на этом чертеже.На выключателе все точно так же как и в чертеже...
Salomon777 Опубликовано 8 августа, 2014 Автор Опубликовано 8 августа, 2014 Ребят, а не подскажете как найти реле таймера обогревателя в живую, может есть фотки или картинки его расположения? А то заехал в один сервис, проверили питание, доходит до сидений, кнопка работает, но при включении сиденья не реагируют и мастер сказал скорее всего реле где блок предохранителей. Заехал в магазин, на что они мне сказали, что по вину не могут найти, им нужен номер детали, а чтобы посмотреть его нужно найти)))) Может кто знает в чем может быть проблема, а не в реле!?
ИванКузнец Опубликовано 8 августа, 2014 Опубликовано 8 августа, 2014 Там где планка регулировки кресел в продольном направлении, туда за обивку руку засунь, нащупаешь коробочку, потяни вниз - это оно.
Salomon777 Опубликовано 8 августа, 2014 Автор Опубликовано 8 августа, 2014 Там где планка регулировки кресел в продольном направлении, туда за обивку руку засунь, нащупаешь коробочку, потяни вниз - это оно. Наверно я не правильно это реле обозвал, под креслами я видел релюхи, они работают нормально, а не работает реле то что где предохранители в салоне как мне электрик сказал, там же находятся реле на дворники, на обогрев стекол как я понял.
ИванКузнец Опубликовано 8 августа, 2014 Опубликовано 8 августа, 2014 Оооо... этого я не видел, даже в сервисбоксе...
ИванКузнец Опубликовано 22 августа, 2014 Опубликовано 22 августа, 2014 Ребят, скажите рабочий диапазон подогрева сидений. Сегодня утром сел в машину, на улице + 10 по Цельсию, и што то меня дернуло нажать кнопку на сиденье - заработало))) Каждый день машине удивляюсь)))
dimon405 Опубликовано 24 августа, 2014 Опубликовано 24 августа, 2014 Подогрев не следит за температурой воздуха,включится и при +30.
ИванКузнец Опубликовано 24 августа, 2014 Опубликовано 24 августа, 2014 Подогрев не следит за температурой воздуха,включится и при +30. А за календарем? и еще, а может ли отсутствие таблэтки в цепи обогрева пережигать предохранитель номер двадцатку номер 27 в блоке салона? в пассажирском таблзтку удалил... водительское работает - греет, а пассажирское пред вышибает(((
dimon405 Опубликовано 24 августа, 2014 Опубликовано 24 августа, 2014 У меня аутентичная машина была,я эксперименты по удалению деталей не произвожу. Предохранитель защищает не только от пониженного сопротивления, но и от дребезжащих контактов. У меня была куча разнообразных машин, нигде обогрев сидений не привязан к температуре воздуха.
ИванКузнец Опубликовано 24 августа, 2014 Опубликовано 24 августа, 2014 У меня аутентичная машина была,я эксперименты по удалению деталей не произвожу. Предохранитель защищает не только от пониженного сопротивления, но и от дребезжащих контактов. У меня была куча разнообразных машин, нигде обогрев сидений не привязан к температуре воздуха.спасибо за помощь
c117a Опубликовано 28 сентября, 2014 Опубликовано 28 сентября, 2014 Здравствуйте . Наверно уже поздно, но может кому пригодиться. Ремонт обогрева сидения Peugeot 307 2007 год. Оторвался провод от спинке в районе копчика[/img]
ИванКузнец Опубликовано 19 октября, 2014 Опубликовано 19 октября, 2014 Почему подогрев не выключается сам после ухода из машины?
Мартын Опубликовано 20 октября, 2014 Опубликовано 20 октября, 2014 Почему подогрев не выключается сам после ухода из машины?После выключения зажигания продолжает работать 1 минуту!
ИванКузнец Опубликовано 20 октября, 2014 Опубликовано 20 октября, 2014 После выключения зажигания продолжает работать 1 минуту!Прихожу к машине и после стоянки он еще включен
celebnrimor Опубликовано 23 октября, 2014 Опубликовано 23 октября, 2014 был обрыв у самого края, в спинке. При чем оборвался не нагревательный провод, а приходящий, на изгибе, восстановил и все заработало.
Рекомендуемые сообщения
Для публикации сообщений создайте учётную запись или авторизуйтесь
Вы должны быть пользователем, чтобы оставить комментарий
Создать аккаунт
Зарегистрируйте новый аккаунт в нашем сообществе. Это очень просто!
Регистрация нового пользователяВойти
Уже есть аккаунт? Войти в систему.
Войти