Artem33 Опубликовано 4 июня, 2014 Опубликовано 4 июня, 2014 Кто сталкивался перестал включатся вентилятор радиатора их там 2 и ни один не включается где искать предохранители вроде проверил все целы может релюшка но где она стоит. Заправил кондей все работала и ни стого ни сего перестал что делать где искать
Robyn Опубликовано 4 июня, 2014 Опубликовано 4 июня, 2014 (изменено) Предохранители: 2 шт. 40А, F29 и F32 , на правый и левый вентиляторы, в колодке под капотом.И два в салоне под рулём, вроде F5 и F7.Релюшки перед вентиляторами, под замком капота, за львом. Изменено 4 июня, 2014 пользователем Robyn
Artem33 Опубликовано 4 июня, 2014 Автор Опубликовано 4 июня, 2014 предохранители посмотрел врод целые под капотом вроди ка F5 F7но они у меня не стоят вообще пробовал коричневую фишку снимать как пишут должен постоянно работать тоже неработаета поидеи 29 и 32 должен под рулем или я путаю где еще посмотреть релюшки на вентиляторе сразу обе не должны неработать хоть один вентилятор должен включаться где еще посмотреть
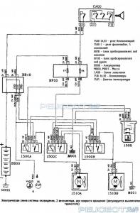
Robyn Опубликовано 4 июня, 2014 Опубликовано 4 июня, 2014 предохранители посмотрел врод целые под капотом вроди ка F5 F7но они у меня не стоят вообще пробовал коричневую фишку снимать как пишут должен постоянно работать тоже неработаета поидеи 29 и 32 должен под рулем или я путаю где еще посмотреть релюшки на вентиляторе сразу обе не должны неработать хоть один вентилятор должен включаться где еще посмотретьТам три реле. Вышел посмотрел, под капотом предохранители F29 и F32.Вот схема:
Рекомендуемые сообщения
Для публикации сообщений создайте учётную запись или авторизуйтесь
Вы должны быть пользователем, чтобы оставить комментарий
Создать аккаунт
Зарегистрируйте новый аккаунт в нашем сообществе. Это очень просто!
Регистрация нового пользователяВойти
Уже есть аккаунт? Войти в систему.
Войти