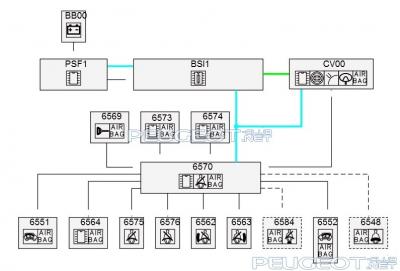
Nezidan Опубликовано 29 июля, 2014 Опубликовано 29 июля, 2014 Нужна Электросхема 207, 2010Год. Поиском найти не удалось. ВИН машинки VF3WC5FS9AT028858 мотор 1.6 или хотя бы часть схемы, относящуюся к подушкам безопасности. Если есть у кого, большая просьба кинуть на почту aa-studio@yandex.ruПодушки сами присутствуют, разьемы почистил, и всё-равно на БК вылезает надпись A-BAG/5-BELTS FAULTI Кстати, это он имеет ввиду что ошибка в 5-Й подушке или пяти подушек??? Критикам скажу сразу - диагностики у нас в колхозе нету, совсем, никакой.Народ, поможите хто чем может, сами мы не местные ;-((Если есть у кого, большая просьба кинуть на почту aa-studio@yandex.ru
lev5429 Опубликовано 29 июля, 2014 Опубликовано 29 июля, 2014 Нужна Электросхема 207, 2010Год. Поиском найти не удалось.ВИН машинки VF3WC5FS9AT028858 мотор 1.6 или хотя бы часть схемы, относящуюся к подушкам безопасности[Peugeot-Club.net] - d3fkqkcr.rar[Peugeot-Club.net] - e7f00147.rar 1
Nezidan Опубликовано 30 июля, 2014 Автор Опубликовано 30 июля, 2014 Спасибо конечно большое. Только я не понял, чем читать содержимое архивов? Архивы распаковываются, но там внутри что за файлы?
AlexelA Опубликовано 30 июля, 2014 Опубликовано 30 июля, 2014 Спасибо конечно большое. Только я не понял, чем читать содержимое архивов? Архивы распаковываются, но там внутри что за файлы?Он забыл упомянуть, что сначала необходимо прочитать здесь: https://peugeot-lab.net/forum/topic/8755/
Nezidan Опубликовано 30 июля, 2014 Автор Опубликовано 30 июля, 2014 Он забыл упомянуть, что сначала необходимо прочитать здесь: http://peugeot-lab....rum/topic/8755/ Ребят, а по поводу надписей: на БК вылезает надпись A-BAG/5-BELTS FAULTI ЧТО он имеет ввиду? что ошибка в 5-Й подушке или пяти подушек??? может кто нибудь что-то подсказать?
Nezidan Опубликовано 30 июля, 2014 Автор Опубликовано 30 июля, 2014 Он забыл упомянуть, что сначала необходимо прочитать здесь: http://peugeot-lab....rum/topic/8755/ Я дико извиняюсь, но так и не смог установить SVG вьювер. Скачалась и установилась куча всякого всего, но схемы так и не читаются. Может сбросите мне хотя бы скринами? Хотя бы распайку разьемов под сиденьями для начала....
Мартын Опубликовано 30 июля, 2014 Опубликовано 30 июля, 2014 Ребят, а по поводу надписей: на БК вылезает надпись A-BAG/5-BELTS FAULTI ЧТО он имеет ввиду? что ошибка в 5-Й подушке или пяти подушек??? может кто нибудь что-то подсказать?Диагностику сделайте (ошибки).Гадание не благодарное занятие!
Nezidan Опубликовано 30 июля, 2014 Автор Опубликовано 30 июля, 2014 Диагностику сделайте (ошибки).Гадание не благодарное занятие! Дык ёжику понятно, что диагностика было бы не плохо. Только нету у нас сервисов, которые в Пыже разбираются. Максимум - китайские сканеры, и ни на одном нету по 207 проги. Не переться же теперь км за 500...
Мартын Опубликовано 31 июля, 2014 Опубликовано 31 июля, 2014 Дык ёжику понятно, что диагностика было бы не плохо. Только нету у нас сервисов, которые в Пыже разбираются. Максимум - китайские сканеры, и ни на одном нету по 207 проги. Не переться же теперь км за 500...Тогда гадайте на гуще. 1
Nezidan Опубликовано 31 июля, 2014 Автор Опубликовано 31 июля, 2014 Тогда гадайте на гуще. Уважаемый. Если не можете помочь, что-то дельное сказать, зачем лишние посты писать? Я и сам в курсе, что лучше, что хуже. Просто на данный момент вот так приходится. Если есть какие дельные мысли - пишите, спасибо. -1
Bacilla Опубликовано 31 июля, 2014 Опубликовано 31 июля, 2014 Я дико извиняюсь, но так и не смог установить SVG вьювер. Скачалась и установилась куча всякого всего Что сложного в установке SVG?http://www.adobe.com...nload-area.htmlКачаем для ХР, один файл...
lev5429 Опубликовано 31 июля, 2014 Опубликовано 31 июля, 2014 Спасибо конечно большое. Только я не понял, чем читать содержимое архивов? Архивы распаковываются, но там внутри что за файлы?
Nezidan Опубликовано 1 августа, 2014 Автор Опубликовано 1 августа, 2014 Спасибо за картинки. Правда я решил проблемку с чтением файлов, установив Корел. Спасибо всем кто поучавствовал. Вопрос решен, тему можно закрыть. -2
AlexelA Опубликовано 2 августа, 2014 Опубликовано 2 августа, 2014 Дык, а в чем проблема-то была? Другим тоже будет полезно...
fomvachel Опубликовано 10 января, 2015 Опубликовано 10 января, 2015 (изменено) Добрый вечер. Нужна электросхема левого поворотника ПЕЖО-207, лампочка целая, хотел проверить на разьеме блокфары входной сигнал 12 вольт, блокфару снимать, как я понял, трудоемко. Изменено 10 января, 2015 пользователем icechieff
Мартын Опубликовано 11 января, 2015 Опубликовано 11 января, 2015 Проблема в самом контакте патрона лампы.
Рекомендуемые сообщения
Для публикации сообщений создайте учётную запись или авторизуйтесь
Вы должны быть пользователем, чтобы оставить комментарий
Создать аккаунт
Зарегистрируйте новый аккаунт в нашем сообществе. Это очень просто!
Регистрация нового пользователяВойти
Уже есть аккаунт? Войти в систему.
Войти