Ptrade5 Опубликовано 1 августа, 2014 Опубликовано 1 августа, 2014 Добрый день уважаемые форумчане! Интересует вопрос по стартеру. Меняю уже второй за неделю. Разбивает в кашу ротор и щеточный узел. При установке проверял, все корректно работает. Есть подозрение что на ходу самопроизвольно включаеться втягивающее. Хотя посторонних звуков не было. Насколько я понимаю, блок реле под капотом неразборный и залит компаундом, заменить реле стартера можно только вместе с ним. Возможно с замка приходит самопроизвольно сигнал на включение? Ошибок сканер не выдал, уже и не знаю, что думать.... Есть какие нибудь мнения? Заранее спс!
Мартын Опубликовано 3 августа, 2014 Опубликовано 3 августа, 2014 В первый раз слышу про проблему залипающего реле стартера на 307!Стартер оригинал?
Ptrade5 Опубликовано 4 августа, 2014 Автор Опубликовано 4 августа, 2014 Сгорел который был оригинал. Который поставил и он тоже сгорел нет. Видимо проблема не в стартере. Разделал жгуты которые идут на стартер - все в поряде. Думаю пока поставить выключатель перед втягивающим, и зашунтировать его светодиодом. По крайней мере если на ходу каким то чудесным образом включается втягивающее то будет видно.
Dimkin67 Опубликовано 4 августа, 2014 Опубликовано 4 августа, 2014 Добрый день уважаемые форумчане! Интересует вопрос по стартеру. Меняю уже второй за неделю. Разбивает в кашу ротор и щеточный узел. При установке проверял, все корректно работает. Есть подозрение что на ходу самопроизвольно включаеться втягивающее. Хотя посторонних звуков не было. Насколько я понимаю, блок реле под капотом неразборный и залит компаундом, заменить реле стартера можно только вместе с ним. Возможно с замка приходит самопроизвольно сигнал на включение? Ошибок сканер не выдал, уже и не знаю, что думать.... Есть какие нибудь мнения? Заранее спс!Как вариант посмотреть количество зубьев шестерни стартера.У меня выдавало 10 и 12 стоял с 12-ю, не стал эксперементировать новый брал тоже 12 зубьев.
icechieff Опубликовано 5 августа, 2014 Опубликовано 5 августа, 2014 Вычистил. Топикстартеру предупреждение.
Ptrade5 Опубликовано 9 августа, 2014 Автор Опубликовано 9 августа, 2014 Приделал реле блокировки втягивающего, паралельно ему воткнул светодиод. Теперь схема запуска: Нажал на кнопку, сработало реле блокировки, завел ключом). Вопрос, почему светодиод горит в пол накала, когда включено зажигание? Откуда там напруга береться, если реле стартера в блоке предохранителей разомкнуто? Прям чудеса какие-то. Скиньте схемку принципиальную, если есть у кого? Нэт перелопатил, только схемы запуска дизеля.
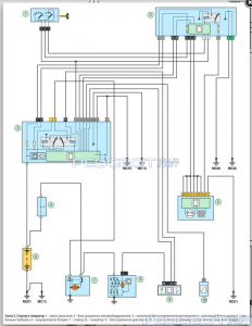
Ptrade5 Опубликовано 9 августа, 2014 Автор Опубликовано 9 августа, 2014 (изменено) Нашел схему. Теперь понятно, что вообще ниче не понятно... Изменено 9 августа, 2014 пользователем icechieff Интересно, почему у меня всё нормально загружается?
Рекомендуемые сообщения
Для публикации сообщений создайте учётную запись или авторизуйтесь
Вы должны быть пользователем, чтобы оставить комментарий
Создать аккаунт
Зарегистрируйте новый аккаунт в нашем сообществе. Это очень просто!
Регистрация нового пользователяВойти
Уже есть аккаунт? Войти в систему.
Войти