MAHO Опубликовано 7 августа, 2015 Опубликовано 7 августа, 2015 Отказал термостат машина закипела и разворотила корпус термостата. Если кто менял корпус прошу описать процесс замены. Двигатель 2.0 бензин EW10J4 Пежо 307 2004г.
ZIGGY Опубликовано 7 августа, 2015 Опубликовано 7 августа, 2015 Да вин то зачем.В гугл вбить, там уже есть пару видео.Не получается так-забить "книга по ремонту пеугеот скачать", прям первая ссылка ведёт на книжку.Хочется официальных инструкций-найти на рутрекере бека паблик сервисбокс пежо ком,поставить и смотреть все инструкции.А, или у нас вопрос из разряда "съэкономить"?
Dimkin67 Опубликовано 7 августа, 2015 Опубликовано 7 августа, 2015 прошу описать процесс замены. Двигатель 2.0 бензин EW10J4 Пежо 307 2004г.Да что описывать? Сливаешь жижу ,сдергиваешь патрубок,откручиваешь два болтика и термостат у тебя в руках
MAHO Опубликовано 7 августа, 2015 Автор Опубликовано 7 августа, 2015 С термостатом все ясно, да и видео много в гугле по его снятию. Меня интересует сам корпус так как инфу нашел только на 2.0 hdi (дизель)а у меня бенз.
ZIGGY Опубликовано 7 августа, 2015 Опубликовано 7 августа, 2015 С термостатом все ясно, да и видео много в гугле по его снятию. Меня интересует сам корпус так как инфу нашел только на 2.0 hdi (дизель)а у меня бенз. Я Вас совсем не понимаю.По артикулу вам придёт и корпус и то что внутри у него.Один снять, другой поставить.Или вопрос то не в этом?
MAHO Опубликовано 7 августа, 2015 Автор Опубликовано 7 августа, 2015 Да что описывать? Сливаешь жижу ,сдергиваешь патрубок,откручиваешь два болтика и термостат у тебя в руках корпус термостата не термостат
shest Опубликовано 7 августа, 2015 Опубликовано 7 августа, 2015 (изменено) Потому и просил вин. Я уже столкнулся с тем что есть 2 варианта1. Корпус термостата металический и в него ставится термостат2. Корпус термостат пластиковый и он вместе с термостатом идетНо у меня 1,6 как на 2.0 не знаю, потому и вин бы посмотреть)) Изменено 7 августа, 2015 пользователем shest
ZIGGY Опубликовано 7 августа, 2015 Опубликовано 7 августа, 2015 корпус термостата не термостатВы паблик сервисбокс пежо ком хоть раз открывали?
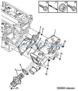
MAHO Опубликовано 7 августа, 2015 Автор Опубликовано 7 августа, 2015 http://www.elcats.ru/citroen/scheme.aspx?model=1df3db2f-ec50-45b8-8d7a-2733cdeb57e6&pid=A2B0287E&office=ruПотому и просил вин. Я уже столкнулся с тем что есть 2 варианта1. Корпус термостата металический и в него ставится термостат2. Корпус термостат пластиковый и он вместе с термостатом идетНо у меня 1,6 как на 2.0 не знаю, потому и вин бы посмотреть))VF33CRFNC83471884http://www.elcats.ru/citroen/scheme.aspx?model=1df3db2f-ec50-45b8-8d7a-2733cdeb57e6&pid=A2B0287E&office=ruVF33CRFNC834718841-ВАРИАНТМожно ли его снять не снимая защиту так как сбоку раположен может какие ньюанса есть ?!единственное что нашел : http://forum.aves-peugeot.ru/viewtopic.php?f=4&t=43762прокладку купил-№4 завтра за корпусом поеду - №1
MAHO Опубликовано 7 августа, 2015 Автор Опубликовано 7 августа, 2015 Вы паблик сервисбокс пежо ком хоть раз открывалиЕсли б открывал тратил бы я тут свое время!?Тут бы вин посмотретьVF33CRFNC83471884
Dimkin67 Опубликовано 7 августа, 2015 Опубликовано 7 августа, 2015 не снимая защитуПро какую защиту речь? Если сверху кожух так он на резинках-просто вверх сдёргивается(у меня его правда нет-так досталось)
MAHO Опубликовано 7 августа, 2015 Автор Опубликовано 7 августа, 2015 Про какую защиту речь? Если сверху кожух так он на резинках-просто вверх сдёргивается(у меня его правда нет-так досталось). Защита картера с низу.Проблема в том что своего гаража нет, прошу у друга. Вот я и интересуюсь нюансами что и как снимать. В выходные займусь если фото сделаю выложу.
Dimkin67 Опубликовано 7 августа, 2015 Опубликовано 7 августа, 2015 . Защита картера с низу.Так всё сверху делается...УпссХотя жижу слить -надо нижний патрубок радиатора снимать.А тут зависит какая защита стоит-у меня ,например, глухая стеклопластиковая,хрен к чему подлезешь не снимая.
MAHO Опубликовано 7 августа, 2015 Автор Опубликовано 7 августа, 2015 В марте менял антифриз, защита сталь может и так прокатит , вроде нечего сложного пару болтов да гайки
Dimkin67 Опубликовано 7 августа, 2015 Опубликовано 7 августа, 2015 вроде нечего сложного пару болтов да гайкиИ я про то.... Один момент-сзади в этот корпус ,если мне не изменяет память, вставляется труба от помпы.Она тонкостенная и присутствует колечко резиновое.Поаккуратней...
MAHO Опубликовано 7 августа, 2015 Автор Опубликовано 7 августа, 2015 И я про то.... Один момент-сзади в этот корпус ,если мне не изменяет память, вставляется труба от помпы.Она тонкостенная и присутствует колечко резиновое.Поаккуратней...Учту спасибо
Рекомендуемые сообщения
Для публикации сообщений создайте учётную запись или авторизуйтесь
Вы должны быть пользователем, чтобы оставить комментарий
Создать аккаунт
Зарегистрируйте новый аккаунт в нашем сообществе. Это очень просто!
Регистрация нового пользователяВойти
Уже есть аккаунт? Войти в систему.
Войти