icechieff Опубликовано 30 июня, 2016 Опубликовано 30 июня, 2016 у меня если не путаю 45 или 47 версия стоит.
Сергей_607 Опубликовано 30 июня, 2016 Опубликовано 30 июня, 2016 Смотря какой год автомобиля у вас и для каких целей вы хотите использовать "сей девайс". Если тупо для себя и у вас дорестил, то любую.
rider Опубликовано 30 июня, 2016 Автор Опубликовано 30 июня, 2016 Смотря какой год автомобиля у вас и для каких целей вы хотите использовать "сей девайс". Если тупо для себя и у вас дорестил, то любую. у меня рестайлинг
Сергей_607 Опубликовано 30 июня, 2016 Опубликовано 30 июня, 2016 Ставь тогда диаг бокс . По интересней игрушка)
rider Опубликовано 1 июля, 2016 Автор Опубликовано 1 июля, 2016 diagbox огонь просто, советую! немогу активировать ???
vitalnikit Опубликовано 6 июля, 2016 Опубликовано 6 июля, 2016 (изменено) Парни,привет. приобрёл лексию ,фул чип , референс С , проша кабеля 4.3.2 , установил ДБ 7.76 на win7 32bit при автомат поиске вин кода реле в интерфейсе лексии щёлкает, в ДБ горит зелёненьким -связь есть ...vin автоматом не находит .пощёлкало 5 сек ,связь прервалась -зелёненькая потухла.ввожу вручную vin , не находит , выскочила какая то хрень " NOT FOUND" (фото ниже) Затем предложило выбор ДБ или РР2000 выбрал ДБ , но выскочило окошко с РР на испанском или французском ..хз . предложило ввести DAMпереключение на русский язык не обнаружил (( Вот что происходит мне не понятно,собсно и вопросы....1. почему потух в ДБ зелёненький на связь с машинкой? так должно быть?2. что за 0597 0595 0598 not found ?3. почему не находит автоматом вин , и не принимает в ручном режиме 4. какого х . выскочил РР вместо ДБ ?5. Можно ли откатиться на предыдушие версии ДБ ,не переустанавливая занова ? Изменено 6 июля, 2016 пользователем vitaliikit
Мартын Опубликовано 6 июля, 2016 Опубликовано 6 июля, 2016 Машин у вас древний и НИКОГДА ДБ для него не будет.VIN будет определяться только когда откроется PP2000.Переустанавливать только.
vitalnikit Опубликовано 6 июля, 2016 Опубликовано 6 июля, 2016 "Переустанавливать только " - что бы откатиться на версию ниже? или переустанавливать -переходить на РР ?в ДБ есть выбор пыжика 607 ,разве он там просто так ?
Мартын Опубликовано 6 июля, 2016 Опубликовано 6 июля, 2016 "Переустанавливать только " - что бы откатиться на версию ниже? или переустанавливать -переходить на РР ?в ДБ есть выбор пыжика 607 ,разве он там просто так ?ОткатитьсяУ вас рестайл?
vitalnikit Опубликовано 6 июля, 2016 Опубликовано 6 июля, 2016 (изменено) дорестайл . не работает с ДБ ?? устанавливать РР ? с ДБ перекинуло на РР но там на французском..,и переключение языка я не нашёл Изменено 6 июля, 2016 пользователем vitaliikit
Мартын Опубликовано 6 июля, 2016 Опубликовано 6 июля, 2016 дорестайл . не работает с ДБ ?? устанавливать РР ? с ДБ перекинуло на РР но там на французском..,и переключение языка я не нашёлА ДБ на каком с вами общается7
vitalnikit Опубликовано 6 июля, 2016 Опубликовано 6 июля, 2016 ДБ общается на русском . а в РР нет выбора языка и клавишей F11 не вызывается . и ещё в РР ошибка подключения наверное TEST C001
Мартын Опубликовано 6 июля, 2016 Опубликовано 6 июля, 2016 (изменено) ДБ общается на русском . а в РР нет выбора языка и клавишей F11 не вызывается . и ещё в РР ошибка подключения наверное TEST C001В PP кнопка F5 есть?И вообще зачем для вашего авто вам нужна прога ДБ?Грузите PP. Изменено 6 июля, 2016 пользователем Grigorushka
vitalnikit Опубликовано 6 июля, 2016 Опубликовано 6 июля, 2016 (изменено) В PP кнопка F5 есть?да. но там всё на французском_ооо.., добрался до языков . как правильно активировать? выбираю россия, ок -не меняется . перезагрузка РР не помогает . В PP кнопка F5 есть?И вообще зачем для вашего авто вам нужна прога ДБ?Грузите PP.с удовольствием . нет возможности на ХР . а виртуалка еле тянет,батарея быстрей сядет,чем подключу к тачке Изменено 6 июля, 2016 пользователем vitaliikit
vitalnikit Опубликовано 6 июля, 2016 Опубликовано 6 июля, 2016 не поборол проблему в РР в оболочке ДБ (переключение языка) ,поставил виртуальную машину,устанавливаю чистый РР (мееедлено.. цуко (( .при выборе машины встретился с неизвестностью - электронные схемы - пежо 607 и 607R ,как узнать какая у меня?
Сергей_607 Опубликовано 18 июля, 2016 Опубликовано 18 июля, 2016 Была хорошая виртуальная машинка, но её зарубили, когда на ХР, перестали выходить обновления, она называлась ХР-mode. Но после того как мне установили ДБ, я с него уже фиг слезу. Работает очень быстро, автоматом переключает ДБ, лексию, ПП-2000, в зависимости от года авто (ну или предлагает выбрать в ручную) . Очееень удобно, но если вам действительно необходимо использовать только для себя и у вас дорестаил, то ПП-2000 за глаза хватит, как говорит Grigorushka
Ягоза Опубликовано 18 сентября, 2016 Опубликовано 18 сентября, 2016 Всем привет. Я тоже начал приобщаться к диагностике. У меня 406R 2002 г/в. РР2000 обновил до вер. 25.01. Работает все ОК. Решил попробовать ДБ. Установил вер. 7.02. Подключил - пишет "Доступ к карте связи невозможен". Но интересно, что пока лазил в проге зашел в 307й, и ДБ считал VIN-код моего 406 т.е. значит связь есть. Дома уже вспомнил, что сканер то у меня чужой вер. В, а мой еще в пути. Когда придет мой вер.С ДБ вероятно заработает или нет?
Dimkin67 Опубликовано 18 сентября, 2016 Опубликовано 18 сентября, 2016 вер.С ДБ вероятно заработает или нет?Заработает,только зачем тебе для своей машины DB? Тебе и РР2000 хватит выше крыши.
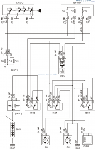
Ягоза Опубликовано 18 сентября, 2016 Опубликовано 18 сентября, 2016 (изменено) Помогите с эл. схемой системы охлаждения двигателя Пежо 406 R 2002 г/в. Дв-ль EW7J (1.8 16 клапан). Вентилятор 2/3 скоростной. Не работает на малой скорости (по тесту РР2000). Похоже, что комп перевел вентилятор в 1 режим работы. РР2000 пишет "Функция охлаждения, встроенная в комп. управления двигателем. Устранимая ошибка". Спасибо.да. но там всё на французском_ооо.., добрался до языков . как правильно активировать? выбираю россия, ок -не меняется . перезагрузка РР не помогает . с удовольствием . нет возможности на ХР . а виртуалка еле тянет,батарея быстрей сядет,чем подключу к тачке А ты в ВиртуалБокс настройки делал? Ведь там по умолчанию очень маленькое выделение памяти процессору и видеокарте. Изменено 18 сентября, 2016 пользователем Ягоза
Dimkin67 Опубликовано 18 сентября, 2016 Опубликовано 18 сентября, 2016 Устранимая ошибка".Так удали ошибку, и должно придти в норму.
Ягоза Опубликовано 18 сентября, 2016 Опубликовано 18 сентября, 2016 да. но там всё на французском_ооо.., добрался до языков . как правильно активировать? выбираю россия, ок -не меняется . перезагрузка РР не помогает . с удовольствием . нет возможности на ХР . а виртуалка еле тянет,батарея быстрей сядет,чем подключу к тачкеА в вертуалке настройки изменял? Ведь там по умолчанию стоит очень маленькое выделение памяти процессору и видеокарте.Так удали ошибку, и должно придти в норму.Удалял. Но если есть неисправность то она не исчезает. Нужна схема.
Alvig Опубликовано 21 сентября, 2016 Опубликовано 21 сентября, 2016 (изменено) Помогите с эл. схемой системы охлаждения двигателя Пежо 406 R 2002 г/в. Дв-ль EW7J (1.8 16 клапан). Вентилятор 2/3 скоростной. Не работает на малой скорости (по тесту РР2000). Похоже, что комп перевел вентилятор в 1 режим работы. РР2000 пишет "Функция охлаждения, встроенная в комп. управления двигателем. Устранимая ошибка". Спасибо.[/size] А ты в ВиртуалБокс настройки делал? Ведь там по умолчанию очень маленькое выделение памяти процессору и видеокарте.Зачем так много характеристик? Достаточно WIN-код или номер OPR, что бы искать в базе. Изменено 21 сентября, 2016 пользователем Alvig
Рекомендуемые сообщения
Для публикации сообщений создайте учётную запись или авторизуйтесь
Вы должны быть пользователем, чтобы оставить комментарий
Создать аккаунт
Зарегистрируйте новый аккаунт в нашем сообществе. Это очень просто!
Регистрация нового пользователяВойти
Уже есть аккаунт? Войти в систему.
Войти