corrector Опубликовано 9 ноября, 2011 Опубликовано 9 ноября, 2011 Доброе время суток!В расширительном бачке (если правильно назвал) слева есть патрубок, куда что-то одевается (какой-то шланг). У меня его нет (не было?). Иногда, из него выплескивается тосол. Прямо на дв-ль. "Кто виноват?" - меня не сильно трогает. А "Что делать?" - очень!Вопрос: Если туда прикрепить шланг (трубку), то второй конец КУДА вставить? (без пошлостей).В умной книге не увидел. Спасибо!
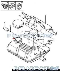
icechieff Опубликовано 9 ноября, 2011 Опубликовано 9 ноября, 2011 Не очень понял про кокое выходное отверстие бачка ты говоришь. Вот бачек: Вот две схемы которы могут быть: 1
corrector Опубликовано 9 ноября, 2011 Автор Опубликовано 9 ноября, 2011 Если см. спереди, то он слева на расширительном бачке, недалеко от пробки. На этих схемах он показан слева от пробки, а у меня ближе к углу (левый, передний).
corrector Опубликовано 14 ноября, 2011 Автор Опубликовано 14 ноября, 2011 Наконец-то посмотрел на эту трубку. На Вашем верхнем рисунке она показана под пробкой. У меня к этому патрубку ничего не подсоедино и, иногда, тосол выбрызгивается прямо на дв-ль. Вопрос: Если одеть трубку (шланг) на этот патрубок, то куда вставить второй конец?Спасибо!
corrector Опубликовано 14 ноября, 2011 Автор Опубликовано 14 ноября, 2011 На рисунке отметил красным цветом.
icechieff Опубликовано 14 ноября, 2011 Опубликовано 14 ноября, 2011 Т.к. трубок подходящик к тому месту я не вижу, думаю там должна быть просто заглушка...
corrector Опубликовано 14 ноября, 2011 Автор Опубликовано 14 ноября, 2011 Спасибо, буду искать, чем заткнуть...
Якут Опубликовано 2 апреля, 2012 Опубликовано 2 апреля, 2012 Подскажите где скачать такую книжечку на Пежо Эксперт из которой эти схемки?
icechieff Опубликовано 2 апреля, 2012 Опубликовано 2 апреля, 2012 Подскажите где скачать такую книжечку на Пежо Эксперт из которой эти схемки?Эти картинки не из схемы, а из Peugeot Servicebox
serega69 Опубликовано 6 апреля, 2012 Опубликовано 6 апреля, 2012 На рисунке отметил красным цветом. ни в коем случае не затыкай в пробке стоит клапан который срабатывает при избыточном давлении в системе охлаждения так как пробка-клапан у тебя работает вот оно и сбрасывает одень на этот отвод шланг и выведи под днище машины ну а если хочешь минимизировать потери антифриза то воткни этот шланг в любую удобную посудину которая подойдет 0.5-1.0литр и закрепи её под капотом
Рекомендуемые сообщения
Для публикации сообщений создайте учётную запись или авторизуйтесь
Вы должны быть пользователем, чтобы оставить комментарий
Создать аккаунт
Зарегистрируйте новый аккаунт в нашем сообществе. Это очень просто!
Регистрация нового пользователяВойти
Уже есть аккаунт? Войти в систему.
Войти