valdai-74 Опубликовано 15 сентября, 2021 Опубликовано 15 сентября, 2021 Здравствуйте. Появилась проблема пежо 2002 г. мотор 3,0 бенз. Месяц как перестал работать датчик уровня масла и соответственно на приборке стрелка уровня масла показывает только максимум, а потом уже температуру масла. Вопрос: как его проверить, есть ли у кого схема его сопротивления или что-то в этом духе.
Dimkin67 Опубликовано 15 сентября, 2021 Опубликовано 15 сентября, 2021 Не буду точно утверждать , что на 3.0 и допустим 2.0 они идентичны, но видимо алгоритм работы у них видимо одинаков. Там в одном корпусе два датчика:1. Проволочный - уровень масла(проволочка видимо не простая и очень тонкая) 2.Терморезистор- температура масла. У меня на 2.0 используется только уровень, пришлось в своё время менять, т.к. при слишком тщательном обслуживании умудрился повредить проволоку. Итог- замена, стоимость 3к,с...ка.
valdai-74 Опубликовано 15 сентября, 2021 Автор Опубликовано 15 сентября, 2021 28 минут назад, Dimkin67 сказал: Не буду точно утверждать , что на 3.0 и допустим 2.0 они идентичны, но видимо алгоритм работы у них видимо одинаков. Там в одном корпусе два датчика:1. Проволочный - уровень масла(проволочка видимо не простая и очень тонкая) 2.Терморезистор- температура масла. У меня на 2.0 используется только уровень, пришлось в своё время менять, т.к. при слишком тщательном обслуживании умудрился повредить проволоку. Итог- замена, стоимость 3к,с...ка. А может помните его длину (полностью от верха до низа)?
Dimkin67 Опубликовано 15 сентября, 2021 Опубликовано 15 сентября, 2021 (изменено) Он имеет изогнутый профиль порядка 50-60мм. Хотя могу и ошибаться,замеров не делал не пинайте... Изменено 15 сентября, 2021 пользователем Dimkin67
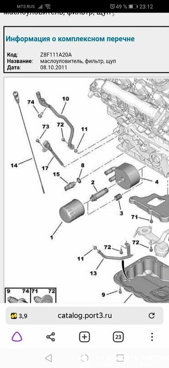
Dimkin67 Опубликовано 15 сентября, 2021 Опубликовано 15 сентября, 2021 Хмм, а судя по картинке на 3.0 он другой, под номером 17
icechieff Опубликовано 16 сентября, 2021 Опубликовано 16 сентября, 2021 11 часов назад, Dimkin67 сказал: Хмм, а судя по картинке на 3.0 он другой, под номером 17 Да. на 2.0 и 2.2 одинаковые, изогнутые.
Рекомендуемые сообщения
Для публикации сообщений создайте учётную запись или авторизуйтесь
Вы должны быть пользователем, чтобы оставить комментарий
Создать аккаунт
Зарегистрируйте новый аккаунт в нашем сообществе. Это очень просто!
Регистрация нового пользователяВойти
Уже есть аккаунт? Войти в систему.
Войти