dimon405 Опубликовано 29 ноября, 2013 Опубликовано 29 ноября, 2013 Незаметно уже не будет,обивка растягивается при отрывании.
механик Опубликовано 30 ноября, 2013 Опубликовано 30 ноября, 2013 (изменено) неудачные соединения проводов,корродируют активно.Просто надо поменьше пУкать в сиденье! Изменено 30 ноября, 2013 пользователем механик -1
dimon405 Опубликовано 30 ноября, 2013 Опубликовано 30 ноября, 2013 Интересно как делать химчистку с таким обогревом. Я полгода обьезжаю мойки в округе,ни у кого нет моющего пылесоса.
foto-dixi Опубликовано 17 декабря, 2013 Опубликовано 17 декабря, 2013 Вчера разобрал сиденье пробег 167т, количество обрывов 7 или 8 уже не помню прошлый хозяйн походу забил на обогрев и смысл все это делать если потом треснет и порвется в другом месте. Ради интереса сделал. Датчик присутствия - если круглый с ушками под пайку то это не датчик присутствия, а темп датчик. Спина - обрыв делать не буду, не столь важно. Поставил сидушку погрело ровно пол дня, как могло такое быть если тут писали, что они включены последовательно??? Самый важный вопрос - Что за провод используется для обогрева??? Буду ремонтировать чехлы прошивать вставлять пластиковые прутки и стягивать через подушку, что б сделать оригинальный рисунок как было, прокладывать новый паролон сантиметров пять потому как подушка уже просела и сидишь как в яме. Хочу проложить новый обогрев, ездил к спецам почехлам спросил у них - они не колятся что там за провод, а за ремонт подогрева и чехла сказали такую сумму что проще бу сидухи купить. Уже подумаваю купить http://www.teplodom.ru/cat1_10.htm, в принципе постоянно то она не надо только когда в холодную сел прогрел попу да и выключил и авто отключение замутить.
механик Опубликовано 18 декабря, 2013 Опубликовано 18 декабря, 2013 Посмотри, вот тут я описал, как самому и ИЗ ЧЕГО сделать подогрев. Делал так уже много раз. Последний раз на Субару Импрезу.Только блок кнопок взял от ВАЗовской "десятки", там все уже собрано в одну кучу - реле, кнопки, контакты...
sasha 307sw Опубликовано 18 декабря, 2013 Опубликовано 18 декабря, 2013 Посмотри, вот тут я описал, как самому и ИЗ ЧЕГО сделать подогрев.Делал так уже много раз. Последний раз на Субару Импрезу.Только блок кнопок взял от ВАЗовской "десятки", там все уже собрано в одну кучу - реле, кнопки, контакты... где???
володька Опубликовано 18 декабря, 2013 Опубликовано 18 декабря, 2013 у меня к сидению идут провода, а подогрева нет. нет даже кнопки вкл./выкл. че делать?
dimon405 Опубликовано 18 декабря, 2013 Опубликовано 18 декабря, 2013 К сиденью идут провода подушки безопасности,датчика непристегнутого ремня и подогрева сидения. Лучше всего ничего не делать. Если уж совсем не в моготу-накидку с подогревом.
dimon405 Опубликовано 18 декабря, 2013 Опубликовано 18 декабря, 2013 Если нет подогрева то нет и кнопки.
механик Опубликовано 19 декабря, 2013 Опубликовано 19 декабря, 2013 где???Блин! Ссылку забыл вставить! Вот она http://www.estina-club.ru/topic23.html?view=findpost&p=5257
PSspb Опубликовано 14 января, 2014 Опубликовано 14 января, 2014 тут такое дело, вчера ехал по трассе чето спина замерзла решил включить подогреть (до этого работало аж обжигало) и тут завоняло гарью 0_0,,,,,, выключил через пару мин снова включил, и ничего не греет не воняет , забил ... сегодня утром снова решил вкл проверить пока грел авто и снова гарью завоняло ... что это???
AlexelA Опубликовано 14 января, 2014 Опубликовано 14 января, 2014 Полярный зверек посетил обогревы...
sasha 307sw Опубликовано 14 января, 2014 Опубликовано 14 января, 2014 это наверно скорее всего где-то оторвался проводок и не плохо коротит! 1
ИванКузнец Опубликовано 5 августа, 2014 Опубликовано 5 августа, 2014 Ребят, интересует напряжение на центральном зеленом проводе на реле подогрева, интересует, на заведеную и на заглушеную... это провод, который говорит релюшке о том што машина заведена и разрешает греть попу.... и еще, каким способом проверить реле подогрева?
Алексей Учаев Опубликовано 15 августа, 2014 Опубликовано 15 августа, 2014 Это сто пудов датчик температуры а не присутствия. И даже не пытайтесь проверить попогрейку при темп свыше 20 градусов, не почувствуете
ИванКузнец Опубликовано 15 августа, 2014 Опубликовано 15 августа, 2014 Это сто пудов датчик температуры а не присутствия. И даже не пытайтесь проверить попогрейку при темп свыше 20 градусов, не почувствуетено щелчек реле то будет? датчик пофиг - он удален
ИванКузнец Опубликовано 11 сентября, 2014 Опубликовано 11 сентября, 2014 И снова здрастеСкоро холода...В конце августа работал подогрев, причем включался, даже если ключ зажигания не вставлен. И не отключался спустя две минуты после выключения зажигания, при этом за ночь не сажал аккум(не грел наверно, просто горел индикатор).Потом перестал работать. Вернул пассажирскому креслу датчик температуры, восстановил фишки под водительским(без скруток, все с помощью паяльника)Все цепи звонятся, проверяю обычно на фишке реле таймера. И силовой идет, и контрольный показания меняет, и масса надежная, и кнопка исправна.Мистика какая то... Идеи есть?
Dimkin67 Опубликовано 12 сентября, 2014 Опубликовано 12 сентября, 2014 И снова здрасте. Вернул пассажирскому креслу датчик температуры, восстановил фишки под водительским(без скруток, все с помощью паяльника)Все цепи звонятся, проверяю обычно на фишке реле таймера. И силовой идет, и контрольный показания меняет, и масса надежная, и кнопка исправна.Мистика какая то...Идеи есть?Одна есть: я когда себе попогрей делал тоже с датчиком призадумался и хотел уже менять ,НО потом сунул его в морозилку на 5 минут и о чудо -он звониться! Потом подержал между пальцами чувствую "щёлк" тестером кажет обрыв.Вывод-цепь начнёт работать при некой (какой точно не скажу)ОТРИЦАТЕЛЬНОЙ температуре, и при положительных температурах он не должен включаться. Ну енто моё видение вопроса 1
ИванКузнец Опубликовано 12 сентября, 2014 Опубликовано 12 сентября, 2014 Одна есть: я когда себе попогрей делал тоже с датчиком призадумался и хотел уже менять ,НО потом сунул его в морозилку на 5 минут и о чудо -он звониться! Потом подержал между пальцами чувствую "щёлк" тестером кажет обрыв.Вывод-цепь начнёт работать при некой (какой точно не скажу)ОТРИЦАТЕЛЬНОЙ температуре, и при положительных температурах он не должен включаться. Ну енто моё видение вопроса эксперимент стоящий))) но я с морозилкой не заморачивался, я от делать нечего просто его прям в машине к потоку холодного воздуха от кондея направил... аж чувствуется што в руках щелкает... но суть в том, што полная цепь попа-датчик-спина звонится
Dimkin67 Опубликовано 12 сентября, 2014 Опубликовано 12 сентября, 2014 Тогда так, датчик температуры он же по конструкции простая биметалическая пластинка и при пропускании через него достаточной силы тока он может розогреться и разомкнуться, а при прозвонке этого происходить не будет - ток мал.Возможно всё таки датчик требует замены.Может я и не прав.
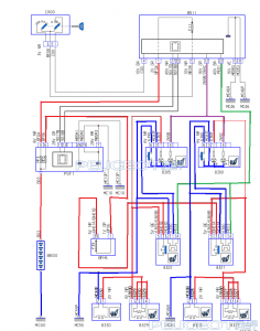
ИванКузнец Опубликовано 12 сентября, 2014 Опубликовано 12 сентября, 2014 Тогда так, датчик температуры он же по конструкции простая биметалическая пластинка и при пропускании через него достаточной силы тока он может розогреться и разомкнуться, а при прозвонке этого происходить не будет - ток мал.Возможно всё таки датчик требует замены.Может я и не прав.Вот, глянь по схеме. Независимо от наличия цепи реле должно срабатывать... И к тому же щелкает датчик в руках через нормальное время... Может силовые кулачки в реле-таймере закисли... дык до них не добраться
Dimkin67 Опубликовано 12 сентября, 2014 Опубликовано 12 сентября, 2014 Релюшки это 8321, 8322 ? а где таймер ?
Рекомендуемые сообщения
Для публикации сообщений создайте учётную запись или авторизуйтесь
Вы должны быть пользователем, чтобы оставить комментарий
Создать аккаунт
Зарегистрируйте новый аккаунт в нашем сообществе. Это очень просто!
Регистрация нового пользователяВойти
Уже есть аккаунт? Войти в систему.
Войти