xared Опубликовано 25 сентября, 2012 Опубликовано 25 сентября, 2012 Ну что такое мультиплекс, это проводка которая по идее ставилась на все комплектации, просто некоторые опции отключены или отсутствует оборудование. Только тогда странно что нет разъема под БК. А не смотрели по жгуту его нет, говорят иногда его просто сворачивали и привязывали к жгуту, а на панель выводили только под часы?
xared Опубликовано 25 сентября, 2012 Опубликовано 25 сентября, 2012 Поищи ))) Я у себя все под торпедой перерыл не нашел (((
Ilya1 Опубликовано 25 сентября, 2012 Опубликовано 25 сентября, 2012 а есть ли ссылка на это сообщение, я о том что кто нашел или итд. Откуда инфа?)))
xared Опубликовано 25 сентября, 2012 Опубликовано 25 сентября, 2012 С icechieff давно эту тему уже обсуждали.
ChopSkates Опубликовано 26 сентября, 2012 Опубликовано 26 сентября, 2012 (изменено) Всем доброго времени суток, заинтриговал вопрос с борт компом. у меня машина 1999 года выпуска 1.4 75 л.с., на центральной консоли у меня простые часы, хотелось бы в идеале поставить борт комп., чтоб видеть расход топлива и остальные приятные мелочи. И что самое удивительное, как ранее писал "icechieff" у меня есть пупырка на правом зеркале, я еще долго смотрел на нее и думал, для чего она нужна? Сначала решил что может для мертвой зоны. И так вот, ребят подскажите с чего начать данный вопрос мне, посмотреть разъем по него, или что? Спасибо за внимание и помощь. Изменено 26 сентября, 2012 пользователем ChopSkates
icechieff Опубликовано 26 сентября, 2012 Автор Опубликовано 26 сентября, 2012 Да, сними часы, пошарь за торпедой, может ты из тех везунчиков, где второй разъем есть...
ChopSkates Опубликовано 26 сентября, 2012 Опубликовано 26 сентября, 2012 (изменено) Да, сними часы, пошарь за торпедой, может ты из тех везунчиков, где второй разъем есть... Спасибо, вечерком прошарусь по торпеде, как раз грязюку вычистить надо всю, от прошлых хозяев) Изменено 26 сентября, 2012 пользователем ChopSkates
Ilya1 Опубликовано 26 сентября, 2012 Опубликовано 26 сентября, 2012 Да, сними часы, пошарь за торпедой, может ты из тех везунчиков, где второй разъем есть...а есть ссылка на везунчиков? Ну, существует ли тема или ссылка где это рассказывают?
ChopSkates Опубликовано 26 сентября, 2012 Опубликовано 26 сентября, 2012 а есть ссылка на везунчиков? Ну, существует ли тема или ссылка где это рассказывают? Если я им стану, то обязательно сделаю ряд фотографий для тебя. =) 1
Ilya1 Опубликовано 27 сентября, 2012 Опубликовано 27 сентября, 2012 Если я им стану, то обязательно сделаю ряд фотографий для тебя. =)Ну...нарыли что ни будь под торпедой?)))
ChopSkates Опубликовано 28 сентября, 2012 Опубликовано 28 сентября, 2012 Ну...нарыли что ни будь под торпедой?)))Честно, да же не залазил, думал седня буду заниматься машиной, пришлось ехать за другой, которая после аварии, целика, весь день там седня убил((( пока бампера подгоняли из стекловолокна и приехал домой в 9 часу только((( да же на встречу не успел.
icechieff Опубликовано 28 сентября, 2012 Автор Опубликовано 28 сентября, 2012 а есть ссылка на везунчиков? Ну, существует ли тема или ссылка где это рассказывают?Кто знает))) На Ситрах встречались, думаю и на Пыжах вероятность не меньше)))
ChopSkates Опубликовано 3 октября, 2012 Опубликовано 3 октября, 2012 И так, вчера вскрывал свою торпеду и к сожалению ничего не нашел, идет от жгута только 1 провод, на часы и все, лазил чуть дальше по нему но ничего нету, да и лазить было глупо, ибо я думаю что если бы он и был то где то сразу. Одним словом, не видать мне борт комп(((
xared Опубликовано 3 октября, 2012 Опубликовано 3 октября, 2012 Предлагаю создать отдельную касту "Пыжеводы с часами" ))))))))))))))
ChopSkates Опубликовано 3 октября, 2012 Опубликовано 3 октября, 2012 Предлагаю создать отдельную касту "Пыжеводы с часами" ))))))))))))))Как вариант) Конечно обидно что все так, главное на зеркалах датчик температуры есть, а борт комп подключить нельзя, а вот интересный вопрос электро-зеркала есть без датчика температуры? может просто ставят на все электро и все?
xared Опубликовано 4 октября, 2012 Опубликовано 4 октября, 2012 Есть ) Пупырка есть на всех зеркалах. вопрос в том стоит ли датчик внутри или нет.
icechieff Опубликовано 4 октября, 2012 Автор Опубликовано 4 октября, 2012 Так пупырка - и есть датчик) Бывает просто дырка)
xared Опубликовано 4 октября, 2012 Опубликовано 4 октября, 2012 Было бы еще куда с этой пупырки показания бы вывести, цены бы ей не было (((
Ilya1 Опубликовано 8 октября, 2012 Опубликовано 8 октября, 2012 Вот нарыл такую схему. Есть её нормальный вид из SEDRE?
ChopSkates Опубликовано 8 октября, 2012 Опубликовано 8 октября, 2012 Жаль что не делают как на Ваз, просто шлейф вывели и все, хочешь подключай, хочешь нет и ставят заглушку.
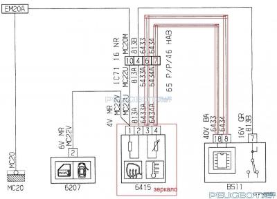
Ilya1 Опубликовано 14 октября, 2012 Опубликовано 14 октября, 2012 Всем привет! У меня обновилось моё представление о замен просто часов на информационный дисплей.ПРЕДУПРЕЖДАЮ НА ПРАКТИКЕ НЕ ПРИМЕНЯЛ, Т,Ч, ВОЗМОЖНО И ОШИБАЮСЬ. 1. ПРОВОДКА.Это принципиальный момент, т.к. существует мультеплекс (MUX) и не мультиплекс (NON-MUX)и под это все дело cделаны и дисплеи. Я так понял что, их внешне можно отличить по разъему куда втыкается коннектор. Для MUX он черный, а для NON-MUX белый.Так вот, и для MUX и NON-MUX прово'док, подключение дисплея своё. Все что я до этого здесь писал было про схему для NON-MUX, eё я оставлю обсуждать, т.к. у меня MUX))) 2. ДАТЧИК ТЕМПЕРАТУРЫ ЗА БОРОМ.Если он есть на правом внешнем зеркале внизу:Значит как я предпологаю все впорядке с его дальнейшей работой при установки дисплея. Вся проводка для него уже сделана на заводе.Вот его схема проводки:Сам датчик (пипка) своими проводами входит а разъем "6415" 3 и 4 пин.И далее по дверной проводке идет в раъeм желтого цвета под название "IC 71 16V NR" 6 и 7 пин.А потом прямо в IBS, разъем "40V BA", пины 18 и 8.Ну и на этом про датчик вроде все.))) 3. ДИСПЛЕЙВ разъем часов вставлено 4 провода, это мы знаем, а вот как эти провода перенести в разьем дисплея....он ведь на 18 пинов.Так вот, т.к. практически я ничего не подключал ещё, пока приведу пример...Ниже на схеме указано подключение 5-ти пинов. В любом случае это позволит подключить как миниму однострочный дисплей.Судя по схеме:2 провода идут в BSI 1 провод масс"MC30" 2 провода в разьем приборной панели "0004".Итого 5 проводов.4 провода у нас есть, где же взять пятый?След. схема расскажет откуда пятый пойдет и как провода из часов правельно установить в новый разъем:правдо смущает что, автор схемы так и не дорисовал путь провда "BLU",А так вроде все на этом, осталось найти доп. провод (пятый) и пробывать подключить)
Jabba Опубликовано 2 ноября, 2012 Опубликовано 2 ноября, 2012 а не знаете к большому бортовому компьютеру есть штатный парктроник? чтоб не ставить отдельный дисплей
giy Опубликовано 2 ноября, 2012 Опубликовано 2 ноября, 2012 может кому пригодится от 406 ЭКРАН тоже подойдет фишка черная(MUX)
Ilya1 Опубликовано 15 ноября, 2012 Опубликовано 15 ноября, 2012 Я уже выше писал о теории подключения многофункционального экрана. И 2 недели назад я попробывал и...Подключал однострочный (время, дата, температура), по теории, для мультиплекса, экран должен иметь черный коннектор, на таком я и проверял. Подключил провода, и заработали часы и дата, температура не показалась.Либо это из-за не актвивированного датчика или он риально к BIS не подрублен или по теории (схеме) должен же быть ещё один провод, он идет по схеме в приборку. Ну, в итоге заработало, показал дату и часы. Что касается более навороченого дисплея (бк) то на подрулевом должна быть кнопка.Так же нужно поменять пластиковую накладку, т.к. у часов отверстие в ней маленькое.
Рекомендуемые сообщения
Для публикации сообщений создайте учётную запись или авторизуйтесь
Вы должны быть пользователем, чтобы оставить комментарий
Создать аккаунт
Зарегистрируйте новый аккаунт в нашем сообществе. Это очень просто!
Регистрация нового пользователяВойти
Уже есть аккаунт? Войти в систему.
Войти