bandr Опубликовано 4 февраля, 2021 Опубликовано 4 февраля, 2021 оттестил систему экстренного торможения на пешеходе Работает! весьма необычные ощущения однако
Raendin Опубликовано 4 февраля, 2021 Опубликовано 4 февраля, 2021 Как всё было? Кто-то резко выскочил перед машиной?
AFrol Опубликовано 4 февраля, 2021 Опубликовано 4 февраля, 2021 (изменено) 1 час назад, bandr сказал: оттестил систему экстренного торможения на пешеходе Работает! весьма необычные ощущения однако неужели? я, признаться, уже не верю кроме советов нажать на газ эта система ничем себя не проявляет таится Изменено 4 февраля, 2021 пользователем AFrol
bandr Опубликовано 4 февраля, 2021 Опубликовано 4 февраля, 2021 55 минут назад, AFrol сказал: неужели? я, признаться, уже не верю кроме советов нажать на газ эта система ничем себя не проявляет таится работает катился с ногой на тормозе перед переходом пеший вроде шел и шел, а потом назад как метнется Педаль тормоза ушла из-под ноги и машина колом, врубила аварийку сам бы тоже встал конечно, но плавнее,)
Wladik Опубликовано 5 февраля, 2021 Автор Опубликовано 5 февраля, 2021 Купил себе DiagBox 9.68 (китайскую версию) подключился к машине через Лексию, вообще нормально работает! Видит машину, все блоки, все ошибки, которые блоки накопили за время эксплуатации, выдает каталожные номера на некоторые части. жалко только не могу менять функции, которые требуют онлайн подтверждения.
AFrol Опубликовано 5 февраля, 2021 Опубликовано 5 февраля, 2021 11 часов назад, bandr сказал: работает катился с ногой на тормозе перед переходом пеший вроде шел и шел, а потом назад как метнется Педаль тормоза ушла из-под ноги и машина колом, врубила аварийку сам бы тоже встал конечно, но плавнее,) любопытно какое расстояние до объекта было, когда машина колом?
bandr Опубликовано 5 февраля, 2021 Опубликовано 5 февраля, 2021 46 минут назад, AFrol сказал: любопытно какое расстояние до объекта было, когда машина колом? а не так уж и близко кстати. Возможно вектор перемещения "оленя" и скорость прыжка оного повлияли. Показалось метра два- три точно было
AFrol Опубликовано 5 февраля, 2021 Опубликовано 5 февраля, 2021 1 час назад, bandr сказал: а не так уж и близко кстати. Возможно вектор перемещения "оленя" и скорость прыжка оного повлияли. Показалось метра два- три точно было а какая была скорость?
bandr Опубликовано 5 февраля, 2021 Опубликовано 5 февраля, 2021 3 минуты назад, AFrol сказал: а какая была скорость? невысокая, я же тормозил, не более 30 точно, да и там узко было, не разогнаться вот место https://yandex.ru/maps/213/moscow/?l=stv%2Csta&ll=37.724446%2C55.781984&panorama[direction]=175.494769%2C-3.536787&panorama[full]=true&panorama[point]=37.722448%2C55.781575&panorama[span]=118.410487%2C63.915490&z=17.6 Олень бежал как раз по зебре, это совсем за знаком справа налево,, но потом метнулся назад, а это получается навстречу, встал до знака перехода точно
Andrey57 Опубликовано 5 февраля, 2021 Опубликовано 5 февраля, 2021 11 часов назад, Wladik сказал: Купил себе DiagBox 9.68 (китайскую версию) подключился к машине через Лексию, вообще нормально работает! Видит машину, все блоки, все ошибки, которые блоки накопили за время эксплуатации, выдает каталожные номера на некоторые части. жалко только не могу менять функции, которые требуют онлайн подтверждения. на драйве 9.80 раздают
chizhik_pyzhik Опубликовано 5 февраля, 2021 Опубликовано 5 февраля, 2021 04.02.2021 в 20:06, bandr сказал: Работает! весьма необычные ощущения однако у пешехода? ))
bandr Опубликовано 6 февраля, 2021 Опубликовано 6 февраля, 2021 8 часов назад, chizhik_pyzhik сказал: у пешехода? )) Он вообще ничего не заметил. Даже голову в мою сторону не повернул. Как дома себя вел
igorkzn Опубликовано 8 февраля, 2021 Опубликовано 8 февраля, 2021 05.02.2021 в 08:43, Wladik сказал: Купил себе DiagBox 9.68 (китайскую версию) подключился к машине через Лексию, вообще нормально работает! Видит машину, все блоки, все ошибки, которые блоки накопили за время эксплуатации, выдает каталожные номера на некоторые части. жалко только не могу менять функции, которые требуют онлайн подтверждения. где его брали и Лексию ? Цены ?
chizhik_pyzhik Опубликовано 8 февраля, 2021 Опубликовано 8 февраля, 2021 05.02.2021 в 19:44, Andrey57 сказал: на драйве 9.80 раздают а ссылочку?
Gunia Опубликовано 8 февраля, 2021 Опубликовано 8 февраля, 2021 2 часа назад, chizhik_pyzhik сказал: а ссылочку? Там ссылка на офф.сайт. Ссылка
chizhik_pyzhik Опубликовано 8 февраля, 2021 Опубликовано 8 февраля, 2021 Gunia , ну там, это сложно понять где именно, драйв он большой ))) офсайт - это хорошо, а как ломануть сие? на драйве есть инфа?
Andrey57 Опубликовано 8 февраля, 2021 Опубликовано 8 февраля, 2021 https://www.drive2.ru/b/564244629436760771/
Gunia Опубликовано 9 февраля, 2021 Опубликовано 9 февраля, 2021 13 часов назад, chizhik_pyzhik сказал: офсайт - это хорошо, а как ломануть сие? Офицальную - никак. Можно купить ключ для сабжа, привязанный к Вашему ПК/ноуту. Есть тоже самое, но в виде виртульной ОС. Вот оно - пролечено.
chizhik_pyzhik Опубликовано 12 февраля, 2021 Опубликовано 12 февраля, 2021 09.02.2021 в 11:20, Gunia сказал: Есть тоже самое, но в виде виртульной ОС. Вот оно - пролечено. и где оно? ))
Gunia Опубликовано 13 февраля, 2021 Опубликовано 13 февраля, 2021 14 часов назад, chizhik_pyzhik сказал: и где оно? )) Magnet 1
DmSv Опубликовано 15 февраля, 2021 Опубликовано 15 февраля, 2021 Кто-нить знает алгоритм работы подогрева сидений? Я так понял они сначала греют сильно, потом всё меньше и меньше и через какое-то время совсем выключаются.
bandr Опубликовано 15 февраля, 2021 Опубликовано 15 февраля, 2021 3 минуты назад, DmSv сказал: Кто-нить знает алгоритм работы подогрева сидений? Я так понял они сначала греют сильно, потом всё меньше и меньше и через какое-то время совсем выключаются. а чего б им не выключаться? или любишь кипятить какашки? честно даже внимания не обращал. но наличие некоего термостату допускаю
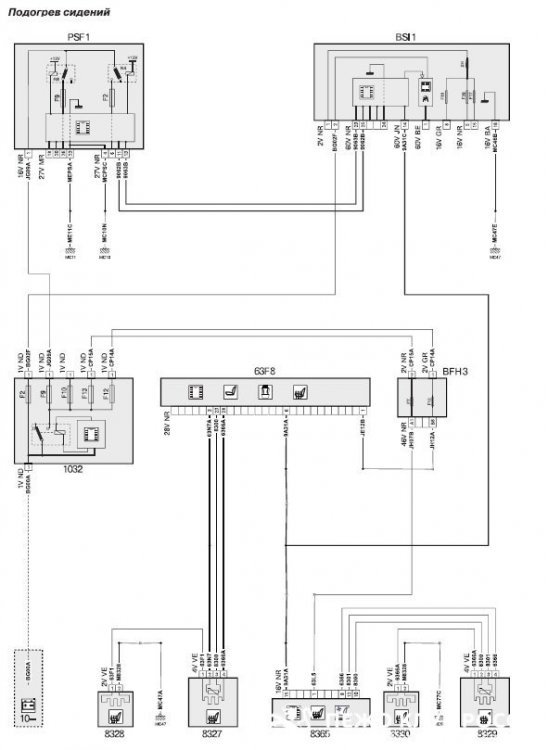
philmuson Опубликовано 15 февраля, 2021 Опубликовано 15 февраля, 2021 (изменено) Т.к. на схеме в сидении 8327 кроме ТЭНа есть ещё и термодатчик, а управление нагревом производит электронный блок 63F8, то логично предположить, что при достижении определённой температуры нагрев отключится. 8328 - это спинка сидения, она подключена последовательно с сидением. Изменено 15 февраля, 2021 пользователем philmuson 1
antoshka32161 Опубликовано 17 февраля, 2021 Опубликовано 17 февраля, 2021 15.02.2021 в 11:18, bandr сказал: а чего б им не выключаться? или любишь кипятить какашки? честно даже внимания не обращал. но наличие некоего термостату допускаю Вообще не понимаю как у нас работает подогрев сидений. Вот на Флюенсе было два положения Вкл/выкл. Один раз в жизни включил и забыл. При холодном сиденье начинает греть, при достижении определенной температуры выключается и больше не напоминает о себя. А тут вообще какая то попка. Такое чувство что не датчик стоит, а цикличный реостат. Пока сегодня ехал до работы раз 10-15 доходил до максимальной температуры жарки. Начинает жарить, потом сбавляет температуру до минимума, а минут через 10 опять начинает жарить. И так всю дорогу
bandr Опубликовано 17 февраля, 2021 Опубликовано 17 февраля, 2021 51 минуту назад, antoshka32161 сказал: Вообще не понимаю как у нас работает подогрев сидений. Вот на Флюенсе было два положения Вкл/выкл. Один раз в жизни включил и забыл. При холодном сиденье начинает греть, при достижении определенной температуры выключается и больше не напоминает о себя. А тут вообще какая то попка. Такое чувство что не датчик стоит, а цикличный реостат. Пока сегодня ехал до работы раз 10-15 доходил до максимальной температуры жарки. Начинает жарить, потом сбавляет температуру до минимума, а минут через 10 опять начинает жарить. И так всю дорогу у большинства авто ПСА трехпозиционный подогрев. то есть три ступени прогрева. Тотому не просто реле времени стоит явно. Честно не копал как работает. но силу прогрева в зависимости от выбранного режима он реально регулирует 15.02.2021 в 15:18, philmuson сказал: Т.к. на схеме в сидении 8327 кроме ТЭНа есть ещё и термодатчик, а управление нагревом производит электронный блок 63F8, то логично предположить, что при достижении определённой температуры нагрев отключится. 8328 - это спинка сидения, она подключена последовательно с сидением. логика может быть весьма извращенной. И работать в зависимости от забортной температуры, времени простоя при такой температуре без прогрева салона. и прочего... Ну примерно как у климата.
Рекомендуемые сообщения
Для публикации сообщений создайте учётную запись или авторизуйтесь
Вы должны быть пользователем, чтобы оставить комментарий
Создать аккаунт
Зарегистрируйте новый аккаунт в нашем сообществе. Это очень просто!
Регистрация нового пользователяВойти
Уже есть аккаунт? Войти в систему.
Войти